员工素质能力考核指标评定表超出目标达到目标接近目标远低于目标人际交往能力关系建立ABCD容易与他人建立可信赖的积极发展的长期关系能够与...
第1页共32页编号:时间:2021年x月x日书山有路勤为径,学海无涯苦作舟页码:第1页共32页山东省国家税务局山东省地方税务局关于印发《山东省...
玮翔精密电子工业(昆山)有限公司企业安全生产标准化台帐之十三绩效评定和持续改进文件编号:WH-AB13版本:A制定人:王祥田批准人:生效日...
方正春元科技发展有限公司任职资格评定指导手册北大纵横管理咨询公司二零零五年六月目录1定义..............................................
德国大众汽车集团---供应商质量能力评定准则1.1目的大众集团供应商质量能力的评审制度以VDA/DGQ-专业组制定的汽车工业质量标准为依据。根...
工模部五金制模组员工绩效奖金评定细节(2004)章005—一、绩效奖金评定总则:员工的技术水平发挥的越好、对公司的贡献越大,则公司给其的...
国家电网公司输变电优质工程评定管理办法第一章总则第一条【编制依据】为贯彻“百年大计、质量第一”的方针,落实国家《质量发展纲要(2011...
员工技能评定管理规定
浙江众安房地产开发有限公司岗位月工作评定明细表第1页共28页编号:时间:2021年x月x日书山有路勤为径,学海无涯苦作舟页码:第1页共28页目...
第1页共8页编号:时间:2021年x月x日书山有路勤为径,学海无涯苦作舟页码:第1页共8页公共管理学院关于《西南财经大学硕士研究生综合素质评...
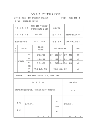
桥梁工程土方开挖质量评定表合同名称:太康县2009年农业综合开发项目工程合同编号:TKNK—2009—8施工单位:华盟路桥建设有限公司单位工程名...
方正春元科技发展有限公司任职资格评定指导手册北大纵横管理咨询公司二零零五年六月目录1定义..............................................
市北区A级旅行社评定办理流程第一步:旅行社对照A级旅行社质量等级申请评定报告书标准进行自评分,符合打分标准后向区旅游局提交《A级旅行...
司法部行政作风评定方案为深入开展民主评议政风行风工作,进一步提高行政效率、执法水平和服务质量,推动我局工作全面开展,根据《市司法局...
×××国家税务局能级管理首次评定实施方案为确保能级管理制度的顺利实施,依据《×××国家税务局税务人员能级管理暂行办法》,制定本方案...
全国企业信用等级评定申请表企业名称统一社会信用代码申请时间法人信息姓名电话号码身份证件类型证件号码企业信息营业期限登记机关注册地址...
岗位任职资格评定指导手册目录1定义....................................................................................................
********有限公司专业/技术人员职等评定及聘用管理试行办法第一条目的为进一步建立和完善专业/技术人员职业发展通道,为专业/技术人员职业...
员工技能等级评定方案、目的1为加快公司各类人才培养,提高专业技能素质,充分调动员工的工作热情和积极性,提高工作生产效率和质量,最大...
综合素质评定方案年级综合素质评定方案为进一步深化基础教育课程改革,全面推进素质教育,根据《基础教育课程改革纲要》和《教育部关于积极...

