电脑桌面
添加小米粒文库到电脑桌面
安装后可以在桌面快捷访问

营运车辆技术等级的评定项目和技术要求VIP免费

营运车辆技术等级的评定项目和技术要求_第1页
1/10
营运车辆技术等级的评定项目和技术要求_第2页
2/10
营运车辆技术等级的评定项目和技术要求_第3页
3/10
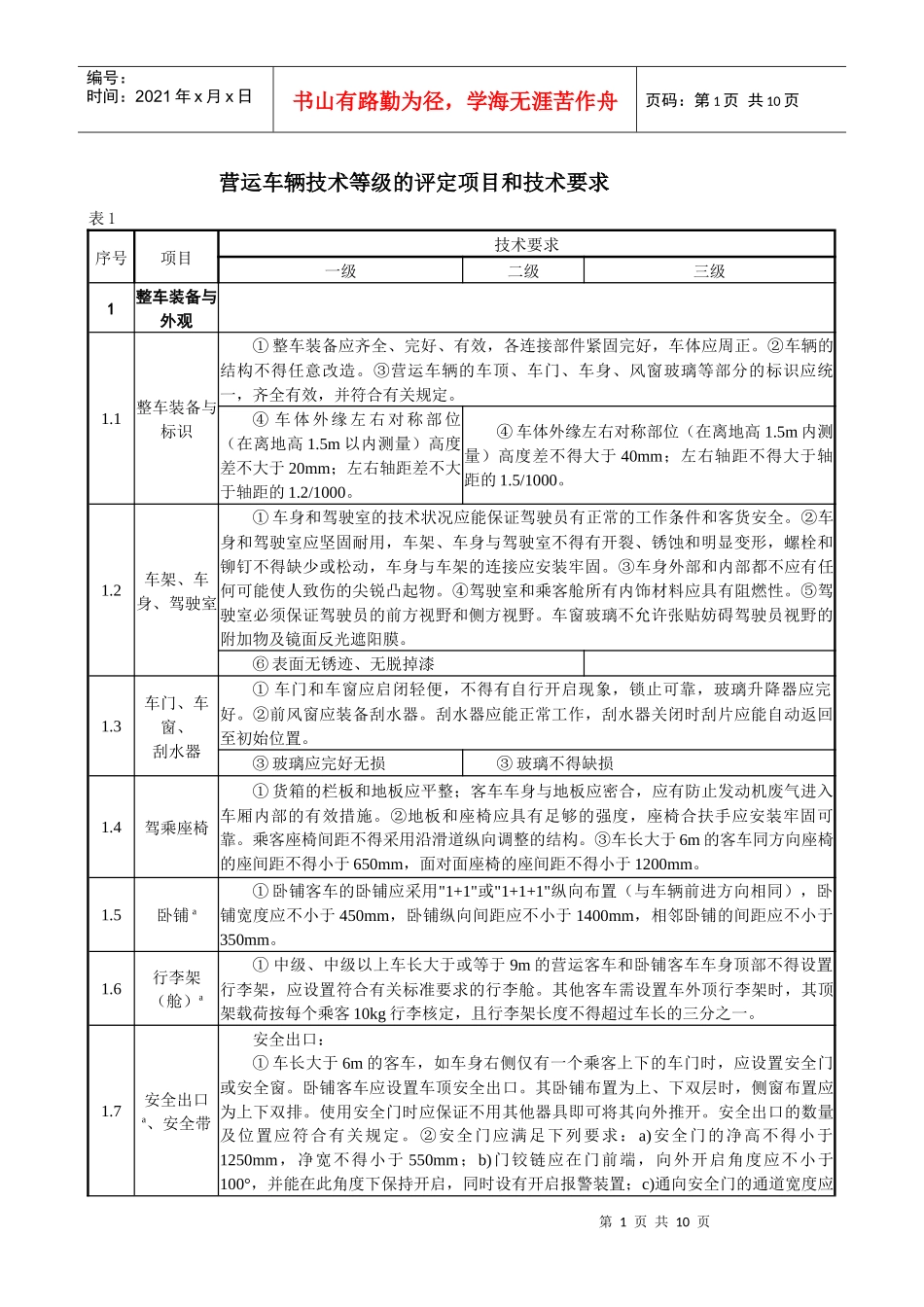
第1页共10页编号:时间:2021年x月x日书山有路勤为径,学海无涯苦作舟页码:第1页共10页营运车辆技术等级的评定项目和技术要求表1序号项目技术要求一级二级三级1整车装备与外观1.1整车装备与标识①整车装备应齐全、完好、有效,各连接部件紧固完好,车体应周正。②车辆的结构不得任意改造。③营运车辆的车顶、车门、车身、风窗玻璃等部分的标识应统一,齐全有效,并符合有关规定。④车体外缘左右对称部位(在离地高1.5m以内测量)高度差不大于20mm;左右轴距差不大于轴距的1.2/1000。④车体外缘左右对称部位(在离地高1.5m内测量)高度差不得大于40mm;左右轴距不得大于轴距的1.5/1000。1.2车架、车身、驾驶室①车身和驾驶室的技术状况应能保证驾驶员有正常的工作条件和客货安全。②车身和驾驶室应坚固耐用,车架、车身与驾驶室不得有开裂、锈蚀和明显变形,螺栓和铆钉不得缺少或松动,车身与车架的连接应安装牢固。③车身外部和内部都不应有任何可能使人致伤的尖锐凸起物。④驾驶室和乘客舱所有内饰材料应具有阻燃性。⑤驾驶室必须保证驾驶员的前方视野和侧方视野。车窗玻璃不允许张贴妨碍驾驶员视野的附加物及镜面反光遮阳膜。⑥表面无锈迹、无脱掉漆1.3车门、车窗、刮水器①车门和车窗应启闭轻便,不得有自行开启现象,锁止可靠,玻璃升降器应完好。②前风窗应装备刮水器。刮水器应能正常工作,刮水器关闭时刮片应能自动返回至初始位置。③玻璃应完好无损③玻璃不得缺损1.4驾乘座椅①货箱的栏板和地板应平整;客车车身与地板应密合,应有防止发动机废气进入车厢内部的有效措施。②地板和座椅应具有足够的强度,座椅合扶手应安装牢固可靠。乘客座椅间距不得采用沿滑道纵向调整的结构。③车长大于6m的客车同方向座椅的座间距不得小于650mm,面对面座椅的座间距不得小于1200mm。1.5卧铺a①卧铺客车的卧铺应采用"1+1"或"1+1+1"纵向布置(与车辆前进方向相同),卧铺宽度应不小于450mm,卧铺纵向间距应不小于1400mm,相邻卧铺的间距应不小于350mm。1.6行李架(舱)a①中级、中级以上车长大于或等于9m的营运客车和卧铺客车车身顶部不得设置行李架,应设置符合有关标准要求的行李舱。其他客车需设置车外顶行李架时,其顶架载荷按每个乘客10kg行李核定,且行李架长度不得超过车长的三分之一。1.7安全出口a、安全带安全出口:①车长大于6m的客车,如车身右侧仅有一个乘客上下的车门时,应设置安全门或安全窗。卧铺客车应设置车顶安全出口。其卧铺布置为上、下双层时,侧窗布置应为上下双排。使用安全门时应保证不用其他器具即可将其向外推开。安全出口的数量及位置应符合有关规定。②安全门应满足下列要求:a)安全门的净高不得小于1250mm,净宽不得小于550mm;b)门铰链应在门前端,向外开启角度应不小于100°,并能在此角度下保持开启,同时设有开启报警装置;c)通向安全门的通道宽度应第2页共10页第1页共10页编号:时间:2021年x月x日书山有路勤为径,学海无涯苦作舟页码:第2页共10页不小于300mm,不足300mm时,允许采用迅速翻转座椅等方法加宽通道;d)车内外应设应急开门把手,车外把手距地面高度应不大于1800mm;e)关闭时应能锁止;f)在安全门或安全窗处应有醒目的红色标志和操纵方法,字体高度应不小于20mm。③安全窗应满足下列要求:a)安全窗和安全顶窗的面积应不小于3×105mm2,且能内接一个400mm×600mm的椭圆;车辆后端面的安全窗的面积应不小于4×105mm2,且能内接一个500mm×700mm的矩形;b)安全窗应易于向外推开或用手锤击破玻璃,在其附近应备有便于取用的击碎出口玻璃的专用工具。汽车安全带:①座位数小于或等于20(含驾驶员座椅,下同)或者车长小于或等于6m的载客汽车和最大设计车速大于100km/h的载货汽车和牵引车的前排座位必须装置汽车安全带。长途客车和旅游客车的驾驶员座椅及前面没有座椅或护栏的座椅应安装汽车安全带。安全带应有认证标志。②卧铺客车的每个铺位均应安装两点式汽车安全带。③汽车安全带应可靠有效,安装位置应合理,固定点应有足够的强度。1.8车厢、地板、护轮板(挡泥板)①货箱的栏板和地板应平整;客车车身与地板应密合,应有防止发动机废气进...

1、当您付费下载文档后,您只拥有了使用权限,并不意味着购买了版权,文档只能用于自身使用,不得用于其他商业用途(如 [转卖]进行直接盈利或[编辑后售卖]进行间接盈利)。
2、本站所有内容均由合作方或网友上传,本站不对文档的完整性、权威性及其观点立场正确性做任何保证或承诺!文档内容仅供研究参考,付费前请自行鉴别。
3、如文档内容存在违规,或者侵犯商业秘密、侵犯著作权等,请点击“违规举报”。

碎片内容

营运车辆技术等级的评定项目和技术要求

您可能关注的文档

确认删除?
VIP
微信客服
  • 扫码咨询
会员Q群
  • 会员专属群点击这里加入QQ群
客服邮箱
回到顶部