隐蔽工程检查验收记录工程名称:升龙广场 C 区 1#楼商业裙房与地下车库隐蔽部位地下二层图号隐蔽日期施工单位隐蔽检查容容:1、建筑等电...
云南新华维景酒店项目及药师佛项目酒店等电位施工方案建设单位:大理州银都水乡旅游投资有限公司施工单位:中国建筑第八工程局有限公司编 制...
等电位安装施工工法一。前言 随着社会经济的高速进展,高层建筑越来越多,对建筑物的功能设计和安全设计,也提升到一定的高度。建筑物内的...
等电位联接检验批质量验收记录08190301 单 位 ( 子单 位 ) 工程名称分部(子分部)工程名称分项工程名称施工单位项目负责人检验批...
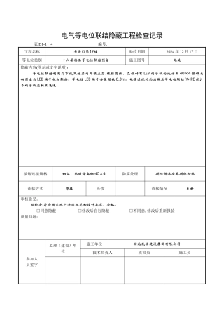
电气等电位联结隐蔽工程检查记录表 D1-1—4 编号:工程名称书香门第 1#楼验收日期2024 年 12 月 17 日等电位类别十六层楼面等电位联...
浅谈卫生间局部等电位联结 卫生间等电位端子箱没有必要和防雷引下线相连,防止将室外雷电引入室内,引起电击,发生人身伤亡事故,详见下面误...
建筑物等电位联结报验申请表工程名称: 致:我单位已完成 一层等电位联结工作,现报上该工程报验申请表,请予审查和验收。附件:建筑物等...
- 1 - 第一章 简介 警告 使用仪器前,请仔细阅读使用说明书。 概述 本仪器采用数字信号处理技术,直接提取测量信号,具有高分辨率...
1 用电安全-等电位联接 杨振国 1 等电位联结 将建筑物电气装置内外露可导电部分、电气装置外可导电部分、人工或自然接地体用导体连接...
是√否 ×1装车场:每个装车位设置静电接地报警仪,静电接地电阻不大于10Ω 。充装鹤管(胶质)应采用有铜丝(或钢丝)的橡胶制作。中国...
精品文档---下载后可任意编辑等电位连接有明确的法律法律规范要求,在实际中却起不到应有的作用,就这个问题拿出来与同行讨论,有没有好的...
目录图名页目录 1,2说明 3~5总等电位联结系统图示例 6总等电位联结示例 7卫生间局部等电位联结示例(一)8卫生间局部等电位联绪示例(...
总等电位联结系统中燃气管道的做法 总等电位联结系统中燃气管道的做法引言 等电位联结是近几十年来国际上推广的电气安全措施。所谓总等电...
目 录 一、工程概况…………………………………………………………………………………1 二、方案选择…………………………………………...
精品文档---下载后可任意编辑 2024-12-4 14:38 上传下载附件 (88.55 KB) 测试接地装置的接地电阻值必须符合设计要求。(强标) 设备外...
卫生间等电位连接 我家装修已经进行到卫生间贴砖了,不知道大家注意到了没有,我们的卫生间都有一个等电位。 但是关于等电位的用处和功能...
卫生间局部等电位作法 One: 卫浴间等电位详细介绍 一、住宅卫浴间应配等电位 根据最新《住宅设计规范》规定,住宅卫浴间内应作等电位联...
电 压 互 感 器 : 1、 独 立 的 、 与 其 它 电 压 互 感 器 二 次 回 路 没 有 电 的 联 系 的 二 次 ...
1 建筑物等电位联结安装施工工艺标准 1.适用范围 本工艺标准适用于一般工业与民用建筑电气装置防间接接触电击和防接地故障引起的爆炸和...
1 6 .4 建 筑 物 等 电 位 联 结 1 6 .4 .1 施 工 准 备 16.4.1.1 技 术 准 备 参 见 “ 16.1 接 地 装 置...

