精品文档---下载后可任意编辑ICP 母胎石胆酸及脐血游离胆红素的检测及意义讨论的开题报告一、讨论背景及意义ICP(肝内胆汁淤积症)是一种...
精品文档---下载后可任意编辑ICP 社会责任与网民消费理智的相关关系讨论的开题报告一、讨论背景随着互联网的进展,越来越多的人开始使用网...
精品文档---下载后可任意编辑ICP 刻蚀在加速度计制造中的应用讨论的开题报告一、选题背景和意义加速度计是一种用来测量物体加速度的仪器,...
精品文档---下载后可任意编辑ICP 光源中阻抗匹配的讨论的开题报告开题报告题目:ICP 光源中阻抗匹配的讨论讨论背景近年来,ICP 光源被广...
精品文档---下载后可任意编辑ICP 光源电磁兼容的讨论的开题报告一、选题背景近年来,随着 ICP 光源在各个领域中的广泛应用,其电磁兼容...
浅谈原子吸收光谱和ICP 光谱 原子吸收光谱法和原子发射光谱法都属于原子光谱分析技术。不同之处在于原子发射光谱分析技术是通过测量被测...
关于ICP 测试地质样品的前处理方法20例 关于ICP 测试地质样品的前处理方法20例 1、测定铁矿石硅、磷、锰、砷、锌①称取0.1000g 已干燥...
This document information is the intellectual propertyof Megawin TechnologyCo., Ltd.1C○ Megawin TechnologyCo., Ltd. ...
ICP 许可证的办理 2 目录 一 、基本信息 ................................................................................ 1 ...
第三部分 ICP-AES 中样品的分解、制备 1. 前言 自上世纪 60 年代以来,由于 ICP 光源的无可比拟的优点,ICP-AES 在地质、冶金、...
ICP方法匹配深度图像的实现
多目标地球化学样品多元素分析操作规程 1 4 四、全谱直读电感耦合等离子发射光谱法同时测定 土壤和水系沉积物中的主、次量元素 1 范...
信 1 技术要求 1 .1 物理安全 信息安全评估表 序号 控制点项目 安全标准 评估情况 说明 1 .1 .1 物理位置的选择 1 . 机...
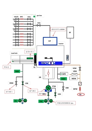
0 VGE/B MFC VGQ gas box VGQ ICP reactor RF Load lock MSK VBSK VSK PS TR DR MBAMPE VKW VBW MDW MFW VBR PTM...
1 ICP 样品前处理汇总 普通碳钢及中低合金钢的样品溶解体系基本采用如下四种体系: (1)硝酸(1+3) (2)稀王水(硝酸+盐酸+水=50+1...
中国 3000 万经理人首选培训网站 ICP 光谱仪测定矿石中磷含量的测量不确定度评定 一、简述 (1).依据的标准:GB/T 6730.63-2006 ...
ICP 专 用 塑 料 量 器 校 准 方 法 前 言 由 于 目 前 国 内 无 塑 料 量 器 的 相 关 检 定 /校 准 规 ...
ICP 与 原子吸收的主要区别及各自的优势 ICP 可以检测的元素范围B~U,原子吸收同样是这个范围,请教二者各自的优势在哪些元素的检测上...
EDI 和ICP 办理所需资料清单 1、营业执照副本(注册资金 100 万)(彩色扫描件)。 2、法人及股东身份证(股东是个人提供身份证,如...
ICP 原理和样品溶解、制备1.ICP-AES(IRISIntrepidII)培训一、ICP-AES 原理培训:ICP-AES 是电感耦合等离子体原子发射光谱仪的英文简称...

