计算方法:(个人总结)1、混凝土(砂浆)试块试验结果汇总表中的达到强度%:用混凝土(砂浆)的强度÷标准强度× 100%(即试压结果÷强度...
混凝土抗压强度标准值计算PERSONAL RESUME 1. 0. 1? 1? 0. 3 本规范系根据国家标准《水利水电工程结构可靠度设计?统一标准(GB50199...
v1.0 可编辑可修改1 石城县方正建筑工程质量检测有限公司混凝土抗压强度检验报告工程编码报告编号HUN2014-2527委托单位江西富利建筑装饰...
混凝土强度试验一、 混凝土抗压强度1、实验名称: 混凝土立方体抗压强度试验2、实验的目的意义① 了解并掌握混凝土的强度指标;② 学会...
混凝土强度评定的三类统计方法实例2 正确理解混凝土强度评定方法中的若干概念要保证混凝土的实际强度达到合格的要求,必须做好三个环节的...
混凝土强度评定(非统计法)工程名称:编号:单位工程名称集控楼强度等级C20序号项目评定条件及合格标准备注1 试块组数每拌制 100 盘,...
混凝土试块强度统计、评定记录(表式 C6-3-11 )编号工程名称强度等级C10 填报单位养护方法标养统计期结构部位基础垫层试块组 n 强度...
【 tips 】本文由李雪梅老师精心收编整理,同学们定要好好复习!混凝土强度等级选用规则混凝土强度等级选用规则1、混凝土强度等级选用范...
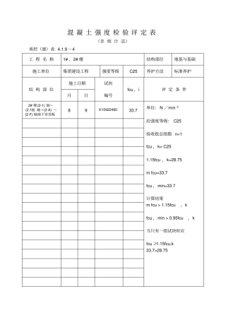
混 凝 土 强 度 检 验 评 定 表(非 统 计 法)质控(建)表 4.1.9 -4 工 程 名 称1# 、2# 楼结构部位地基与基础施工...
【 tips 】本文由李雪梅老师精心收编整理,同学们定要好好复习!混凝土强度偏低的几大原因及应对措施一、混凝土强度不足的常见原因在工程...
回弹法检测混凝土抗压强度技术规程摘要1. 回弹仪使用方法要点:缓慢施压,准确读数,快速复位。2. 构件的抽查数量:不得少于同批构件总数...
混凝土回弹方案1、编制依据:(1)《回弹法检测混凝土抗压强度技术规程》JGJ/T 23-2011(2)《回弹法检测混凝土抗压强度技术规程》DBJ13-71-20...
陕蒙高速公路混凝土回弹强度计算表试验表 63-1 合同段构件名称试验日期试验方法编号回弹值N 测区平均值角度修正值△ Na 角度修正后浇...
表 E.0.3-1 回弹法混凝土强度测试记录回弹法混凝土强度测试记录回弹编号工程名称测试部位设计强度浇筑时间搅拌方式浇筑方式测 区回弹值...
华誉化验室焦炭反应性及反应后强度测定操作规程焦炭反应性及反应后强度测定操作规程1引用文件:《GB/T4000-2008 焦炭反应性及反应后强度试...
下载后可任意编辑梁柱节点不同强度等级混凝土的施工方法讨论梁柱节点不同强度等级混凝土的施工方法讨论 吕飞 曹立英 【摘 要】高层建筑...
§沥青混合料的组成结构及强度原理沥青混合料的组成结构沥青混合料是一种复杂的多种成分的材料,其“结构”概念同样也是极其复杂的。因为这...
汽车钢板弹簧的纵扭强度校核东风汽车工程研究院陈耀明2005 年 11 月1 目录前言( 2-4 )1、动态轴荷( 5-11 )1)最强制动时的轴荷...
1 求电场强度的六种特殊方法电场强度是电场中最基本、最重要的概念之一,也是高考的热点。求解电场强度的基本方法有:定义法E=F/q ,真...
求电场强度的六种特殊方法一、镜像法(对称法)镜像法实际上就是根据某些物理现象、物理规律、物理过程或几何图形的对称性进行解题的一种方...

