电脑桌面
添加小米粒文库到电脑桌面
安装后可以在桌面快捷访问

混凝土强度评定表

混凝土强度评定表_第1页
1/9
混凝土强度评定表_第2页
2/9
混凝土强度评定表_第3页
3/9
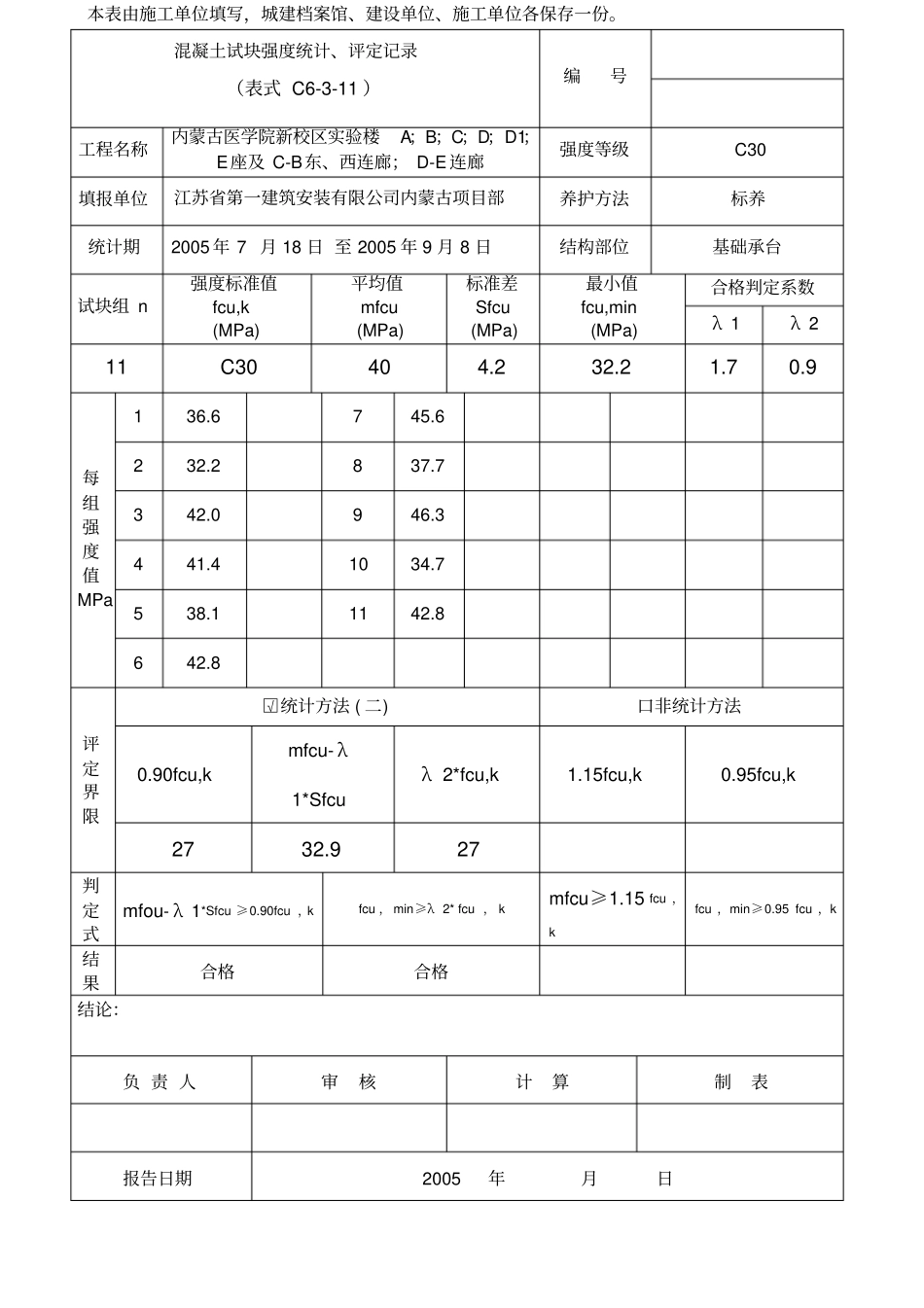
混凝土试块强度统计、评定记录(表式 C6-3-11 )编号工程名称强度等级C10 填报单位养护方法标养统计期结构部位基础垫层试块组 n 强度标准值fcu,k (MPa) 平均值mfcu (MPa) 标准差Sfcu (MPa) 最小值fcu,min (MPa) 合格判定系数λ 1 λ 2 12 C10 15.7 3.7 12.7 1.7 0.9 每组强度值MPa 1 14.1 7 17 2 12.7 8 17.9 3 14.5 9 17.7 4 14.1 10 16.3 5 14.1 11 17 6 16.2 12 17.2 评定界限□√ 统计方法 ( 二) 口非统计方法0.90fcu,k mfcu- λ1*Sfcu λ 2*fcu,k 1.15fcu,k 0.95fcu,k 9 9.4 9 判定式mfcu- λ 1*Sfcu ≥0.90fcu ,kfcu , min≥λ 2* fcu , kmfcu≥1.15 fcu ,kfcu ,min≥0.95 fcu ,k结果合格合格结论:负 责 人审核计算制表报告日期2005 年月日本表由施工单位填写,城建档案馆、建设单位、施工单位各保存一份。混凝土试块强度统计、评定记录(表式 C6-3-11 )编号工程名称内蒙古医学院新校区实验楼A;B;C;D;D1;E座及 C-B东、西连廊; D-E 连廊强度等级C30 填报单位江苏省第一建筑安装有限公司内蒙古项目部养护方法标养统计期2005 年 7 月 18 日 至 2005 年 9 月 8 日结构部位基础承台试块组 n 强度标准值fcu,k (MPa) 平均值mfcu (MPa) 标准差Sfcu (MPa) 最小值fcu,min (MPa) 合格判定系数λ 1 λ 2 11 C30 40 4.2 32.2 1.7 0.9 每组强度值MPa 1 36.6 7 45.6 2 32.2 8 37.7 3 42.0 9 46.3 4 41.4 10 34.7 5 38.1 11 42.8 6 42.8 评定界限□√ 统计方法 ( 二) 口非统计方法0.90fcu,k mfcu- λ1*Sfcu λ 2*fcu,k 1.15fcu,k 0.95fcu,k 2732.9 27 判定式mfou- λ 1*Sfcu ≥0.90fcu ,kfcu , min≥λ 2* fcu , kmfcu≥1.15 fcu ,kfcu ,min≥0.95 fcu ,k结果合格合格结论:负 责 人审核计算制表报告日期2005 年月日本表由施工单位填写,城建档案馆、建设单位、施工单位各保存一份。混凝土试块强度统计、评定记录(表式 C6-3-11 )编号工程名称强度等级C40 填报单位养护方法标养统计期结构部位基础柱墙、地梁试块组 n 强度标准值fcu,k (MPa) 平均值mfcu (MPa) 标准差Sfcu (MPa) 最小值fcu,min (MPa) 合格判定系数λ 1 λ 2 18 C40 51.4 8.1 46.4 1.65 0.85 每组强度值MPa 1 51.5 7 46.4 13 56.7 2 50.4 8 47.8 14...

1、当您付费下载文档后,您只拥有了使用权限,并不意味着购买了版权,文档只能用于自身使用,不得用于其他商业用途(如 [转卖]进行直接盈利或[编辑后售卖]进行间接盈利)。
2、本站所有内容均由合作方或网友上传,本站不对文档的完整性、权威性及其观点立场正确性做任何保证或承诺!文档内容仅供研究参考,付费前请自行鉴别。
3、如文档内容存在违规,或者侵犯商业秘密、侵犯著作权等,请点击“违规举报”。

碎片内容

混凝土强度评定表

确认删除?
VIP
微信客服
  • 扫码咨询
会员Q群
  • 会员专属群点击这里加入QQ群
客服邮箱
回到顶部