目录1.课程设计任务书·······················································...
基于最大稳定极值区域的自然场景文本检测摘要: 近些年来,科技发展迅速,相机、手机等拍摄设备应用变得十分广泛。人们可以从相片中获取很...
管道支吊架最大间距 一览表规格分类DN 公称直径(mm)101520253240507080100125dn 公称外径(mm)121416182025324050637590110125140衬塑...
板型楼板厚度楼承板厚度施工时最大跨度单跨双跨三跨YX51—200—6001100.82。662.82。90.92.852。95313。073.163.31.23。33。453。561150.82...
青海省部分县(市 ) 海拔高度、年平均气温、最大冻土深度统计表 县、市海拔高度年平均气温最大冻土深度县、市海拔高度年平均气温最大冻...
常用测量设备最大允许误差表目录一。常用长度类测量设备最大允许误差表1. 游标类 2.微分类 3.表类 3。1 表类测量设备最大允许误差值的...
螺栓最大扭紧力矩计算一、背景安装时对于一般的零件装配,靠操作者在扭紧时的感觉和经验来拧紧螺栓就已经能满足安装要求。但对于重要的联接...
管路直径之最大流速与流量表液体在管道和管道附件流动中,由于管壁的阻力而损失的扬程称为管道阻力。下表为:阀及弯管折合直管长度管路直径(...
爱好是创业最大本钱 爱好是创业最大本钱 郭信梅,原是某高校的试验员,2000 年下岗。在家待了没多长时间,郭信梅就靠自己的一技之长――...
怎样理解银行价值最大化为唯一目标的经营理念 价值最大化是考虑了风险调整、资本本钱及可持续增长基础上的利润最大化,最能表达价值制造能...
石 门中 茶 网 全 球 茶 业 制 造 基 地 花 草 茶 产 品 介 绍花草茶、花果茶、水果茶、保健茶、冰茶、绿茶粉、茶多酚网...
NLP基于最大概率的汉语切分 Ytinrete 要求: 基于最大概率的汉语切分 目标:采用最大概率法进行汉语切分。 其中:n-gram 用bigram,...
目前世界最大排量.量产摩托车(转). 摩 托 车 的 大 型 化 发 展 已 经 成 为 一 种 潮 流 , 很 多 厂 家 都对 多...
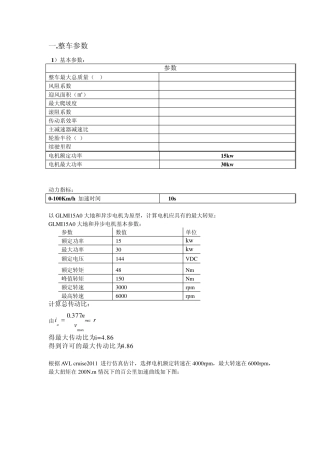
一.整车参数 1)基本参数: 参数 整车最大总质量(kg) 600 风阻系数CD 0.3 迎风面积(㎡) 1.625 最大爬坡度 0.35 滚阻系数 0...
1 男女最大相差几岁结婚较合适(3 ) ----------如何选择适龄配偶 说起多大结婚最好?与多大的人结婚最好?这些问题是没有准确答案的,...
CPU 廠商CPU 型號FrequencyL2 Cache L3 CacheCoreNameProcessSteppingAMDPhenom II X4 9403000Mhz512KBx46MBDeneb45nmC2AMDPhenom...
KAVGUR+++---图 1光电效应实验原理图3.2光电效应测定普朗克常数1887 年,赫兹在做电磁波的发射与接收的实验中,发现了光电效应现象。1...
乐 恩 特 文 化 传 播 有 限 公 司 爱 好 数 学 是 进 步 的 动 力 , 坚 持 不 懈 是 好 成 绩 的 保 证...
GB 2763-2014 食品安全国家标准 食品中农药最大残留限量基本信息【英文名称】National food safety standard―Maximum residue lim...
公因数和最大公因数教学内容:青岛版小学数学五年级下册第 29—31 页信息窗 1,第 1、2 个“红点”内容。教学目标:1•结合解决问题理...

