基坑支护安全检查记录表工程名称: 检查部位: 编号:序号检查项目检查标准检查情况整改结果1保证项目施工方案基础施工时有具体的支护方案...
中二酒店工程基坑支护旁站监理方案编制:审核:广东省城规建设监理有限公司二○○ 年 月一、 工程概况1、工程概述(1)建设工程名称:中二...
招标单位:西安佳枫置业有限公司 招标编号:KMLT—DK3-2024—008工程名称:昆明澜庭项目二期(DK3)(基坑支护工程)投 标 单 位:陕西省建...
基坑支护安全隐患排查记录表排查要点基本情况具体安全隐患情况*专项方案履行“编制、批准、审定"程序情况1、已按规定履行( ),2、未按规...
目 录第一章、工程概述 11、工程概况 22、施工现场危险源概况 33、安全设施配置概况 4第二章、工程安全重点、难点分析 5第三章、编制...
基坑支护施工安全管理规定第一章 总则第一条 为保障深基坑支护工程和周边环境的安全,避开和减少因深基坑施工引起的地质灾害和遵照并贯彻...
基 坑 支 护 安 全 技 术 要 求 验 收 表施工单位: 工程名称: 序号验收项目技 术 要 求验 收 结 果1方案编审专项方...
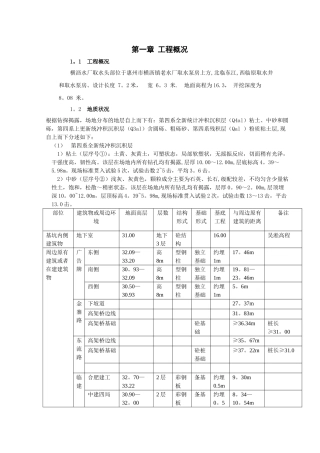
第一章 工程概况1。1 工程概况横沥水厂取水头部位于惠州市横沥镇老水厂取水泵房上方,北临东江,西临原取水井和取水泵房。设计长度 7。2 ...
湖南省沙坪建设有限公司洋湖垸公交站场—综合管理服务楼基坑支护及土方开挖方案 湖南省沙坪建设有限公司 洋湖垸公交站场工程项目部 2024...
宁德市宝信城市广场 23#楼地下室基坑支护及土方开挖施工专项方案(专家论证意见补充版)编制人:审核人:编制单位:福建泉州东海建筑有限公...
基坑支护、工程承包合同建设单位:承包单位:签订时间:建设单位(甲方):承包单位(乙方):依照《中华人民共和国合同法》、《中华人民共和...
湖南省沙坪建设有限公司洋湖垸公交站场—综合管理服务楼基坑支护及土方开挖方案 湖南省沙坪建设有限公司 洋湖垸公交站场工程项目部 2024...
天津市武清区农村污水综合治理 PPP 项目 基坑降水与支护专项方案 编制人:审核人 : 批准人 :甘肃大禹节水集团天津市武清区污水综合...
项目基坑支护及降水工程管理及技术要求目录1.工程概况....................................................................12 。 本工...
幸福家园 18#楼 基坑支护及土方专项施工方案建设单位:清原县永久房地产开发公司监理单位:抚顺建筑设计讨论院建筑监理公司施工单位:抚...
北京市第十水厂 A 厂项目土方、基坑支护及止水帷幕工程施工组织设计中国新兴建设开发总公司2024 年 5 月 21 日北京市第十水厂 A ...
基坑支护及土方开挖专项施工方案编制人:审核人:审批人:编制单位:编制日期:A2 施工组织设计(方案)报审表工程名称:****建设工程致:...
目 录1、编制依据........................................................................................................21 。 1...
编号:_____________基坑支护劳务分包合同甲 方:________________________________________________乙 方:___________________________...
目录1 编制说明 31.1 编制依据 Error: Reference source not found 1 。 2 编制原则 Error: Reference source not found...

