电脑桌面
添加小米粒文库到电脑桌面
安装后可以在桌面快捷访问

基坑支护安全文明施工

基坑支护安全文明施工_第1页
1/16
基坑支护安全文明施工_第2页
2/16
基坑支护安全文明施工_第3页
3/16
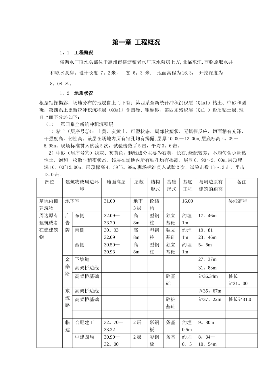
第一章 工程概况1。1 工程概况横沥水厂取水头部位于惠州市横沥镇老水厂取水泵房上方,北临东江,西临原取水井和取水泵房。设计长度 7。2 米, 宽 6。3 米. 地面高程为 16.3, 开挖深度为 8。08 米。1。2 地质状况根据钻探揭露,场地分布的地层自上而下有:第四系全新统计冲积沉积层(Q4al)粘土、中砂和圆砾,第四系上更新统冲积沉积层(Q3al)含圆砾、粗砾砂、第四系残积层(Qal )粉质粘土层,现自上而下分述如下:(1)第四系全新统冲积沉积层1)粘土(层序号①):土黄、灰黄土,可塑状态,局部软塑状,无摇振反应,切面稍有光泽,干强度高,韧性高。该层在场地内所有钻孔均有揭露,层厚 10.00~12.00m,层底标高 4。39~5.98m。现场标准贯入试验 5 次,试验击数 2~5 击,平均 3。6 击。2)中砂(层序号②)浅灰、灰黄色,颗粒成分主要为石英、长石,级配较差,不均匀含少量粘性土,饱和,松散~稍密状态。该层在场地内所有钻孔均有揭露,层厚 0。90~2。00m,层顶埋深 10。00~12.00m,层顶标高 4。39~5。98m,现场标准贯入试验 2 次,试验击数 13~13 击,平击13.0 击。部位建筑物或周边环境地面高层层数结构形式基础形式基底工程与周边原有建筑的距离备注基坑内侧建筑物地下室31.00地下3 层砼结构16.00吴淞高程周边原有建筑或者在建建筑物广告牌东侧32.09—33.20高8m型钢柱独立基础约埋1m17。46m南侧30。93—32.09高8m型钢柱独立基础约埋1m19。81—23。46m西侧30.50—30.93高8m型钢柱独立基础约埋1m5。6m金寨路下坡道27。37m高架桥边线31。83m高架桥基础砼基础≥36.34m桩长≥31。00东流路高架桥边线≥35。67m高架桥基础砼桩基础≥37。22m桩长≥31.0临建合肥建工32。70—33.222 层彩钢板条基约埋0.5m9。30m中建四局30.90—32。002 层彩钢板条基约埋0。58。34—10。54mm金寨路雨水管29.77—31.26¢1200约埋3。1—3。6m高架桥下金寨路污水管¢1000约埋4。5m高架桥下第二章 安全保证措施2.1 安全生产管理方针安全第一,预防为主。2.2 管理目标杜绝重大人身伤亡事故和机械事故,一般工伤事故频率控制在 1。5‰以下,确保安全生产。1、安全教育率为 100%。2、特别工种和安全管理的持证率为 100%.3、重大设备火灾事故为零.4、创建治理“四乱”不丢分。5、死亡事故为零、工作事故控制在全市最低.6、本工程确保安全无事故.2。3 安全管理体系安全管理体系包括安全管理组织机构、安全生产责任制和安全管理制度.本工程按...

1、当您付费下载文档后,您只拥有了使用权限,并不意味着购买了版权,文档只能用于自身使用,不得用于其他商业用途(如 [转卖]进行直接盈利或[编辑后售卖]进行间接盈利)。
2、本站所有内容均由合作方或网友上传,本站不对文档的完整性、权威性及其观点立场正确性做任何保证或承诺!文档内容仅供研究参考,付费前请自行鉴别。
3、如文档内容存在违规,或者侵犯商业秘密、侵犯著作权等,请点击“违规举报”。

碎片内容

基坑支护安全文明施工

阳光书坊+ 关注
实名认证
内容提供者

阳光书坊,传播未来

确认删除?
VIP
微信客服
  • 扫码咨询
会员Q群
  • 会员专属群点击这里加入QQ群
客服邮箱
回到顶部