附件 6:市 2024 年农村中央广播电视节目无线覆盖工程柴油发电机组验收报告一、 测试验收地点: 二、 参加测试人员:三、 测试验收...
XXXX 装饰工程施工质量记录表编号XX—XXX01--2024版本A编制:审核:批准:时间:页码1/17目录编号1. 顾客财产问题反馈表 JL-7.5-07-2024 2....
设备日常保养记录表 设备编号:WQJ001 设备名称:弯曲机 使用部门: 钢筋房 保养人:忠文保养项目频率2024 年 4 月备注123456789 ...
机械设备使用记录表----------------------- -----------------------日期:更多企业学院:《中小企业管理全能版》183 套讲座+89700 ...
机房卫生检查情况表机房一机房卫生检查情况表机房三星期一星期二星期三星期四星期五1、2 节10 信息 2 值日生:卫生:10 动漫值日生:...
XXX 年审记录XXXX 机动车检测XXXX 年 XX 月 XX 日XXXX 年度部审核计划第 1 页 共 1 页 注:√为审核要素 -为不涉与的要素编...
木模板制作检验批质量验收记录表编号:__________单位(子单位)工程名称分部(子分部)工程名称验收部位施工单位项目经理分包单位分包项目...
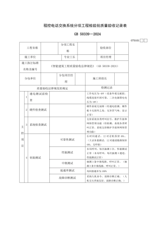
程控电话交换系统分项工程检验批质量验收记录表 GB 50339-2024 工程名称分项工程名称验收部位施工单位专业工长项目经理施工执行标准名...
大学嘉庚学院本科生毕业论文(设计)工作进度记录表学 生学 号所在专业指导老师职 称所属单位第一阶段:选题1.毕业论文(设计)常识性指...
料石面层检验批质量验收记录表GB50209-2024 030110单位(子单位)工程名称分部(子分部)工程名称验收部位施工单位项目经理分包单位分包项...
数控机床故障维修记录表表一:数控机床的型号故障出现日期故障/报警号可能引起故障原因及处理方法结果落地镗铣床YRTK65/1302024.12.21G54-G...
老师家访记录表老师班级六年级家访学生家访陪同人学生家庭住址家访时间学生在校表现该孩子在校表现较很好,上进心很强,学习成绩异,上课能...
芦台三小老师外出学习培训方案老师进展中心芦台三小老师外出学习培训方案一、指导思想:老师学习培训是不断提高队伍素养的重要途径,是完成...
挖掘机使用台班记录表记录:日 期时 段原 由备 注24kw 发电机使用台班记录表记录:日 期时 段原 由备 注10kw 发电机使用台班记录...
xxx 公司人员报到记录簿序号姓名报到时间部 门职 务工资卡卡号备注12345678
护理查房记录表查房时间15.07责任护士王洪查房者王元玲查房类型□ 医院□ 科参加人员王玉玲 红叶 培玉 王元玲 王洪 谭冬梅患者谷运...
找平层工程检验批质量验收记录表(Ⅷ) 单位(子单位)工程名称分部(子分部)工程名称验收部位施工单位项目经理分包单位分包项目经理施工执...
工程检验批质量检查记录表(通用)祁润波表 G1 编号:单位(子单位)工程名称 分部(子分部)工程名称验收部位施工单位项目经理分包单位...
房屋电装修工程质量验收记录表----------------------- -----------------------日期:裸母线、封闭母线、插接式母线安装分项工程质量验收...
恭城瑶族自治县人民医院戒烟门诊咨询记录使用时间: 年 月 日戒烟门诊咨询记录表编号咨询者咨询容掌握情况备注编号咨询者咨询容掌握情况...

