专题学案40新型化学电源的高考命题角度及其解题策略高考中的新型电池,有“氢镍电池”、“高铁电池”、“锌—锰碱性电池”、我国首创的“海...
化学电源教学目的:了解日常生活中常用的化学电源和新型化学电池教学重点:常用的化学电源的基本原理和电极式的书写教学过程:一、自学探究...
第二节化学电源●课标要求通过查阅资料了解常见化学电源的种类及其工作原理,认识化学能与电能转化的实际意义及其应用。●课标解读1.了解几...
第二节化学电源班级班级____________________姓名姓名____________________________学号学号____________学习目标:了解常见的化学电源的种...
高中物理课堂教学教课题电源和电流课型新授课(课时)教学(一)知识与技能1、了解电源的形成过程。2、掌握恒定电场和恒定电流的形成过程。...
学案38原电池化学电源[考纲要求]1.了解原电池的工作原理,能写出电极反应和电池反应方程式。2.了解常见化学电源的种类及其工作原理。知识点...
电除尘器高频脉冲电源及控制系统》项目总结报告项目类别:江苏省产学研前瞻性联合研究项目项目编号:BY2015070-08项目名称:电除尘器高频脉...
二、实验原理闭合电路欧姆定律U=E-Ir,式中U为路端电压,r为电源内阻,I为流过电源的电流,E为电动势,只要测得两组(I,U)值,列方程组:U...
1EnterpriseDevelopmentAnalysisReport企业发展分析报告深圳市科菱电源有限公司专业品质权威免责声明:本报告通过对该企业公开数据进行分析...
第1页共5页编号:时间:2021年x月x日书山有路勤为径,学海无涯苦作舟页码:第1页共5页肇庆理士电源科技有限公司清洁生产审核进度表阶段具体...
第1页共87页编号:时间:2021年x月x日书山有路勤为径,学海无涯苦作舟页码:第1页共87页UL1310Class2电源设备安全标准第2页共87页第1页共87...
天天向上独家原创《电源和电流》教学设计一、教材分析学生在学习了第一单元的静电场,对电场力做功,电势能的变化已经有了已经有了较深刻的...
第2页共8页编号:时间:2021年x月x日书山有路勤为径,学海无涯苦作舟页码:第2页共8页等离子体渗氮(辉光离子氮化)工艺作为一种有效的钢铁...
武汉虹信通信有限责任公司企业标准Q/WHXQ/WHXXX.XXX-20XX电源模块检验标准(征求意见稿)20××-××-××发布20××-××-××实施武...
IGBT整流型不间断电源技术规范书江苏省广电有线信息网络股份有限公司苏州分公司传输中心机房工程不间断电源设备(IGBT整流型)技术规范书IG...
不间断电源考试题一、填空题1.UPS是一种(交流)不间断电源。2.在市电停电时,UPS蓄电池通过(逆变器)继续向负载供电,保证负载用电不中断...
第1页共36页编号:时间:2021年x月x日书山有路勤为径,学海无涯苦作舟页码:第1页共36页数字化站用电源交直流一体化系统技术规范书第2页共3...
变电站照明配电箱、户内动力配电箱、户内检修电源箱、户外检修电源箱、户外动力箱、户外端子箱技术规范书中国南方电网有限责任公司2014年08...
第1页共46页编号:时间:2021年x月x日书山有路勤为径,学海无涯苦作舟页码:第1页共46页通信建设监理工程师培训班课程通信电源设备安装质量...
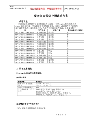
第1页共7页编号:时间:2021年x月x日书山有路勤为径,学海无涯苦作舟页码:第1页共7页爱立信IP设备电源改造方案1.改造背景本次改造涉及烟台...

