下载后可任意编辑制作户外广告牌合同标准范本甲方: 乙方: 签订地点: 签订时间: 合同编号: 下载后可任意编辑制作户外广告牌合同标...
下载后可任意编辑关于制作户外广告牌合同范本 5 篇 关于制作户外广告牌合同范本 5 篇关于制作户外广告牌合同范本(1)甲方: 乙方: ...
下载后可任意编辑企业广告牌制作合同合同主体信息合同签订日期:[日期]甲方(委托方):[企业名称]乙方(制作方):[广告牌制作公司名称]合...
下载后可任意编辑20XX 度商场内广告牌制作合同甲方: 乙方: 签订地点: 签订时间: 合同编号: 下载后可任意编辑2024 度商场内广告...
1 河北保定高速公路钢结构 广告牌工程 施工承包合同 甲方: 乙方: 签订地点:河北·石家庄 日期:2012 年 月 日 2 建设工程施...
1 目录 一、施工方案 ..................................................... 2 二、施工进度计划及保证措施 ........................
高东收费口广告牌 制作安装 施 工 组 织 设 计 方 案 建设单位:上海庆余广告公司 制作单位:上海彩法霓虹灯广告制作有限公司 ...
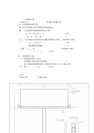
一、风荷载计算1、标高为:Z=10 M处风荷载计算(1). 风荷载标准值计算: Wk: 作用在幕墙上的风荷载标准值(kN/m 2) μ f=0.5×(Z/10)-0....
广告牌施工组织设计方案 优选文档 1 施工组织设计 1、编制目的及依照 1.1、编制目的 本 施工组织设计编 制 的 目 的 是 : ...
1 施工组织设计 1、编制目的及依据 1.1、编制目的 本 施 工 组 织 设 计 编 制 的 目 的 是 : 提供较为完整的纲领性技...
第 1 页 共 33 页 广告牌施工方案三篇 篇一:广告牌施工方案 施工组织 施工组织主要从确定项目人员组织机构和项目管理班子出发,...
广告牌招标文件
地铁16 号线工程 (稻香湖路站) 基坑东侧广告牌改移施工方案 编制人: 审核人: 审批人: 北京华丽风尚广告有限公司 2014 年 07...
1 一、施工方案 1、编制目的及依据 1.1、编制目的 确保优质、高效、安全、文明地完成该工程的建设任务。 1.2、编制内容 本 施 工 ...
广西综路传媒集团有限公司 高杆广告牌制作安装工程 (×××××(××往××)) 工 程 竣 工 资 料 编 制日 期 : ×××年...
户外广告制作安装工程 质 量 评 估 报 告 编 制 单 位:贵州建工监理咨询有限公司 编 制 人: 总 监: 编 制 日 期:20...
一 , 广 告 牌 制 作 1. 生 产 准 备 根 据 施 工 图 纸 所 注 明 材 料 , 采 用 相 应 的 钢 材 , ...
二 , 广 告 牌 制 作 1. 生 产 准 备 根 据 施 工 图 纸 所 注 明 材 料 , 采 用 相 应 的 钢 材 , ...
广告牌安装工程保障方案 5.3.1服务质量保障措施 全方位、全过程为用户提供“至诚至信的完美服务、百分之百的用户满意的服务”是我公司的...
广告牌制作服务质量保障方案 全方位、全过程为用户提供“至诚至信的完美服务、百分之百的 用户满意的服务”是我公司的企业宗旨,是工程项...

