电脑桌面
添加小米粒文库到电脑桌面
安装后可以在桌面快捷访问

广告牌结构计算

广告牌结构计算_第1页
1/16
广告牌结构计算_第2页
2/16
广告牌结构计算_第3页
3/16
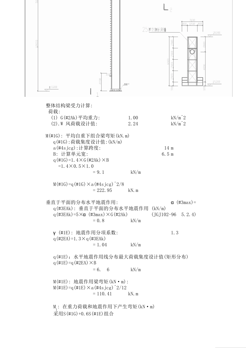
一、风荷载计算1、标高为:Z=10 M处风荷载计算(1). 风荷载标准值计算: Wk: 作用在幕墙上的风荷载标准值(kN/m 2) μ f=0.5×(Z/10)-0.16=0.50 β gz=0.89×(1+2μ f)=1.78 μ z: Z(m)高处风压高度变化系数(按B类区计算): (GB50009-2001) μ z=(Z/10)0.32 =1.00 风荷载体型系数μ s=1.2 Wk=β gz×μ z×μ s×W0 (GB50009-2001) = 1.60kN/m2(2). 风荷载设计值: W: 风荷载设计值: kN/m2 rw: 风荷载作用效应的分项系数:1.4 按《建筑结构荷载规范》GB50009-2001 3.2.5 规定采用 W=rw×Wk=2.24kN/m2二.内力结构计算: (中横向ZHL) β gz: Zm高处阵风系数(按B类区计算):整体结构梁受力计算: 荷载: (1) G(#2Ak)平均重力:1.00kN/m^2 (2).W 风荷载设计值:2.24kN/m^2M(#1G): 平均自重下组合梁弯矩(kN.m) q(#1G):荷载集度设计值:(kN/m) a(#4sjcg):计算跨度: 14 m B: 计算单元宽:6.5 m q(#1G)=1.4×G(#2Ak)×B =1.4×0.5×1.0 = 9.1 kN/m M(#1G)=q(#1G)×a(#4sjcg)^2/8 = 222.95kN.m垂直于平面的分布水平地震作用:α (#3max)= q(#3EAk): 垂直于平面的分布水平地震作用 (kN/m) q(#3EAk)=5×α (#3max)×G(#2Ak) (JGJ102-96 5.2.4) = 0.8 kN/m γ (#1E): 地震作用分项系数: 1.3 q(#2EA)=1.3×q(#3EAk) = 1.04 kN/m q(#1E):水平地震作用线分布最大荷载集度设计值(矩形分布) q(#1E)=q(#2EA)×B = 6.76 kN/m M(#1E): 地震作用梁弯矩(kN·m): M(#1E)=q(#1E)×a(#4sjcg)^2/12 = 110.41kN.m M1: 在重力荷载和地震作用下产生弯矩(kN·m) 采用S(#1G)+0.6S(#1E)组合 M1=M(#1G)+0.6×M(#1E) = 289.20kN.m风荷载线分布最大荷载集度设计值(矩形分布) q(#1w): 风荷载线分布最大荷载集度设计值(kN/m) r(#1w): 风荷载作用效应的分项系数:1.4W(#1k): 风荷载标准值: 1.60kN/m2 B: 计算单元宽: 1 q(#1w)=1.4×W(#1k)×B =2.24kN/mq(#1w): 风荷载线分布最大荷载集度设计值: 2.24 a’(#4sjcg):计算跨度:14 m M(#1w)=q(#1w)×a’(#4sjcg)^2/8 =54.95 kN.m N(#1w): 风荷载对横梁端的集中力设计值(kN) N(#1w)= q(#1w)×a’(#4sjcg)/2 =61.62kN 钢管(¢500×12)横梁强度校核1.刚度计算:A: D500X12钢管截面积: d=D-t=48.8=45.97cm^2γ : 塑性发展系数: 1.0i: 回转半径: I=0.35d=17.08 cm λ : 构件细长比 L0: 钢管杆计算长度:7.00 mλ =L0×...

1、当您付费下载文档后,您只拥有了使用权限,并不意味着购买了版权,文档只能用于自身使用,不得用于其他商业用途(如 [转卖]进行直接盈利或[编辑后售卖]进行间接盈利)。
2、本站所有内容均由合作方或网友上传,本站不对文档的完整性、权威性及其观点立场正确性做任何保证或承诺!文档内容仅供研究参考,付费前请自行鉴别。
3、如文档内容存在违规,或者侵犯商业秘密、侵犯著作权等,请点击“违规举报”。

碎片内容

广告牌结构计算

小辰8+ 关注
实名认证
内容提供者

出售各种资料和文档

确认删除?
VIP
微信客服
  • 扫码咨询
会员Q群
  • 会员专属群点击这里加入QQ群
客服邮箱
回到顶部