技术交底记录JS08交底部位广场内、外墙砌筑工序名称砌体工程交底提要:加气砼砌块、过梁、圈梁交底内容:一、施工准备:(一)材料1.砌块品...
外墙保温施工方案目录一、工程概况-------------------------------------------------------------------------------1二、施工安排------...
机场第二物流中心外墙修缮工程施工方案编制单位:编制日起2017年8月14日目录一、工程概况-----------------------------------------------...
目录1.编制依据.......................................................................................................................
涂料饰面外墙保温系统工程施工方案目录一、编制依据二、工程概况三、施工准备工作四、施工部署五、施工工艺流程六、工程验收附录一、编制依...
提高外墙抹灰一次施工合格率十四冶建设集团云南第三建筑工程有限公司四分公司云锗项目部QC小组一、工程概况本工程位于云南省昆明高新技术开...
某办公楼外墙翻新施工组织设计一、编制说明本施工组织设计作为我公司主导施工的依据,对目标工期、工程质量、项目管理机构设置、施工进度计...
目录1、编制依据.............................................................................12、工程概况及设计说明...................
目录第一章工程概况及特点.........................................................................................................2...
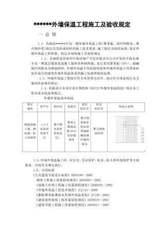
******外墙保温工程施工及验收规定一总则1.1、为规范******半岛一期外墙外保温工程(聚苯板、玻纤网格布、聚合物砂浆)做法及其组成材料的施...
外墙粘瓷砖施工方案一、工程概况:本工程为山西福裕选煤有限公司选煤厂所有外墙瓷砖粘贴工程,选煤办公楼外墙粘贴200×4000铁灰色瓷砖、事...
1、本表由施工单位填写,交底单位与接收单位各存一份。2、做分项工程施工技术交底时,应填写“分项工程名称栏”,其他技术交底可不填写。技...
一、概述1、工程概况工程名称:外墙发泡水泥保温施工工程建设地点:工程范围:图纸包含范围内的保温采用固定全费用单价报价,包工包料施工...
学校外墙宣传标语【篇一:小学校园墙体标语集锦】小学校园墙体标语集锦关心学生,我们的职责;爱护学生,我们的义务。促进人发展人塑造人学...
外墙石材幕墙工程质量标准工法示范总经办黄世华制作20XX年6月30日第一版前言外墙干挂石材以以其独特的风格、高雅亮丽的外形而备受推崇,以...
LOGO江泰·天宇国际外墙装饰工程广东大潮建筑装饰工程有限公司目录1设计说明1设计说明1设计方案细节处理2造价的控制方法3节能环保设计的应...
外墙石材幕墙工程质量标准及安装工艺工法示范前言外墙干挂石材以以其独特的风格、高雅亮丽的外形而备受推崇,以其庄严肃穆、古朴典雅、雄伟...
中铁十六局集团有限公司外墙保温装饰一体板施工工法江苏中南建筑产业集团有限责任公司周雪中铁十六局集团有限公司一、前言1.1外墙保温装饰...
中铁十六局集团有限公司外墙保温装饰一体板施工工法江苏中南建筑产业集团有限责任公司周雪中铁十六局集团有限公司一、前言1.1外墙保温装饰...
台湾省一级注册建筑师考试辅导:外墙隔热措施考试试卷本卷共分为2大题50小题,作答时间为180分钟,总分100分,60分及格。一、单项选择题(...

