外墙涂料工程施工及验收法律规范发布时间:2025.05.27 新闻来源:浏览次数:第一节 进场准备1.1、在进场前半个月准备施工用材料、工具和施...
一、外墙涂料工程本工程外墙采纳 1 贫多乐士外墙晴雨漆,具体操作规程如下:1. 材料要求(1)材料技术性能要求a、确认选定的涂饰材料必...
外墙涂料施工技术标准页码:1适用范围本技术标准适用于成都万科所有项目外墙涂料招投标及现场施工指导。2依 据2.1 除另有注明外,本工程...
一、外墙涂料工程本工程外墙采纳 1 贫多乐士外墙晴雨漆,具体操作规程如下:1. 材料要求(1)材料技术性能要求a、确认选定的涂饰材料必...
外墙涂料吊绳施工方案(18页)Good is good, but better carries it.精益求精,善益求善。***建设项目外墙涂饰工程专项施工方案编 制...
易门南屯湖生态旅游园一期外墙涂料施工方案XX 华升建筑工程乂乂易门南屯湖项目部2025 年 8 月 20 日施工方案报审表工程名称:易门南...
外墙涂料喷涂施工方案及工艺方法一、施工工艺流程墙面基层处理 T 弹线、分格、粘条 T 拌制面层材料 T 喷涂面层 T 起分格条 T 勾...
外墙水刷石施工方案水刷石饰面是一项传统的施工工艺,它能使墙面具有天然质感,而且色泽庄重美观,饰面坚固耐久,不褪色,也比较耐污染,其...
甘肃兰州中石油外墙涂料劳务协议发包人(全称简称甲方): 承包人(全称简称乙方): 根据《中华人民共和国合同法》、《中华人民共和国建...
涂料供货合同订货方(以下简称甲方):上海 业誉贸易 有限公司 供货方(以下简称乙方):上海阜欣实业有限公司 甲乙双方依照《中华人民...
外墙水泥砂浆抹面施工方案及工艺方法一、施工工艺清理基层 T 墙面浇水 T 外墙护角及墙面做坍饼拉线 T 嵌条 T 括底糙 T 做面层 T...
外墙无机砂浆保温系统施工方案1、基层处理及抹灰砂浆1 )基层墙体应符合《混凝土结构工程施工质量验收法律规范》(GB50204-22)和《砌体工...
方案四汇合团**** ****2 栋商业(办公)楼外墙氟碳漆施工方案编制单位:审核:方案四汇合团第一章:概述---------------------------------...
外墙文化石施工工艺和施工方法1、工艺流程:基层清理 T 放线 T 拌粘贴料 T 排砖 T 镶贴文化石 T 专用勾缝剂勾缝 T 养护 T 检...
金红叶纸业(天津)有限公司增资扩建项目生产楼外墙面保温施工方案编制人:审核人:批准人:编制单位:天津市塘沽区渤海建工有限公司编制日...
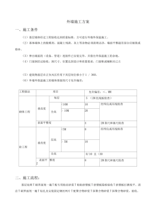
外墙施工方案一、施工条件(1)基层墙体经过工程验收达到质量标准,方可进行外墙外保温施工。(2)基体墙体上的脱模剂、混凝土残渣、灰土等...
中山路(江东段)综合整治项目建筑立面整治工程 外 立 面 整 治 专 项 施 工 方 案宁波市政工程建设集团股份有限公司2025 年 3...
外墙抹灰施工工艺1.1.施工工艺流程墙面基层清理、浇水润湿 i 堵门窗及脚手 吊垂直、套方、找规矩、.眼、空间抹灰饼、充筋、、、 ;1.2 ...
一、工程概况工程概况。。。。。。本工程楼体外墙大面积采纳挤塑聚苯乙烯泡沫板为主要保温隔热材料,以粘、钉结合方式与墙身固定,抗裂砂浆复...
外墙悬挑脚手架工程一、外墙悬挑脚手架的搭设方案本工程地上部格外脚手架采纳全封闭悬挑双排外脚手架,计划在一层顶平面开始设槽钢悬挑并钢...

