第1页共40页编号:时间:2021年x月x日书山有路勤为径,学海无涯苦作舟页码:第1页共40页建筑材料抽样检测标准建筑材料抽样检测标准一.砼用...
第1页共74页编号:时间:2021年x月x日书山有路勤为径,学海无涯苦作舟页码:第1页共74页1总论1.1建设项目简介海东县吉利耐火材料有限公司成...
第169页共7页编号:时间:2021年x月x日书山有路勤为径,学海无涯苦作舟页码:第169页共7页建筑材料放射性现场检测项目完成人员:徐锴陆逊周...
第1页共22页编号:时间:2021年x月x日书山有路勤为径,学海无涯苦作舟页码:第1页共22页土木工程材料习题集与参考答案名词解释1、堆积密度...
第1页共53页编号:时间:2021年x月x日书山有路勤为径,学海无涯苦作舟页码:第1页共53页建筑材料抽样检测标准一.砼用砂:1.执行标准:JGJ...
6.1公司管理制度岗位责任制1董事长职责1)认真贯彻执行国家的有关法律、法规和方针政策,履行法定代表人的职序号管理制度名称1岗位责任制2...
一.砂1.执行标准:JGJ52-92《普通砼用砂质量标准及检验方法》2.检验批次:应以在施工现场堆放的同产地,同规格分批验收,以400立方米或6...
第1页共120页编号:时间:2021年x月x日书山有路勤为径,学海无涯苦作舟页码:第1页共120页广西建设工程质量检测和建筑材料试验收费项目及标...
第1页共42页编号:时间:2021年x月x日书山有路勤为径,学海无涯苦作舟页码:第1页共42页实验作业指导书一、水泥标准稠度用水量检测实施细则...
第1页共83页编号:时间:2021年x月x日书山有路勤为径,学海无涯苦作舟页码:第1页共83页1.材料在水中吸收水分的性质称为________。A、吸水...
0《建筑材料》课程/项目教案(指导性模板Ver1.0版本)课程代码:课程负责人课程团队课程类别课程类别:基础必修()专业必修()公共选修(...
第1页共8页编号:时间:2021年x月x日书山有路勤为径,学海无涯苦作舟页码:第1页共8页常用建筑材料见证取样结合监理培训学习要求和原四川省...
第1页共18页编号:时间:2021年x月x日书山有路勤为径,学海无涯苦作舟页码:第1页共18页建筑材料工业“十二五”发展指导意见中国建筑材料联...
目录第一章建筑材料基本性质...........................................................................................................
第53页共11页编号:时间:2021年x月x日书山有路勤为径,学海无涯苦作舟页码:第53页共11页《建筑材料》教学大纲一、课程名称:《建筑材料》...
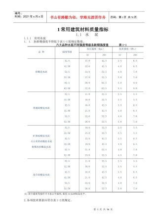
第1页共76页编号:时间:2021年x月x日书山有路勤为径,学海无涯苦作舟页码:第1页共76页1常用建筑材料质量指标1.1水泥1.1.1常用水泥1.1.各...
《建筑材料与检测》实训报告书适用专业:建筑相关专业实训时间:一周实训地点:建材实验室起草人:林丽娟班级:建工10-1、2实验人员:第1页...
第1页共8页编号:时间:2021年x月x日书山有路勤为径,学海无涯苦作舟页码:第1页共8页常用建筑材料见证取样结合监理培训学习要求和原四川省...
建筑材进场料样品封样管理表杭州捍联项目建筑材料进场样品封样管理作业指导书编制审核批准日期日期日期修订记录日期修订状态1.目的为了进一...
第1页共9页编号:时间:2021年x月x日书山有路勤为径,学海无涯苦作舟页码:第1页共9页做试题,没答案?上自考365,网校名师为你详细解答!浙江...

