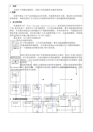
1 目的目的在于明确传递特性,以便于对传递特性实施有效控制。2 范围本程序规定了对产品质量起决定作用的,传递特性进行识别、确定的方法...
采纳天底准直法传递标高: 天底准直法是使用能测设天底方向的仪器,进行竖向投测,也叫俯视法。 采纳仪器: 垂准经纬仪。 自动天底准直...
编号顾客抱怨通报制度页码1/211. 目的通过质量问题的有效传递,确保相关责任部门及责任人能及时知晓质量状况,并能及时有效的实行措施,...
基坑高程传递示意图
供应链风险传递及控制讨论摘要:近几年来供应链风险爆发带来得灾难性后果,使供应链风险传递成为迫切讨论课题。目前文献对供应链风险讨论颇多...
不锈钢传递窗的性能基本要求不锈钢传递窗作为干净室的一种辅助设备,主要用于干净区与干净区、非干净区与干净区之间的小件物品的传递,以减...
践行核心价值观传递正能量思想汇报尊敬的党支部: 大力践行社会主义核心价值观,做传递"正能量"的使者。谈几个问题: 一、理解社会主义核...
爱的传递-五月工作总结 这是一篇关于月工作总结的范文,可以提供大家借鉴! 四月,草长莺飞,桃花灼灼,初夏时节,各色野花都开了,红的...
正能量传递励志演讲【五篇】没有正能量,生命的动力便荡然无存;没有正能量,生命的美丽便杳然西去。以下是 xx 为你整理的传递正能量励志...
江苏建科建设监理有限公司新世界中心平面控制网竖向传递的监理实施细则新世界中心工程高达 160M,且钢骨混凝土柱中的钢柱安装精度与钢结构...
拒绝冷漠传递温暖作文篇一:作文例文:拒绝冷漠 拒绝冷漠 翻卷的浪花,让大海不再冷漠,涛声传递着欢声笑语;沥沥的雨水,让大地不再冷漠...
把梦想传递下去作文2025-04-16 为何梦想总是被保留?那一个个心的窜接,为何总是埋藏在心灵深处?其实梦想也需要传递,像感情,传递后才能...
广东海事“廉政火炬传递”活动正式启动广东海事“廉政火炬传递”活动正式启动 4 月 18 日,以“廉政火炬驻我家,平安人生你我他”为主...
古代人传递信息的小故事【烽火传军情】 烽火是我国古代用以传递边疆军事情报的一种通信方法,始于商周,延至明清,相习几千年之久,其中尤...
传递青春实现中国梦演讲稿第一篇青春是一首激昂的诗歌,磅礴有力,鼓舞人们发奋图强。青春是一首轻快的歌谣,轻松愉悦,令人心旷神怡。青春...
传递窗验证方案Validation protocol of the delivery windows 编号 Code: 版本 Version: 编写 Prepared by:日期 Date:审 ...
企业网络营销信息源类别及传递渠道调查1、实践流程(1)选择本人家乡所在区县的 5-10 家企业网站,建议选择知名企业或当地政府、学校等机...
《榜样》观后感:传递前行的力量《榜样》观后感:传递前行的力量中央电视台综合频道 10 月 26 日晚 8 点黄金档,《榜样》如期而至。...
BP 网络常用传递函数:BP 网络的传递函数有多种。Log-sigmoid 型函数的输入值可取任意值,输出值在 0 和 1 之间;tan-sigmod 型传递...
2025 传递雷锋精神的志愿者演讲稿材料 有一种精神叫做奉献,雷锋精神就是一种具有奉献精神的力气,身为一名志愿者,希望会有更多的人参加...

