附录三:变电站记录格式运行工作记录(常规站、无人站操作班)值班时间年月日时分至无事故:天年月日时分无责任事故:天当值人员值班长:主...
变电站运行管理制度一、值班制度1.值班人员应按上级批准的值班方式值班,如需变更,应经上级批准。2.在值班时间内,应坚守工作岗位,不许擅自离...
UPS教程北京开元浩海科技发展有限公司目录序言..........................................................................................
JAQB4变电站工程监理项目部专项现场应急处置方案XXXXX110kV输变电工程监理项目部专项现场应急处置方案1XXXXX110kV输变电工程监理项目部2014...
干河35kV变电所应急预案生产经理:安全经理:副总工程师:生产技术部:安全监察部:调度:审核:编制:白志玲北村供电站目录干河35KV变电所...
变电站一次部分设计与开发一、展开接线图中的回路编号二次安装接线图是供二次回路安装用的施工图纸。如果控制屏以及继电保护屏是由制造厂配...
变电站一次设备的基本工作原理一:高压断路器(开关)高压断路器是电力系统中改变运行方式,开合和关闭正常运行的电路能开断和关合负荷电流...
变电站钥匙管理规定1钥匙的分类变电站内钥匙按照其使用功能分为:防误闭锁类、生产设备类、生产辅助类、生活设施类共四类。其中:1.1防误闭...
变电站验收规范电力工程有限公司年月1/181.端子箱、机构箱:1)箱体整齐无锈蚀。2)电缆排列整齐,端子压接规范无受力。3)端子箱封堵符合要求...
附件:蓄电池容量计算一、站内负荷统计1、保护、控制、监控系统负荷统计:序号设备单位数量直流负荷(W)1110kV线路保护测控屏面44×2×50=...
蓄电池组更换施工工艺及方案蓄电池组更换施工工艺及方案.................................................................................
电力技术变电站蓄电池的运行与维护08-04-2915:19:07作者:巩晓昕郝伟兵摘要:该文章从蓄电池的结构、原理出发,及对蓄电池的性能指标、对阀...
变电站消防应急预案为保护人员及财产的安全,结合变电站实际情况,特制定此预案:一、应急指挥部总指挥:副总指挥:现场指挥:指挥部全体成...
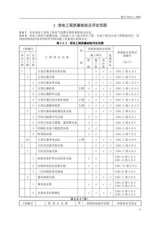
DL/T5161.1-20023变电工程质量检验及评定范围3.0.1本章适用于变电工程电气装置安装质量检验及评定。3.0.2变电工程电气装置安装,应按表3.0...
朝阳八棱观220kV开关站新建工程现场应急处置方案施工单位(盖章)2016年8月25日批准:(企业技术负责人)年月日审核:(公司工程技术部门)...
变电站物品定置管理标准(试行)第一条工器具及材料类:一、操作工器具类1、物品摆放原则:(1)每件操作工具均要贴标识,并存放在专用橱柜...
35kV变电站新增五防系统技术规范书生产设备管理部2015年3月目录1总则...............................................................22...
220KV降压变电所设计综述作者:指导老师:摘要:电能的开发和利用,是人类征服自然过程中所取得的具有划时代意义的光辉成就。它消除了黑夜...
电力研究院变电站温度测量就地和远传显示不一致原因分析及解决措施第1页共13页电力研究院变电站温度测量就地和远传显示不一致原因分析及解...
变电站微机监控实训任务书指导教师:李子剑(副教授),刘景霞(副教授)一、目标和任务变电站微机监控实训是电气自动化专业的实践环节。通...

