副本医院病房楼空调系统运行、维护保养投标文件技术标标书编号:工程名称:医院病房楼投标内容:空调系统运行、维护保养投标人:有限公司(...
中央空调系统综合服务方案服务商:陕西鑫中环环境工程有限公司技术服务人及电话:严勃18740447761目录第一部分一、服务商简介二、服务商技...
中央空调系统维护保养方案中央空调经过长时间运行后空调冷冻水系统,制冷主机及风机散热盘片不可避免的出现了水垢、锈蚀、细菌和粉尘问题将...
中央空调系统操作员国家职业标准1、职业概况1.1职业名称中央空调系统操作员1.2职业定义从事中央空调系统的运行、维护、检修、管理的人员1.3...
8.1汽车空调概述1、衡量汽车空调质量的指标(1)温度调节是空调系统里最重要的指标。空调应控制车内温度夏天在25℃,冬天在18℃。(2)湿度...
空调系统调试与运行第二章空调系统的测定与调整第一节空调系统试运行与调试执行标准与规范空调系统试运行与调试是实现系统由静到动,最终实...
目录第一章前言.......................................................................................................................
第十章空调系统的运行调节第十章空调系统的运行调节主要内容第一节室外空气状态变化时的运行调节1第二节室内热湿负荷变化时的运行调节23第...
空调制冷大市www.hvacr.cn上海某超高层建筑空调系统调试方案业主:*****************设计单位:*****************机电顾问:**************...
VAV变风量空调系统介绍项目发展部2目录VAV变风量空调系统概念VAV变风量空调系统特点VAV变风量空调系统构成VAV变风量空调系统控制...
中央空调系统运行管理规程1.目的规范中央空调系统运行管理工作,确保中央空调系统正常运行,为用户提供满意服务。2.适用范围公司所辖物业...
“湘水郡”物业项目中央空调系统运行管理方案市观澜湖物业服务2015年4月目录一、中央空调系统运行管理方案前言⋯⋯⋯⋯⋯⋯⋯⋯⋯⋯⋯⋯⋯...
中央空调系统运行管理方案(制冷)“湘水郡”物业项目中央空调系统运行管理方案长沙市观澜湖物业服务有限公司20XX年4月1目录一、中央空调系统...
.精选文档中央空调系统设备维护保养规程1.0目的规范中央空调系统设备设施维修保养工作,确保空调系统正常运行。2.0适用范围适用于豪逸御华...
.精选文档“湘水郡”物业项目中央空调系统运行管理方案长沙市观澜湖物业服务有限公司2015年4月.精选文档目录一、中央空调系统运行管理方案...
中央空调系统1第一章水冷螺杆冷水机组+末端系统主要特点:1、需要专用机房;2、需要冷却塔等复杂的冷却水系统;3、冬季供暖需要额外的热源...
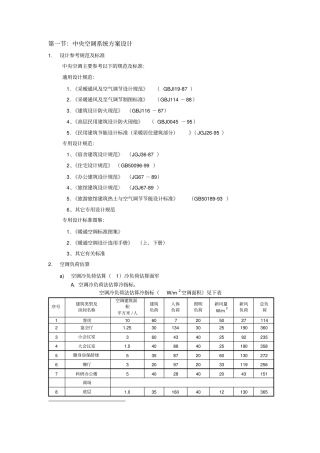
第一节:中央空调系统方案设计1.设计参考规范及标准中央空调主要参考以下的规范及标准:通用设计规范:1.《采暧通风及空气调节设计规范》...
中央空调系统计费能量表计费方式简要说明1.能量表能量表由积分仪、流量传感器、配对温度传感器三部分组成。根据能量守恒原理,中央空调对...
范文范例指导参考word版整理KT仟亿中央空调系统节能控制系统设计方案北京仟亿达科技有限公司范文范例指导参考word版整理1概述国家“十一五...
------------word文档可编辑-------------中央空调系统水处理投标书中央空调系统水处理目的:中央空调冷却循环水长期使用会发生结垢,腐蚀...

