暖通空调系统设计手册目 录第一章 设计参考规范及标准.................................................................................
。。1 农村户用光伏带动地源热泵空调系统简析目前在边远地区和经济不发达地区的农村,居民采暖问题迫切需要改善。解决农村的采暖问题应是...
xx 公司综合办公楼空调系统工程施工组织设计第一章 编制依据1.1 施工方案依据 本施工组织设计依据国家现行规范、标准,以及我公司按照...
111111111 中央空调系统工程施工组织设计一 、工程情况综述1、工程基本概况工程名称:111111111 办公楼中央空调系统工程内容:空调设备...
海量暖通资料免费下载目录1.编制说明41.1招标文件................................................................41.2设计图纸........
单位工程施工组织设计、施工方案(无表式)工程名称:XX广场中央空调系统工程工程地点:施工单位:编制单位:编制人:编制日期:审批负责人...
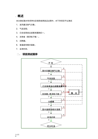
专业资料、概述本次测试是对车间净化空调系统再验证过程中,对下列项目予以测试1.送风量及换气次数;2.气流流型;3.已安装高效过滤器泄...
空调系统的电气控制详解目录•空调系统概述•空调系统的电气控制原理•空调系统的电气元件•空调系统的电气控制电路•空调系统的节能控制技...
空调系统基本知识课件•空调系统的基本构成•空调系统的原理与运行•空调系统的维护与保养•空调系统的节能与环保•空调系统的发展趋势与未...
空调系统CAE分析课件REPORTING目录•空调系统CAE分析概述•空调系统的物理模型建立•空调系统的数学模型建立•空调系统的CAE分析方法•空调...
空调系统的运行调节分析课件•空调系统概述•空调系统的运行调节原理•空调系统的节能运行调节•空调系统的运行调节优化•空调系统的维护与...
1.概述汽车空调系统,通过调节车厢内的的空气温度、湿度、流速、清洁度,可有采暖、初霜、初雾、制冷、除湿、通风、进气过滤等功能,是提高...
空调专业程保进联系电话:18911279881邮箱:chengbaojin6666@163.com中央空调系统的运行管理是现代物业设施管理的一个重要组成部分。中...
汽车空调系统主讲人:学习目标熟悉汽车空调系统的基础理论和知识;掌握汽车空调系统的结构和工作原理;了解汽车空调的取暖与配气系统...
制冷空调系统安装维修工国家职业技能标准1职业概况1.1职业名称制冷空调系统安装维修工1.2职业编码6-29-03-051.3职业定义使用通用和专用工具...
中央空调系统培训中央空调系统培训培训内容简介中央空调系统分类中央空调系统分类中央中央空调系统组成(含主要系统工作原理)空调系统组成...
汽车空调第七章汽车空调系统的检修与维护汽车空调汽车空调第七章汽车空调系统的检修与维护汽车空调系统的检修与维护汽车空调第七章汽车空调...
汽车空调系统的维护与保养汽车空调结构1、压缩机2、冷凝器3、蒸发器4、空调管路5、电气线路压缩机压缩机的安装支架不得松动。...
1、夏季室温降不下来的主要原因可能是()A、送风量不足B、送风量过大C、送风温度偏低D、室内负荷小于设计值2、风管中气流声偏大,可以采取()...
汽车空调技术交流目录汽车空调概述Page1通风系统介绍Page4控制系统介绍Page15汽车空调装置介绍Page18汽车空调安全因素Page38汽车空调系统设...

