吊友们都知道吊车最重要的就是底盘+上装,吊臂是上装部分重要的工作部件,吊车大臂的质量直接影响到整车的起吊性能。下面小编就带大家揭秘...
山东宁建建设集团有限公司二0一一年十一月二十七文体中心后续工序后续工序:1、室外工程1)回填土(3:7灰土、挡土砖墙)2)外墙防水3)散水...
**门业有限公司生效日期版本A/0文件名称钢木门操作流程工艺文件编号页数1/24第五代钢木质门操作流程工艺、技术要求第五代钢木质门操作流程...
减震防滑落型硅片工序周转手推车
2.花岗岩加工工序花岗岩加工的主要工序:锯割加工、研磨抛光、切断加工、凿切加工、烧毛加工辅助加工及检验修补。(1)锯割加工:是用砂据...
AA3.53.5工序质量报验单工序质量报验单((通用通用))工程名称:尚湖镇2010年污水收集管网工程(二)标二编号:A3.5—致:苏州建设监理有限...
装饰有关工序说明序项目名称基本工序及工艺及用料备注一基础工程1总则2拆除工程安全3砌墙A:以轻质砖水泥灰沙砌墙厚度分12CM;B:以轻质砖水泥...
涂装水洗工序的工艺要点作者:王锡春,李文刚(中国第一汽车集团公司,长春130011)涂层早期起泡(耐水、耐潮湿性极低)、漆膜下锈蚀的主要原因...
中太建设集团股份有限公司寰宇天下B05-3地块重要工序验收计划施工单位:监理单位:建设单位:重要工序验收计划楼栋分部分项工程计划验收时...
第四节、现制水磨石地面施工方法一.1.房间分格原则:房间短边小于8m的房间,水磨石分格为800*800~1000*1000左右,短边超过8m的房间,水磨...
运料工序中人的不安全(不规范)行为导致的伤害及针对性措施一、皮带运料1、运料前,没有对皮带的完好情况进行检查,造成断皮带等事故。(...
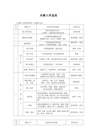
关键工序监控1关键工序的控制内容、措施及方法序号关键工序控制内容及措施控制方法1施工组织设计审查方案的可行性、合理性、完整性提出修改...
胶辊制作工序(2013/08/1914:36)浏览字体:大中小多年来,胶辊生产由于产品的不固定性、尺寸规格的多样性,使工艺设备的机械化、自动化成为...
《纺纱技术》习题答案原料的选配与混合什么是配棉?配棉的目的是什么?配棉的依据是什么?配棉就是合理选择各种原料搭配使用,充分发挥不同...
附件2:药包材生产各工序洁净度要求一、原则(一)、药包材生产企业可以根据产品的分类和用途确定相应洁净度级别,洁净级别的设置应遵循与所...
合成工序开车方案与操作规程编写:狄伟峰朱峻峰王芳审核:审定:批准:1、岗位任务本工序的任务是将压缩机岗位送来的工艺合成气,在一定温...
水泥混凝土垫层报验申请表工程名称:庭宜小区编号:致:贵州百盛监理有限公司(监理单位)我单位已完成5#楼ZK30、ZK32、ZK33、ZK35~ZK38、Z...
移梁工序作业指导书《移梁工序作业指导书》主要包括以下内容:目录1、概述................................................................
□□□□□[2018]□□□□□□□□□□□□□□□□□□□□□□□□□□□□□□□□□2017叮叮叮口3□□□□□□□□□0+000-4+029U□□...
-1-工业涂装工序挥发性有机物(VOCs)排放量计算方法工业涂装工序挥发性有机物(VOCs)排放量计算方法编辑整理:尊敬的读者朋友们:这里是精品文...

