电脑桌面
添加小米粒文库到电脑桌面
安装后可以在桌面快捷访问

药包材生产各工序洁净度要求-SVIP免费

药包材生产各工序洁净度要求-S_第1页
1/11
药包材生产各工序洁净度要求-S_第2页
2/11
药包材生产各工序洁净度要求-S_第3页
3/11
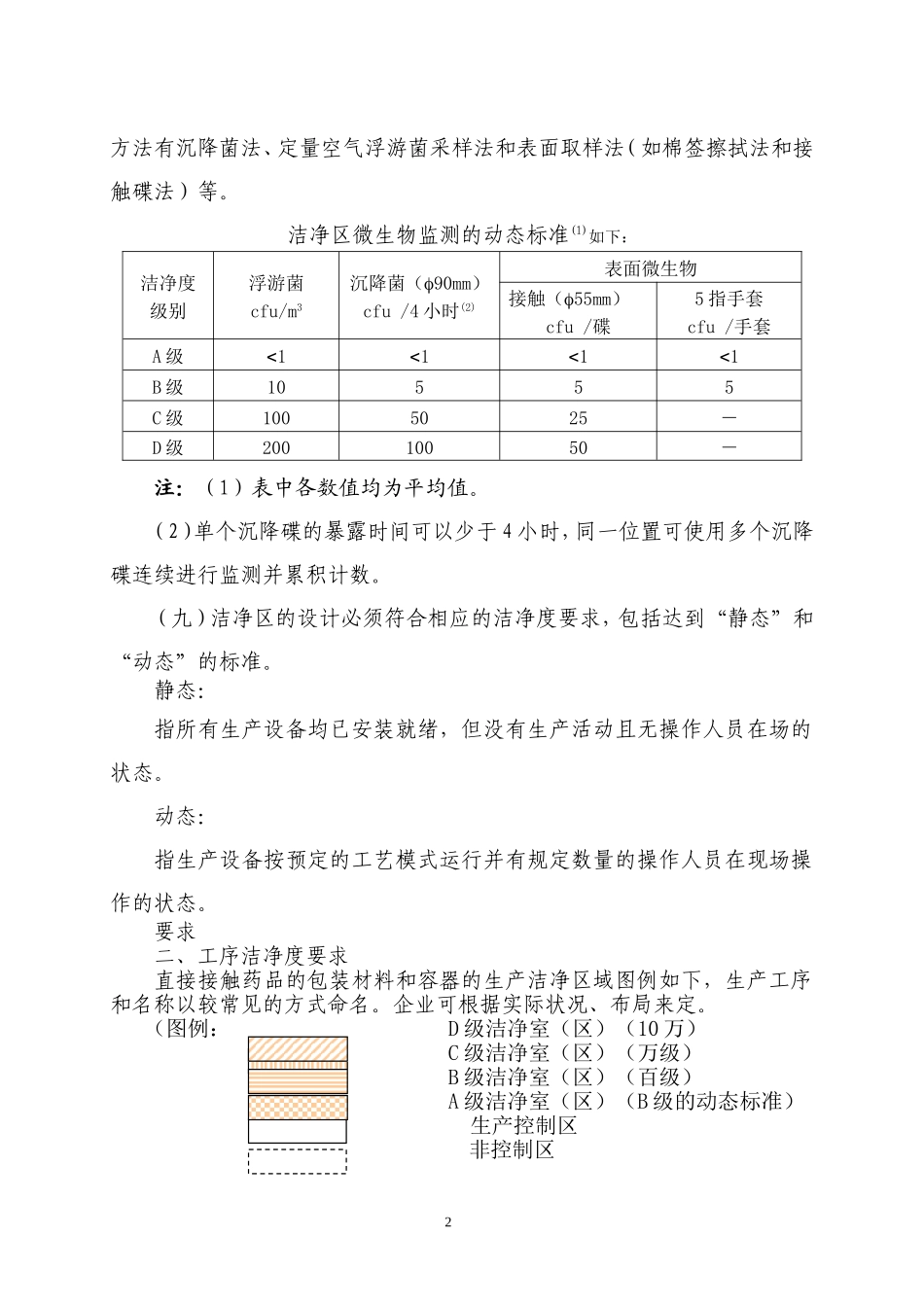
附件2:药包材生产各工序洁净度要求一、原则(一)、药包材生产企业可以根据产品的分类和用途确定相应洁净度级别,洁净级别的设置应遵循与所包装的药品生产洁净度级别相同的原则,以保证产品在符合规定的环境里生产。对于洁净室(区)内使用的压缩空气或各类气体,也应列入受控范围。(二)、药包材企业生产区域可分为生产控制区和洁净室(区),其中生产控制区应为密闭空间,具备粗效过滤的集中送风系统,内表面应平整光滑,无颗粒物脱落,墙面和地面能耐受清洗和消毒,以减少灰尘的积聚。(三)、洁净室(区)内有多个工序时,应根据各工序的不同要求,采用不同的洁净度级别。在满足生产工艺要求的条件下,洁净室(区)的气流组织可采用局部工作区空气净化和全室空气净化相结合的形式,如C级下的局部A级洁净区。(四)、应当根据药包材品种、生产操作要求及外部环境状况等配置空调净化系统,使生产区有效通风,并有温度、湿度控制和空气净化过滤,保证药包材的生产环境符合要求。洁净区与非洁净区之间、不同级别洁净区之间的压差应当不低于10帕斯卡,应当在压差相邻级别区之间安装压差表。压差数据应当定期记录或者归入有关文挡中。必要时,相同洁净度级别的不同功能区域(操作间)之间也应当保持适当的压差梯度。(五)、应当按照气锁方式设计更衣室,使更衣的不同阶段分开,尽可能避免工作服被微生物和微粒污染。更衣室应当有足够的换气次数。更衣室后段的静态级别应当与其相应洁净区的级别相同。洗手设施只能安装在更衣的第一阶段。(六)、药包材生产洁净区洁净级别的设置应遵循与所包装的药品生产洁净度级别相同的原则,如被包装药品为口服液体和固体制剂、腔道用药(含直肠用药)、表皮外用药品等非无菌制剂,应当参照“无菌药品”附录中D级洁净区的要求设置,企业可根据产品的标准和特性对该区域采取适当的微生物监控措施。(七)、药包材生产所需的洁净区可分为以下4个级别:以上各级别空气悬浮粒子的标准规定如下表:洁净度级别悬浮粒子最大允许数/立方米静态动态(3)≥0.5μm≥5.0μm(2)≥0.5μm≥5.0μmA级(1)352020352020B级3520293520002900C级3520002900352000029000D级352000029000不作规定不作规定(八)、应对微生物进行动态监测,评估无菌生产的微生物状况。监测1方法有沉降菌法、定量空气浮游菌采样法和表面取样法(如棉签擦拭法和接触碟法)等。洁净区微生物监测的动态标准(1)如下:洁净度级别浮游菌cfu/m3沉降菌(90mm)cfu/4小时(2)表面微生物接触(55mm)cfu/碟5指手套cfu/手套A级1111B级10555C级1005025-D级20010050-注:(1)表中各数值均为平均值。(2)单个沉降碟的暴露时间可以少于4小时,同一位置可使用多个沉降碟连续进行监测并累积计数。(九)洁净区的设计必须符合相应的洁净度要求,包括达到“静态”和“动态”的标准。静态:指所有生产设备均已安装就绪,但没有生产活动且无操作人员在场的状态。动态:指生产设备按预定的工艺模式运行并有规定数量的操作人员在现场操作的状态。要求二、工序洁净度要求直接接触药品的包装材料和容器的生产洁净区域图例如下,生产工序和名称以较常见的方式命名。企业可根据实际状况、布局来定。(图例:D级洁净室(区)(10万)C级洁净室(区)(万级)B级洁净室(区)(百级)A级洁净室(区)(B级的动态标准)生产控制区非控制区2(一)、药用氯化丁基橡胶瓶塞、药用溴化丁基橡胶瓶塞(二)、药品包装用铝箔(三)、药用聚氯乙烯硬片(四)、药用复合膜(硬片)、复合膜(袋)3分切检查炼塑备料印刷涂布裁切内包装气锁间脱外包气锁间备料印刷分切内包装气锁间脱外包气锁间复合涂布熟化收卷外包装熟化配料脱外包冲边硫化外包装气锁间配料混炼脱外包停放清洗硅化烘干内包装成形制袋气锁间气锁间外包装压延内包装气锁间外包装注:其中“复合”工序可以分为干法、湿法、流延、共挤等数种。(五)、塑料输液瓶(袋)1、塑料输液瓶2、塑料输液袋(包括注射剂用塑料容器)3、塑料输液膜(六)、固体、液体药用塑料瓶(七)、滴眼剂用塑料容器(最终灭菌产品)4气锁间脱外包制盖成形检查气锁间脱外包气锁...

1、当您付费下载文档后,您只拥有了使用权限,并不意味着购买了版权,文档只能用于自身使用,不得用于其他商业用途(如 [转卖]进行直接盈利或[编辑后售卖]进行间接盈利)。
2、本站所有内容均由合作方或网友上传,本站不对文档的完整性、权威性及其观点立场正确性做任何保证或承诺!文档内容仅供研究参考,付费前请自行鉴别。
3、如文档内容存在违规,或者侵犯商业秘密、侵犯著作权等,请点击“违规举报”。

碎片内容

药包材生产各工序洁净度要求-S

您可能关注的文档

确认删除?
VIP
微信客服
  • 扫码咨询
会员Q群
  • 会员专属群点击这里加入QQ群
客服邮箱
回到顶部