样板房厨柜制作、安装合同书 甲方:地址:法定代表人: 乙方:地址:法定代表人: 兹有甲方委托乙方制作、安装 样板房厨房橱柜工程, ...
整体厨柜买卖合同甲方:卖家 乙方:买家 一、台面:材料玉石板或金钢石板或大理石板。 颜色___。尺寸:宽 600 长___厚 15mm。...
厨柜家具加盟合同范本厨柜家具加盟合同收藏本页附三:加盟合同意利宝*柜加盟合同甲方:意利*(河南)实业有限公司乙方:为了扩大意利宝*柜...
最新整体厨柜买卖合同书(5 篇) 随着法治精神地不断发扬,人们愈发重视合同,越来越多的人通过合同来调和民事关系,合同能够促使双方正确...
编号: 整体厨柜买卖合同范文甲 方 乙 方 签订日期 年 月 日( 本合同为 Word 格式,下载后可根据您的需要调整内容及格式,欢迎...
厨柜买卖合同厨柜买卖合同 1 甲方: 乙方: 身份证号码: 身份证号码: 甲乙双方经过友好协商,就平舆县小清河南侧县医院北侧清河小...
滕州欧派厨柜员工法律规范制度表 以实施商场标准化管理,提升品牌美誉度,基础管理环节是必不可少的.店面作为与顾客接触和公司形象的展示窗...
欧派厨柜成品库房管理办法CYTY—3A1.目的:为加强欧派厨柜厂成品仓库的管理,法律规范入库、出库流程,有效杜绝仓储混乱、损坏以及错发事件...
金牌厨柜加盟店需要多少钱?19.15 万元即可开店做老板! 品牌:金牌厨柜 公司名称:厦门金牌厨柜股份有限公司 公司地址:福建省厦门市同...
好来屋厨柜加盟多少钱? 好来屋厨柜加盟多少钱? 总投资 53.34 万元以上! 具体加盟费包括首批进货费:20 万元,广告宣扬费用:0.8 万...
第 2 页精品文档---下载后可任意编辑方太厨柜加盟多少钱? 方太厨柜加盟多少钱? 总投资 20.27 万元! 具体加盟费包括首批进货费:8 ...
精品文档---下载后可任意编辑中小型厨柜家具工厂规划设计的开题报告一、选题背景随着人们生活水平和消费水平的提高,家居用品也越来越受到...
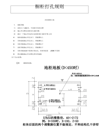
橱柜打孔规则 具体规则方案 1. 底板顶板 1) 深度小于450 时,不需要中间的木榫 2) 偏心件木榫孔间距均为32 倍数 3) 最后一个...
下载后可任意编辑整体厨柜项目投资分析及可行性报告下载后可任意编辑目录序言.............................................................
下载后可任意编辑整体厨柜买卖合同书合同出卖人(甲方):_________________合同购买人(乙方):_________________根据《中华人民共和国合...
下载后可任意编辑厨柜定购合同买方(以下简称甲方): 卖方(以下简称乙方):证件及号码: 证件及号码:甲乙双方就甲方定购乙方 系列厨柜...
下载后可任意编辑 橱柜、衣柜、浴柜 材料采购战略合作合同甲方代表:×× 集团有限公司 (以下简称甲方) 乙方代表:欧派家居集团股份有...
下载后可任意编辑厨柜家居公司特约经销商协议书 甲方:黑龙江省旗舰厨柜家居有限公司 乙方(经销商): 为共同开拓新的市场,扩大旗舰厨...
厨柜知识培训(基础篇) 认识厨柜厨柜在我国的发展: 厨房家具又称厨柜,起源于欧洲。作为舶来品, 20 世纪 90 年代初期进入中国。厨...
MaiMai欧派厨柜终端销售话术厨衣培训部营销培训师麦纪兰MaiMai讨论问题»如果你是一位顾客,你来到店里购买厨柜,你最会关注哪些方面?安全...

