电线购买的时候一定不要买错了!否则后果很严重提起电线,大部分都感觉太不起眼了,装修的时候一方面开发商已经走好了一些线路,另外一方面...
电线绝缘老化推断方法 住宅区因电气线路发生老化而造成火灾、触电所占比例很大,尤其是老住宅区,由于线路多年失修,过去选用的导线较细,...
电线绝缘保护层的作用和原理电线绝缘主要作用是使电缆中的导体与周围环境或相邻导体间相互绝缘。电线是导体,为了防止裸露的电线短路造成设...
绝缘导线载流量估算 (摘录)一. 铝芯绝缘导线载流量与截面得倍数关系 截面:1 1、5 2、5 4 6 10 16 25 35 50 70 95 120 倍数...
电线的安全电流是多少?电线能通多少安的电流电线能带负载多少个电流是怎么计算的呢,我们一般都是根据公式来计算的,而且计算时铜线尽量比...
电线最法律规范的三种接法下面是第一种接法。注意:在家装中是不应有接头的,特别是在线管内更不能有接头,假如有接头也应该是在电线盒内。...
宿舍私自接电线检讨书尊敬的 XX: 今日,我们 31 号楼 505 寝室全体成员,怀着愧疚和后悔的心,向学院老师写下这份检讨书,以向老师...
宿舍私拉电线检讨书尊敬的 XX: 本人是 XXX 班的 XXX,现在我满怀后悔自责的心情向您们作出检讨。如今的我犯下了这么严重的错误,自知...
国标电线平方数与直径一览表电线(平方毫米)导体直径(毫米)25℃铜线载流量1、51、3818A2、51、7826A42、2538A62、7644A101、33×768A161、70...
可挠金属电线管敷设1 范围 本工艺标准适用于一般工业、民用建筑工程 1kV 及其以下照明、动力、弱电的可挠金属电线管的明、暗敷设及吊顶...
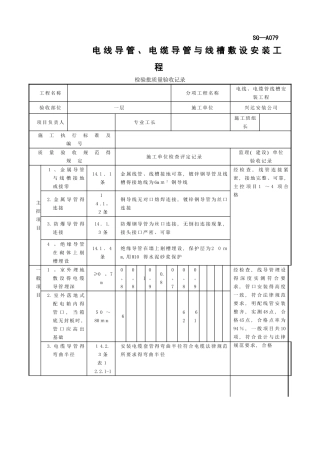
SG—A079 电 线 导 管 、 电 缆 导 管 与 线 槽 敷 设 安 装 工程 检验批质量验收记录工 程 名 称分 项 工 程 名...
SG-A080电线、电缆穿管与线槽敷线安装工程检验批质量验收记录工程名称中国石油工程设计有限公司西南分公司设计办公楼分项工程名称电线、电...
2025 电线品质工作总结 第一篇:电线行业销售内勤工作总结 四月份工作总结 销售内勤梁春梅 我于 2025 年 10 月有幸来到 xxxxx ...
高压电线维护专项施工方案编 制 人:校 对 人:审 核 人:审 批 人:编制日期:2025 年 4 月 6 日 目 录一、编制说明.........
电缆载流量对比表电缆载流量口决:估算口诀:二点五下乘以九,往上减一顺号走。三十五乘三点五,双双成组减点五。条件有变加折算,高温九折铜升...
电缆电线穿管技术交底技 术 交 底 记 录施工单位:中国建筑第二工程局有限公司 编号:JSJD-003 月 日工程名称雪川农业进展股份有限...
电缆电线工程量计算第八节 电缆本节定额适用 10KV 以下得电力及控制电缆敷设,未考虑在河流积水区、水底、井下等条件下得敷设。35KV 以...
电缆电线安装工程施工方案一、施工流程及施工工艺电缆沟开挖 TRC 套管预埋 T 穿带丝 T 穿电缆 T 路灯基础及配电柜基础 T 灯具及...
电缆及电线得电流计算公式1、电线得载流量就就是这样计算得:对于 1、5、2、5、4、6、10mm 2得导线可将其截面积数乘以 5 倍。 对于...
电线短路起火原因及预防措施电气线路故障是引发火灾的常见原因之一,下面简单介绍电气线路起火的主要原因和预防措施。 一、电气线路起火的...

