省道 205 线射洪段一级公路改建工程(一期)人行道彩砖安砌专项施工方案 编制:复核:编制单位:成都华川公路建设集团有限公司省道 205...
缘石安砌的质量通病及防治(一)立道牙基础和牙背填土不实1.现象:基础不实和牙背回填废料、虚土不夯实或夯实达不到要求密度,竣工交付使...
华 III 集团Hl A( HlA\ GROUP省道 205 线射洪段一级公路改建工程(一期)人行道彩砖安砌专项施工方案编制:复核:编制单位:成都华川...
垃圾处理场人工安砌条石挡土墙施工方案1、工程量 序号分项工程名称工程量 1M5.0 浆砌块石 10m3 2M7.5 砌毛条石挡墙 2673.85m3 3M5....
垃圾处理场人工安砌条石挡土墙施工方案1、工程量序号分项工程名称工程量1M5.0 浆砌块石 10m32M7.5 砌毛条石挡墙 2673.85m33M5.0 砌毛...
1、测量放样 基层施工完并经监理工程师验收合格后,侧石安装前,应校核道路中线,测设侧石安装控制桩,直线段桩距为 10m,曲线段不大于 5m...
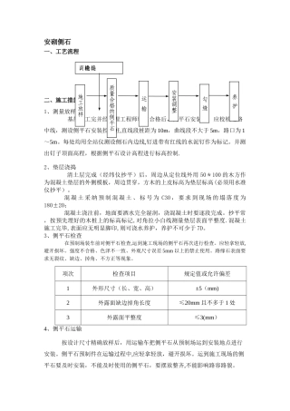
安砌侧石一、工艺流程二、施工措施1、测量放样基层施工完并经监理工程师验收合格后,侧平石安装前,应校核道路中线,测设侧平石安装控制桩,...
下载后可任意编辑安砌侧石一、工艺流程二、施工措施1、测量放样基层施工完并经监理工程师验收合格后,侧平石安装前,应校核道路中线,测设...
页眉内容A 华川集回HI;A(HCANGROUP省道线射洪段一级公路改建工程(一期)人行道彩砖安砌专项施工方案编制:编制单位:成都华川公路建设集...
下载后可任意编辑垃圾处理场人工安砌条石挡土墙施工方案与垃圾无害化处理经验材料汇编垃圾处理场人工安砌条石挡土墙施工方案2、工艺流程图...
下载后可任意编辑垃圾处理场人工安砌条石挡土墙施工方案与垃圾清理实施方案汇编垃圾处理场人工安砌条石挡土墙施工方案2、工艺流程图测量放...
下载后可任意编辑垃圾处理场人工安砌条石挡土墙施工方案与垃圾小广告治理经验沟通材料汇编垃圾处理场人工安砌条石挡土墙施工方案2、工艺流...
路缘石安砌的质量通病及防治(一)立道牙基础和牙背填土不实1.现象:基础不实和牙背回填废料、虚土不夯实或夯实达不到要求密度,竣工交付...
安砌侧石一、工艺流程二、施工措施1、测量放样基层施工完并经监理工程师验收合格后,侧平石安装前,应校核道路中线,测设侧平石安装控制桩...

