长治职业技术学院信息工程系顶岗实习报告 1 顶岗实习 报 告 系 别: 信息工程系 专 业: 电气自动化 班 级: 09 电气大专班...
第四个实验 试题1、 A:200us; B:400us; C:600us; 你的答案:B 试题2、 A:CH1通道; B:CH2通道; C:随机决定; 你的答案...
初级电工适用题 1.电力系统中以“kWh”作为(B)的计量单位 A.电压 B.电能 C.电功率 D.电位 2.当参考点改变时,电路中两点之间的电位...
电 工 选 线 口 诀 以 及 电 工 常 识 电 工 选 线 ,是 有 口 诀 的 ,十 下 5,百 上 3,意 思 是 10 平 方 ...
电工选线,是有口诀的,十下5,百上3,意思是10平方以下的铜线每平方5 个电流,100平方以上的铜线每平方3个电流,铝线算一半 我国的家用电压一...
- 1 - 电工进网作业许可证(高压)考试试题集- 1 一、单选题:(每题的备选项中,只有一项最符合题意;每题1分,不选或错选为0分;总...
国家电力监管委员会令 第 15 号 《电工进网作业许可证管理办法》已经2005年12月13日国家电力监管委员会主席办公会议通过,现予公布,自...
2 0 1 1 年1 1 月电工进网作业许可考试网站模拟题 共8 套 带答案 总共有86 道试题,满分100 分。 单选题40 道,每道1 分,...
1 电工进网作业许可考试习题集(高压类) 第1 页: 第一章 电力系统基本知识 第2 页: 第二章 电力变压器 第9 页: 第三章 高...
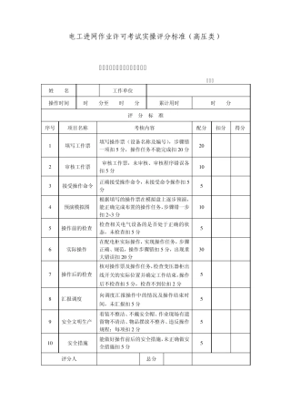
电工进网作业许可考试实操评分标准(高压类) 输电线路停送电操作考核评分表 编号: 姓 名 工作单位 操作时间 时 分至 时 分 累...
课程设计说明书 (小初号字距4 磅黑体加黑居中) 课程名称: 电与电子技术课程设计 题 目: 自家照明电路设计 目录 一、课程设计...
电工资料大全--电工手册(1768 页) 本手册的主要内容包括:电工常用符号和计量单位、电工识图、电工基础知识、电工常用仪表及工具、电...
. . . . 学习资料 “师带徒”第二阶段电工专业考试试题 第一部分 理论知识部分 一 、 单选题(每题1 分,共10 分,将正确的答...
电工试题 A 卷 选择题(50 题) 1、不属于电气图的是(C)。 A、变电所一次接线图 B、变电所一次设备位置图 C、变电所土建位置图 ...
电工考试复习题 一、单项选择题 1.低压供电的电压是( )。 A.220V B.380V C.220,380 V D.220,380V,1KV 2.基建工地施工...
1. 当万用表的不同电阻量程测量二极管正反向电阻时,其读数不相同。√ 2. 操作票可以由操作人填写,也可以由监护人填写。 (×) 3. ...
电工识图题库 一、判断题 1、电气图中开关、触点的符号水平形式布置时,应下开上闭。(√) 2、电气图中开关、触点的符号垂直形式布置时...
电工识图符号大全 电流表 PA 电压表 PV 有功电度表 PJ 无功电度表 PJR 频率表 PF 相位表 PPA 最大需量表(负荷监控仪) PM 功...
四种基本电路图 一、点动控制 点动控制又称为寸动控制,顾名思义就是按动按钮开关,电动机得电启动运转;当松开按钮开关后,电动机失电停...
1、电压变化的速率大于( A ),即为电压急剧变化. A、1% B、2% C、5% 2、当电压过高时,电动机可能( C ) A、不能启动 B、绝缘老化加...

