精品文档---下载后可任意编辑一类维纳非线性系统辨识(Ⅰ)的开题报告一、选题背景及讨论意义维纳非线性系统由维纳得名,它是一类以随机微...
精品文档---下载后可任意编辑一类模糊神经网络的参数辨识和结构优化的开题报告一、讨论背景模糊神经网络(FNN)是一种拥有结合模糊理论和神...
精品文档---下载后可任意编辑一种面对工业过程的闭环辨识算法的讨论的开题报告摘要:本文介绍了一种面对工业过程的闭环辨识算法,用于系统...
精品文档---下载后可任意编辑“机理+辨识”策略中电力负荷预测准确率的上限估量的开题报告一、讨论背景电力负荷预测是电力系统运行的基础和...
电力企业安全风险源辨识清单一序号场所/位置风险源辨识标准可能造成的后果风险类型(按照 GB6441)公共部分1重要电力设备设施重要电力设备...
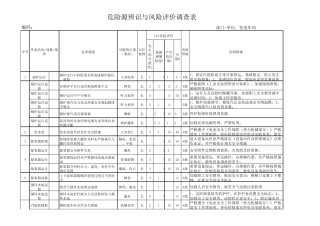
. . w ord 版本 危 险 源 辨 识 与 预 防 措 施 作 业活 动 危 险 因 素 可 能 导 致的 事 故 危 险级 别 ...
危险源辨识与预防措施 作业活动 危 险 因 素 可 能 导致 的 事故 危险级别 现 有 控 制 措 施 备 注 吊装作业 1 作...
精品文档---下载后可任意编辑SIR 传染病模型的辨识分析及稳定性分析的开题报告1.讨论背景随着全球化进程的加速以及人口迁移规模的加大,传...
精品文档---下载后可任意编辑PMSM 沟通伺服系统中参数辨识的讨论与应用的开题报告【摘要】随着机器人等智能制造设备的进展和普及,PMSM(...
精品文档---下载后可任意编辑MWD 中泥浆脉冲信号辨识及地面适配技术讨论的开题报告题目:MWD 中泥浆脉冲信号辨识及地面适配技术讨论讨论...
1建筑施工过程危险有害因素辨识从建筑施工的特点,可以看出建筑施工的不安全因素多存在于高处交叉作业、垂直运输、使用电气工具以及基础工...
附表:各岗位工种危险因素辨识与控制方法(一) 岗位 工种 危险因素 危险因素辨识方法 危险因素控制方法 支 护 工 1.顶板掉矸,煤...
变 电 站 设 备 危 险 源 辨 识 清 单及预控措施 1 主变压器 表1 主变压器巡视时的危险源辨识清单及预控措施 危险点 预控...
序号 工序 作业 内容 可产生的危险 固有风险评定D1 固有风险级别 预控措施 土建施工部分 1.临时建筑部分 1.1 施工用电 1.1.1 ...
部门/单位:发电车间发生的可能性L暴露频繁程度E产生的后果C分值D1锅炉运行锅炉运行中机组甩负荷造成锅炉超压、超温人身伤害无10.5 100 5...
精品文档---下载后可任意编辑MEMS 惯性器件参数辨识及系统误差补偿技术的开题报告摘要:惯性器件是惯性导航系统中必不可少的组成部分。传...
精品文档---下载后可任意编辑HEV 电池组 SOC 模型参数辨识及其智能预估讨论的开题报告标题:HEV 电池组 SOC 模型参数辨识及其智能预...
精品文档---下载后可任意编辑Hammerstein 系统的子空间辨识方法的开题报告一、讨论背景及讨论意义Hammerstein 系统是一类广泛存在于现实...
精品文档---下载后可任意编辑GTAW 熔池图像处理及熔池辨识模型讨论的开题报告1. 讨论背景钨极惰性气体保护焊(GTAW)是一种常用的高质量...
1 原料车间危险源辨识及控制措施表 碳材烘干系统 序号 设备/位置 危害因素 危害影响 危害等级 现有控制措施 1 兰炭棚 吸入粉尘...

