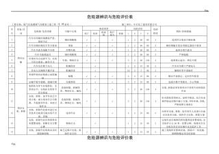
危 险 源 ( 点 ) 名 称 : 天 车 所 属 部 门 : 山 西 太 钢 万 邦 炉 料 有 限 公 司 编 号 01 专 业...
银币真假,看图识破(一) 热15已有 10638 次阅读 2008-12-17 11:53 标签: 真假 银币 近几年随着钱币爱好者的不断增多和古钱币大...
富源县龙田煤业有限公司龙田煤矿 221803 运输巷掘进工作面 安全风险辨识 评估报告 2018年 8 月 5 日 前 言 为贯彻执行《煤矿安...
危险源辨识及风险评价登记表 220kV 变电站输变电工程项目危险源辨识及风险评价(内部) 表号:R/QHSEP-04-1 编号:220KV-FXPJ/HSE-001...
1. 物体打击 指由失控物体的惯性力造成的人身伤亡事故。本类事故适用于落下物、飞来物、滚石、崩块等造成的伤害。不包括因机械设备、车辆...
北京*****有限公司有限空间安全风险辨识清单 辨识人员:安环部 辨识日期:2017 年 9 月 8 日 序号 危险源 安全风险 可能造成伤...
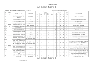
山西忻州神达台基麻地沟煤业有限公司复工复产前专项安全风险辨识评估报告山西忻州神达台基麻地沟煤业有限公司2017 年 10 月 8 日复工...
Fpg危险源辨识与危险评价表工程名称:煤气化装置煤气化框架土建工程(I、II 系列 )施工单位:中石化工建设有限公司序号12345678910塔吊...
WORD 格式可编辑危险源辨识与危险评价表工程名称:煤气化装置煤气化框架土建工程(I、II 系列 )施工单位:中石化工建设有限公司序号123...
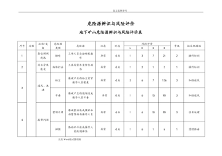
范文范例参考危险源辨识与风险评价地下矿山危险源辨识与风险评价表序号过程活动/设备架设照明线路风水管线敷设危险源类别触电危险源工作人...
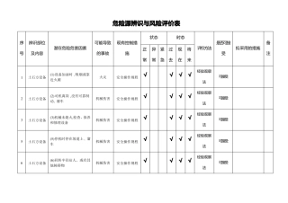
危险源辨识与风险评价表状态序号辨识部位及内容潜在危险危害因素可能导致的事故现有控制措施正异紧过现将时态评价方法是否可接受拟采用的措...
1 1 职业健康安全危险源评价表 辽宁龙华建筑有限 永安嘉园工程 编制:韩 涛 审核:李玉明 审批:张兆良 制 定 日 期 : 2010...
职业健康安全危险源辨识、风险评价表 单位:张家口市华工建设有限公司 总NO 部 门 NO 活动产品服务 危 险 源 事故类型 风 险 ...
中医体质辨识保健(平和质) 体质 总体特征 形体特征 心理特征 发病倾向 对外界环境适应力 保健要点 注意事项 基本药方 饮食保健...
老年人中医体质辨识中医药保健指导 一 、 概 述 人 体 处 于 不 同 的 年 龄 阶 段 , 在 结 构 、 功 能 、 代 ...
老 年 人 体 质 的 中 医 保 健 方 法 -----平 和 质 平 和 体 质 就 像 人 们 手 中 的 天 平 , 健 康 ...
LECD1劳保穿戴不全人身伤害V361181上岗前劳保用品按规定穿戴齐全否2员工身体、心理异常人身伤害V361181了解职工精神状态,关注思想情绪否3...
LECDLECD1装卸站内司机超速行驶撞伤他人撞伤 1472841、悬挂限速标志2、应急处置和救助1、加大现场监督检查0.54714可接受2装卸站内司机疲劳...
土方开挖工程危险源辨识1 适用范围土方开挖工程是指开挖深度超过五米(含五米)的基坑、沟槽的土方开挖。公司在关于危险性较大的分部分项...
国际大酒店危险辨识、风险评价和控制管理制度1 目的:为了充分识别与评价本单位生产过程中的安全风险,制定风险控制措施,并在出现新问题...

