单级卧式离心泵维护检修规程1 总则1.1 适用范围:本规程适用于单级卧式离心泵的维护检修。1.2 结构简述:主要由泵体、叶轮、机械密封、...
便拆式管道离心泵SLB系列
中南大学化工原理实验⑥离心泵特性曲线实验
伽利略Galileo 泵 -欧洲品质 【 SFB 型不锈钢耐腐蚀离心泵】产品: 【 SFB 型不锈钢耐腐蚀离心泵】产品特点: SFB 系列不锈钢耐腐...
不锈钢多级离心泵KQDPKQDQKQDPWKQDQW系列轻型
一 锅炉给水泵选用多级离心泵,进入锅炉给水管设置三冲量自动调节。 1.1 锅炉排污系统 锅炉排污包括连续排污和定期排污。 1)、连续排...
xxxxDDDDDDDDDYZY/GB1002—2018□□□□□□□□□□aaaaaaaaaaDDDDDDDDDDDDDD:2018-05-16DDDD:2018-05-25□□□□□□□xxxxDDDDDDDDDDDDD...
转 速(m3/h)(L/S)(r/min)轴 功率电机功率7.52.08220.964712.53.47201.1360154.1718.51.2660IS50-32-125A11.23.11629000.841.1587.52.0834...
ISW 卧式管道离心泵安装尺寸 点击次数:330 发布时间:2011-3-11 ISW 型卧式管道泵外形尺寸图: 卧式离心泵型号 外型尺寸 安装尺寸...
型 号:ISW 型 【产品概述】 ISW(ISWR、ISWH、ISWY、ISWHY),ISW 型卧式单级单吸离心泵是在参照本公司ISG 系列立式离心泵基础上改...
ISW 卧式离心泵选型参数表 型号 流量 扬程 m 效率 % 转速 r/min 电机 功率 kw 汽蚀 余量 m 重量 kg m3/h l/s ISW15-80...
Is100-80-160 单 级 离 心 泵预 计 到 2 年 , 我 国 建 造 的 主 力 船 舶 将 达 到7 万 载 重 吨 。 超 大...
安徽南方化工泵业有限公司 IH 系 列 离 心 泵 使 用 说 明 书 ★ 技术说明 IH 型泵通用性广,全系列工140种规格,但只用四...
IH型单级单吸化工离心泵说明书
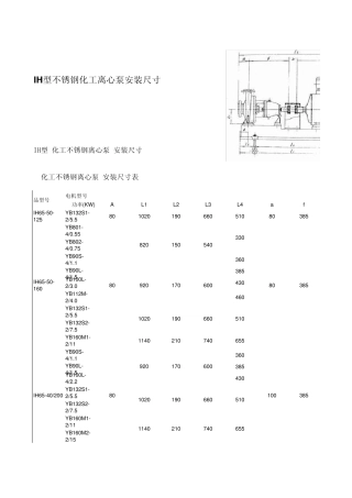
IH型不锈钢化工离心泵安装尺寸IH型 化工不锈钢离心泵 安装尺寸 化工不锈钢离心泵 安装尺寸表电机型号功率(KW)AL1L2L3L4afIH65-50-125YB...
IH化工离心泵样本
gdl立式多级离心泵
FSB氟塑料离心泵使用手册
Fp增强聚丙烯耐腐离心泵
FLG离心泵性能参数标准

