电脑桌面
添加小米粒文库到电脑桌面
安装后可以在桌面快捷访问

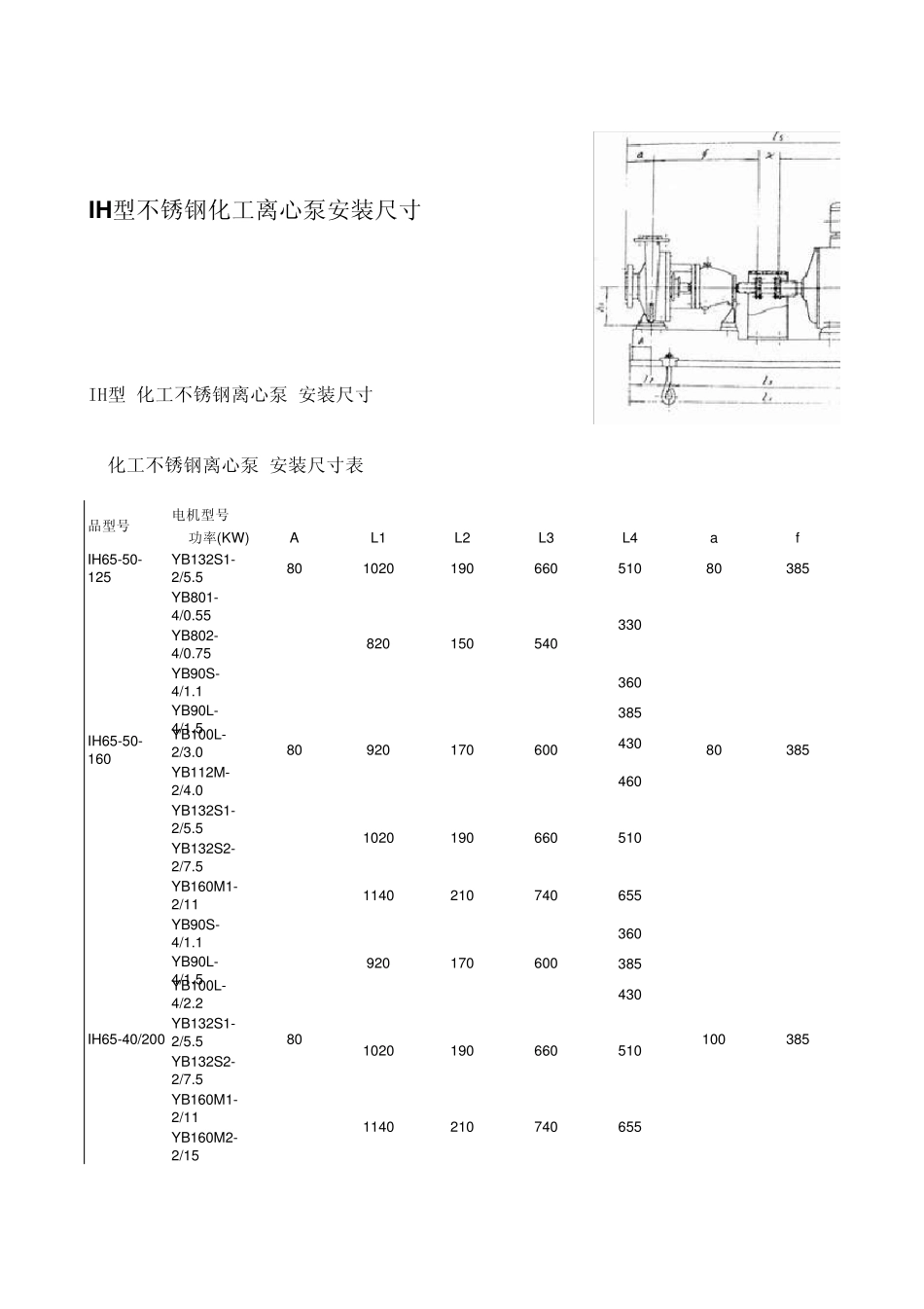
IH型不锈钢化工离心泵安装尺寸

IH型不锈钢化工离心泵安装尺寸_第1页
1/24
IH型不锈钢化工离心泵安装尺寸_第2页
2/24
IH型不锈钢化工离心泵安装尺寸_第3页
3/24
IH型不锈钢化工离心泵安装尺寸IH型 化工不锈钢离心泵 安装尺寸 化工不锈钢离心泵 安装尺寸表电机型号功率(KW)AL1L2L3L4afIH65-50-125YB132S1-2/5.580102019066051080385YB801-4/0.55YB802-4/0.75YB90S-4/1.1360YB90L-4/1.5385YB100L-2/3.0430YB112M-2/4.0460YB132S1-2/5.5YB132S2-2/7.5YB160M1-2/111140210740655YB90S-4/1.1360YB90L-4/1.5385YB100L-4/2.2430YB132S1-2/5.5YB132S2-2/7.5YB160M1-2/11YB160M2-2/15品型号IH65-50-16080820150540330803859201706001020190660510IH65-40/2008092017060010038510201906605101140210740655YB100L1-4/2.2YB100L2-4/3.0YB112M-4/4.0460YB160M1-2/11YB160M2-2/15YB160L-2/18.5695YB180M-2/22730YB200L1-2/301420250940803YB100L2-4/3.0430YB112M-4/4.0460YB132S-4/5.5510YB132M-4/7.5550YB160M2-2/15655YB160L-2/18.5695YB180M-2/22730YB200L1-2/30YB200L2-2/37YB225M-2/45840YB80M-4/0.55YB802-4/0.75YB90S-4/1.1360YB90L-4/1.5385YB112M-2/4.0460YB132S1-2/5.5YB132S2-2/7.5YB160M1-2/111140210740655YB90S-4/1.1360YB90L-4/1.5385YB100L1-4/2.2430IH65-40-2509510201906604301005001270225840655IH65-40/31595114021074012550012702258401420250940803IH80-65-125808201505403301003859201706001020190660510160920170600YB132S1-2/5.5YB132S2-2/7.5YB160M1-2/11YB160M2-2/15YB90L-4/1.5385YB100L1-4/2.2YB100L2-4/3.0YB112M-4/4.0460YB132S2-2/7.51020190660510YB160M1-2/11YB160M2-2/15YB160L-2/18.5695YB180M-2/22730YB100L1-4/2.2YB100L2-4/3.0YB112M-4/4.0460YB132S-4/5.5510YB132M-4/7.5550YB160M2-2/15655YB160L-2/18.5695YB200L1-2/30YB200L2-2/37YB225M-2/45840YB112M-4/4.0460YB132S-4/5.5510YB132M-4/7.5550YB160M-4/111270225840655YB200L1-2/30IH80-65-1608010038510201906605101140210740655IH80-50-200809201706001003854301140210740655IH80-50-250951020190660430125500114021074012702258401420250940803IH80-50-315951140210740125500803YB200L2-2/37YB225M-2/45840YB25M-2/5516202901060935YB280S-2/75182032012001010YB90S-4/1.1360YB90L-4/1.5385YB100L1-4/2.2YB100L2-4/3.0YB132S2-2/7.51020190660510YB160M1-2/11YB160M2-2/15YB90L-4/1.5385YB100L1-4/2.2YB100L2-4/3.0YB112M-4/4.0460YB132S2-2/7.51140210740510YB160M1-2/11YB160M2-2/15YB160L-2/18.5695YB180M-2/22730YB2...

1、当您付费下载文档后,您只拥有了使用权限,并不意味着购买了版权,文档只能用于自身使用,不得用于其他商业用途(如 [转卖]进行直接盈利或[编辑后售卖]进行间接盈利)。
2、本站所有内容均由合作方或网友上传,本站不对文档的完整性、权威性及其观点立场正确性做任何保证或承诺!文档内容仅供研究参考,付费前请自行鉴别。
3、如文档内容存在违规,或者侵犯商业秘密、侵犯著作权等,请点击“违规举报”。

碎片内容

IH型不锈钢化工离心泵安装尺寸

您可能关注的文档

确认删除?
VIP
微信客服
  • 扫码咨询
会员Q群
  • 会员专属群点击这里加入QQ群
客服邮箱
回到顶部