第1页共6页凯程考研,为学员服务,为学生引路!大学生最应该考的十大最有价值证书大学,就算再不功利,也要有拿出手的证书;考证虽然目的性...
提升大学生职场竞争力的社交平台大学生需要的各种证书整理作为一名大学生,面对走上社会的就业压力,应该拥有哪些证书更具竞争力?这是每一...
执业药师资格证书规定第一章总则第一条为保证执业药师资格制度的实施,加强执业药师注册管理工作,根据人事部、国家药品监督管理局联合颁发...
中医助理医师-证书注册国家实行医师执业注册制度。中医医师经注册取得由卫生部统一印制的《医师执业证书》后,方可按照注册的执业地点、执...
中医执业医师-证书注册国家实行医师执业注册制度。中医医师经注册取得由卫生部统一印制的《医师执业证书》后,方可按照注册的执业地点、执...
中西医助理医师-证书注册国家实行医师执业注册制度。中医医师经注册取得由卫生部统一印制的《医师执业证书》后,方可按照注册的执业地点、...
中西医结合助理医师-证书注册国家实行医师执业注册制度。中医医师经注册取得由卫生部统一印制的《医师执业证书》后,方可按照注册的执业地...
指导:报关员证书的作用和职业发展前景指导:报关员证书的作用和职业发展前景在社会培训和为企业在职人员培训当中,参加报关员考试的大概有以...
XXX同志:在XXX2017年度XXXX考核中被评为“XXXXXXX者”。特发此证,以资鼓励。XXXXXXXXXX2017年8月
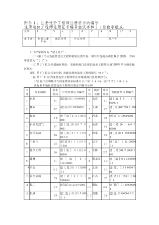
附件l:注册造价工程师注册证书的编号注册造价工程师注册证书编号由汉字和Il位数字组成:(一)汉字部分为“建[造]”;(二)第1~2位为注册...
..职业技能鉴定和职业资格证书制度www.jyw.gov.cn2008-08-22实行职业技能鉴定,推行职业资格证书制度,是劳动保障工作中的一项重要工...
1、对招聘中实行双向选择的好处,描述正确的是()A.使企业不断提高效益,增强吸引力B.使劳动者努力提高科学文化知识、技术业务水平C.使企业...
安徽省B类安全员证书考试试题一、单项选择题(共25题,每题2分,每题的备选项中,只有1个事最符合题意)1、建设部建教[1997]83号《有关印发...
中国物流职业经理资格证书申请表个人信息姓名性别男女单位职务地址邮编联络电话手机电子邮件申请信息CPLM考试科目初级必考课程5363物...
A类安全员试题-1-专职安全管理人员题库一、单项选择题(4个选项中,只有1个对的答案)1、安全生产管理是实现安全生产的重要(B)。A.作用B...
助理理财规划师证书题库100道试题及答案基本信息:[矩阵文本题]*班级:________________________学号:________________________姓名:____...
JYPC全国职业资格证书官方网站:)1、工种:另附清单2、级别:一级(高师)、二级(师)、三级(助师)、四级(高级)、五级(员级)3、颁...
全国职业资格证书种类大全一、劳动部证书:人力资源管理师|营销师|电子商务师|物流师|物业管理师|经营师|筹划师|营养师|秘书|项目管理...
全国职业资格证书种类大全集团原则化办公室:[VV986T-J682P28-JP266L8-68PNN]中国职业分类《中华人民共和国职业分类大典》将我国职业归为8...
中国职业分类《中华人民共和国职业分类大典》将我国职业归为8个大类,66个中类,413个小类,1838个细类(职业)。8个大类分别是:第一大类:...


