....公路工程监理日志RSS 打印 复制链接 大 中 小 发布时间:2011-09-07 10:33:06监理日志20xx-7-20晴1、巡检小港口大桥:8#墩 6#...
公路工程内业资料是直接反映施工过程工程质量控制的重要载体,是日后公路通车运营管理的重要依据,加强和规范施工阶段的内业资料整理是当前...
特 种 设 备 安 装 改 造 维 修 告 知 单 ( 注 1) 告 知 单 编 号 ( 注 2): 施工单位: (加盖公章) 设备...
特种设备安全监察指令书填写规范(特种设备安全法) 违 法 行 为 违 反条款 整改措施 依据条款 未 按 照 国 家 有 关 规 ...
- 1 - 中华人民共和国特种设备制造许可申请书填写说明 1 适用范围 包括锅炉、压力容器,以及所属的安全附件。本表只适用境外制造企业...
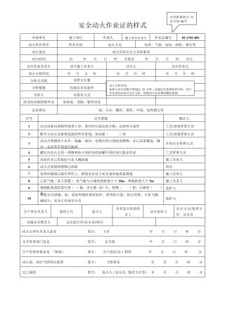
安全动火作业证的样式 申请单位 施工单位 申请人 施工单位负责人 作业证编号 02-1701-001 动火所在单位 所在车间 动火方式 电焊...
住院病案首页填写说明附件 1住院病案首页部分项目填写说明一、基本要求(一)凡本次修订的病案首页与前一版病案首页相同的项目,未就项目...
贵州省公路局建设项目余庆至安龙高速公路平塘至罗甸段段中间交工证书承包单位:填写为投标的法人单位的全称合同号监理单位:填写为投标的法...
企业信用担保申请书如何填写 上海中财担保有限公司 企业担保申请书 编号:zc(_____)db 第_____号 申 请 单 位 ( 盖 章 ) ...
个体工商户纳税申报表如何填写2019.3.201. 个体工商户纳税人,在2019 年第一季度销售服装,取得的销售收入价税合计25.75 万元,未开具增...
下载后可任意编辑论文指导方案填写在进行论文撰写过程中,导师的指导非常重要。为了更好地协同工作,导师需要为每位学生制定详细和具体的论...
下载后可任意编辑融资方案如何填写在申请融资时,填写合适的融资方案是非常重要的一步。一个好的融资方案不仅能够吸引投资人的注意,还能让...
下载后可任意编辑客户拓展方案填写摘要客户拓展是企业进展的关键要素之一。本文将从客户拓展策略的制定、执行和评估三方面分别进行分析,并...
SH/T 3503-J306机器单机试车记录位号转速环境温度启动电流P1101A2985r/min工程名称:马赛克单元名称:马赛克设备名称驱动机种类试车类别连...
下载后可任意编辑如何填写探究方案探究方案是实施探究活动的重要文档。填写好探究方案可以帮助我们更好地规划和组织实验或探究活动,以达到...
离婚协议书甲方(男方):_________,男,______年____月____日出生,汉族,住 ________ 市 _____________ 县 ( 区 )______________...
增值企业年报表单一、企业基本情况(黄色部分将会向社会公示)指标名称单位实际公司简介主要包括公司背景、主营业务、公司规模、员工情况、...
居民健康档案填范制作人:姜骞封面不能涂改,编号□□口□口编号二国家统一的行政区划编码(6 位)+乡镇或街道(3 位)+村或居委会(3 位...
下载后可任意编辑表格填写离婚协议书一、协议篇协议条款内容离婚事由管辖权离婚方式子女抚养、监护权子女抚养方式、监护人选择财产分割财产...
旁站监理记录表GD220240单位(子单位)工程名称旁站日期年月日星期旁站时气候温度旁站监理的部位或工序:地下连续墙旁站监理时间:施工情况:...

