1批准与产品有关的要求的确定和评审控制程序文件编号审核版本编制页数1范围本程序规定了与产品有关的要求确定和评审的职责、过程目标与指标...
DD1应急预案评审表应急预案名称企业名称预案负责人评审日期评审结论评审地点预案参评人员及评审意见评审人员评审意见评审内容见附件。DD2应...
DDDDDDDDDDDDDDDDDDDDDDDD4DDDDDDDDDDDDDDDDDDDDDDD安全生产管理制度及操作规程评审、修订制度1DDDDDDDDDDDDDDDDDDDDDDDDDDDDDDDDDDDDDDDDD...
关于小课题评审主要问题各位老师,请你们在大庆市教育科学规划2014年度小课题评审意见表中找到你的名字,“○”表示你的该项内容有问题,需...
建立识别、获取、评审、更新安全生产法律法规与其他要求的管理制度识别、获取、评审、更新安全生产法律法规与其他要求管理制度1.目的为了使...
三合一体系管理评审总结项目部质量、环境、职业安全健康三季度总结项目部项目部本着“百年大计,质量第一”和“安全责任重于泰山”的宗旨,...
附件二:课题申报表编号:呼伦贝尔市基础教育科学“十二五”规划课题申报评审书课题名称:弘扬边强精神,创办得中德育特色课题主持人:张富...
评审委员会管理制度第一章总则第一条为加强对专业技术职务任职资格评审工作的组织领导,规范评审委员会的评审行为,坚持科学地、全面地评价...
此资料由网络收集而来,如有侵权请告知上传者立即删除。资料共分享,我们负责传递知识。评审工程师的工作鉴定评审工程师的工作鉴定范文评审...
评审认定材料准备要求与规范现场评审前准备工作1为每位评审员准备以下资料(请用袋子装好)1.1现场评审日程表(由评审组长准备);1.2按组...
调解、和解制度与争议评审本节包括3项内容:1z308041调解的规定1z308042和解的规定1z308043争议评审机制的规定1z308041调解的规定我国的调...
质量管理体系评审制度1范围本标准规定了质量管理体系评审的方式、时间间隔、评审内容及评审程序。本标准适用于大连惠腾机车焊材有限公司。2...
广电安全播出奖评审制度根据《**省广播电视安全播出奖励暂行办法》,制定本评审细则。一、评审程序**年度**省广播电视安全播出奖共设组织奖...
二级医院评审制度1、1.2.1.1有保障基本医疗服务的相关制度与规范。2、1.2.2.1有保证所有住院医师接受规范化培训的制度。3、1.3.2.1有传染病...
评审示范社区制度一、组织管理方面1、有固定办公场所、健全组织管理机构和一定数量的专业技术人员和管理人员,充分发挥物业管理职能。2、有...
1/2高级专业技术资格申报人基本情况及评审登记表姓名潘文清身份证号码性别女出生年月年月何时毕业于何院校何专业年月毕业于庆阳师范专科学...
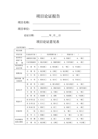
项目论证报告项目名称:项目单位:论证日期:年月日项目论证意见表论证项目编号:项目名称评估专家行业技术专家()经济管理专家()其他专...
全国建筑业绿色施工示范工程评审意见书绿色施工示范工程名称:沂蒙革命纪念馆绿色施工示范工程承建单位:天元建设集团有限公司评审日期:20...
1需求评审检查表项目名称评委姓名评审检查日期YYYY-MM-DD评审检查用时(小时)主要检查内容意见完整性1.是否完整地定义了软件需求规格?2....
医院等级评审消化内镜室制度汇总目录一、内镜室仪器保养制度...............................................................二、内镜室...

