关于贯彻?陕西省建设厅关于调整房屋建筑和市政根底设施工程工程量清单计价平安文明施工措施费及综合人工单价的通知?有关规定的通知 各设区...
建设工程工程量清单计价规范表格文件管理序列号:[K8UY-K9IO69-O6M243-OL889-F88688]5??工程量清单计价表格5.1 计价表格组成5.1.1 封面1...
一、工程量计算规则 脚手架分综合脚手架、单项脚手架两种形式。凡能计算建筑面积的、且由一个施工单位总承包的工业与民用建筑单位工程,均...
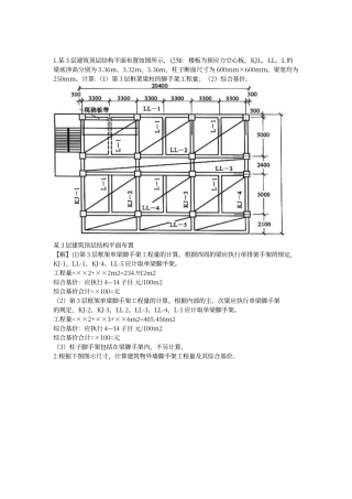
1.某 3 层建筑顶层结构平面布置如图所示,已知:楼板为预应力空心板,KJL、LL、L 的梁底净高分别为、、,柱子断面尺寸为 600mm×600mm...
1.某 3 层建筑顶层结构平面布置如图所示,已知:楼板为预应力空心板,KJL、LL、L 的梁底净高分别为 3.36m、3.32m、3.36m,柱子断面尺寸...
给排水工程量计算.pptx 1、②排水立管的安装长度计算排水立管的安装长度计算方法是先看立管有无变径。当有变径时,先确定变径点的位置,...
给排水、采暖、燃气工程 给排水、采暖、燃气管道。工程量清单项目设置、项目特征描述的内容、计量单位及工程量计算规则,应按表 的规定执...
管道支架工程量计算(法律规范)1、 水平钢管支架最大间距(水平干管)管径不保温(m)保温(m)DN15DN2032DN252DN324DN4053DN5053DN7064DN8...
文案大全工程名称博望新城安置小区改造工程签证部位小区一期西边道路东面建设单位马鞍山市博望区城市发展投资有限责任公司施工单位马鞍山市...
用 Excel 表格做工程量计算表 2024-02-17 09:28:51| 分类: 办公软件|举报|字号 订阅本文转载自乐予行《用 Excel 表格做工程量计...
一些施工现场常用的施工数据一、普通住宅建筑混凝土用量和用钢量:1、多层砌体住宅:钢筋 30KG/m2砼 0.3—0.33m3/m22、多层框架钢筋 38—4...
湖南省建设工程工程量清单计价方法第一章 总 那么第一条 为了标准我省工程造价计价行为,统一建设工程工程量清单的编制和计价方法,合理...
全省县〔市〕污水处理厂工程施工招标模拟工程量清单使用考前须知各有关县〔市〕招标办: 为保证全省县〔市〕污水处理厂工程工程招标工作顺...
江苏 X 市建设工程施工招 标 文 件工程名称: 招标人〔盖章〕: 法定代表人或其委托代理人: 招标代理机构〔盖章〕: 法定代表人...
城市雕塑工程工程量清单计价定额编制说明.城市雕塑工程(区别于原有园林定额的石浮雕)使用说明工程量计算规则艺术造型定样制模…………石...
施工组织设计〔方案〕优化与工程量控制第 一 局 部 : 施 工 组 织 设 计 〔 方 案 〕 优 化一 、 施 工 组 织 设 ...
施工组织设计〔方案〕优化与工程量控制第 一 局 部 : 施 工 组 织 设 计 〔 方 案 〕 优 化一 、 施 工 组 织 设 ...
教你怎样算量(一)——建筑工程预算工程量的计算规则土石方工程一、土石方工程:土石方的挖掘、运输、场地平整、回填土、降水等。计算前需...
word 编辑文档工程名称开封市涧水河综合治理工程施工二标段施工单位河南省广宇建设集团有限公司开封市涧水河综合治理二标段项目部工程部位...
第二章甲部 – 工程量计算原那么I.总那么1.工程量清单工程量清单应充分说明材料和操作工艺,并准确地说明拟建进行的工程,由于其性质以致...

