内河水运进展现状与趋势试卷一、单选题 【本题型共 2 道题】 1.目前全国内河港口生产用码头泊位( )个,主要分布在长江水系、珠江水系...
质量安全监督检查情况现场记录表(一)质量安全管理行为检查情况记录表(1—1-1)项 目 名 称 : 建 设 单 位 : 检 查 时 间...
公路水运工程建设重大事故隐患清单管理制度第一条 为强化公路水运工程建设安全生产管理工作,推动重大事故隐患管理工作,遏制重、特大生产...
公路水运工程质量监督管理规定交通运输部公路水运工程质量监督管理规定(中华人民共和国交通运输部令 2025 年第 28号) 《公路水运工程...
质量监督站工作职责一、贯彻执行国家有关工程质量监督和工程监理的方针、政策和法规,落实我县交通工程质量监督实施细则;二、规划管理我县...
四川省公路水运工程质量安全监理工作标准化指南(2025 版)四川省交通输厅工程质量监督局四川省公路工程监理事务所四川省水运工程监理事务...
公路水运工程试验检测项目(参数)、检测标准与仪器设备对比表公路工程(综合类)序号试验检测项目采纳的试验检测方法和标准(名称/编号)所用...
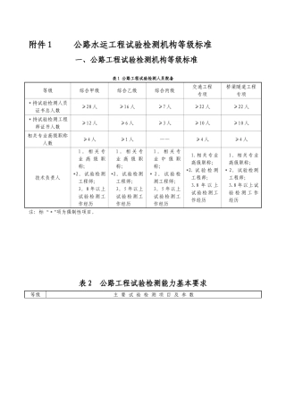
附件 1 公路水运工程试验检测机构等级标准 一、公路工程试验检测机构等级标准表 1 公路工程试验检测人员配备等级综合甲级综合乙级综合...
公路水运工程试验检测机构等级标准一、公路工程试验检测机构等级标准表 1 公路工程试验检测人员配备项目综合甲级综合乙级综合丙级交通工...
附件 1 公路水运工程试验检测机构等级标准 一、公路工程试验检测机构等级标准表 1 公路工程试验检测人员配备等级综合甲级综合乙级综合...
附件 1 公路水运工程试验检测机构等级标准 一、公路工程试验检测机构等级标准表 1 公路工程试验检测人员配备等级综合甲级综合乙级综合...
附 件 Ⅰ公 路 水 运 工 程 试 验 检 测 机 构 换证 复 核申 请 书申 请 机 构 名 称 :( 章 )申请日期 : ...
第一篇概述第一章概述1、取得《公路水运—-等级证书》的检测机构,可设立施工场地试验室,承担相应业务、并对试验结果承担责任。2、试验检测...
关于印发公路水运工程试验检测信用评价办法(试行)的通知交质监发[2025] 318 号各省、自治区、直辖市、新疆生产建设兵团交通运输厅(局、...
公路水运工程监理信用评价办法附件 1—3附件 1公路水运工程监理企业信用评价标准评价内容失信行为代码失信行为信用等级或扣分标准投标行...
附件 1:公路(水运)工程施工企业安全生产管理人员考核合格证书个人考核申请表姓 名性别职务照 片身份证号职称学历毕业时间毕(肄、结)...
公路水运工程施工安全标准化指南(电子版)序言安全生产事关人民群众生命财产安全,是社会文明进步的重要标志,是全面建成小康社会雄伟目标的...
关于印发公路水运工程施工企业安全生产管理人员考核管理办法的通知 质监总站 交质监发〔2025〕757 号 2025 年 12 月 16 日 各省...
公路水运工程施工企业主要负责人和安全生产管理 人员考核管理办法(征求意见稿 第一条 〔编制目的〕 为做好公路水运工程施工企业主要负...
公路水运工程建设重大事故隐患清单管理制度第一条为强化公路水运工程建设安全生产管理工作,推动重大事故隐患管理工作,遏制重、特大生产安...

