十字相乘法分解因式同学们都知道,型的二次三项式是分解因式中的常见题型,那么此类多项式该如何分解呢?观察=,可知=。这就是说,对于二次...
十字文明礼貌用语及其使用1、十字文明礼貌用语“您好”、“请”、“谢谢”、“对不起”、“再见”。2、十字礼貌用语的使用:(1)“您好”...
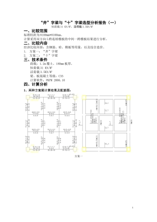
“井”字梁与“十”字梁选型分析报告(一)恒荷载31KN/M2,活荷载3.5KN/M2一、比较范围标准柱距为8100mm*8100mm。计算采用双方向5跨连续楼...
在加权平均数的相关题型中,由于数量关系复杂,列方程做比较困难,十字交叉法能轻松解决这一问题。十字交叉法可以运用于浓度、比重、人口、...
摘要随着世界进入现在代化科技文明至今,现代科学技术的不断发展,极大地推动了不同学科的交叉与渗透,导致了工程领域的技术革命与改造。在...
目录1.序言……………………………………………………………………22.技术要求………………………………………………………………22.1设计...
十字道初中学生违纪处分规定(试行稿)为了维护学校优良的校风,创设一流的教育环境,根据教育部颁发的《中小学生守则》、《中学生日常行为规...
燃气泄漏现场应急处置二十字工作法编制人:武一帆联系方式:18232227939燃气泄漏现场应急处置二十字工作法报告:报告是现场应急处置的首要...
七类常见十字星的实战应用十字星是指收盘价和开盘价在同一价位或者相近,没有实体或实体极其微小的特殊的K线形式,其虽有阴阳之分,但实战...
呈送:东辰置业有限公司““皖南皖南..十字商贸城”十字商贸城”可行性报告可行性报告要点提炼1.属性与市场定位:十字首个纯封闭式多层住...
《骑誓十字骑士的诅咒》读后感《骑誓十字骑士的诅咒》读后感我买了两本《骑誓》的书,之前只看了第一本,开始看第二本的时候,觉得没劲,主...
黄十字与亚健康山西中和亚健康服务中心王成你的身体可否出现此状况?世界卫生组织(WHO)将健康定义为:健康不仅仅是没有疾病和不虚弱,而是身...
0000解题技巧系列“十字交叉”法的妙用化学计算是从数量的角度研究物质的组成、结构、性质变化,涉及到的化学基本概念多,解法灵活多变,且...
小学生四年级作文三百五十字【篇一:人教版小学三年级语文上册第七单元习作范文】小老鼠历险记有一天,小老鼠正在河边散步。忽然,他看见几...
一、十字交叉法的原理(这个有的前辈和大侠有比较详细的讲解,简单易懂,在这里就直接用前辈写的东西来说明了,但是为了符合我的一些习惯,...
公民道德规范二十字释义爱国守法明礼诚信团结友善勤俭自强敬业奉献根据党在社会主义初级阶段的历史,当前和今后一个时期,我国公民道德建设...
公民基本道德规范二十字释义爱国守法,明礼诚信,团结友善,勤俭自强,敬业奉献。一、爱国守法1、爱国爱国是中华民族传统的道德规范,爱国...
13#楼钢结构工程钢柱吊装方案编制:编制人姓名审核:审批:日期:2015年10月目录一、工程概况..............................................
十字的生产安全标语1、规程要学会,守规不能忘。2、戴上安全帽,安全有依靠。3、警钟常鸣响,安全天天讲。4、时时都谨慎,安全皆欢喜。5、...
十字道初中扫黑除恶实施方案十字道初中近期扫黑除恶专项斗争工作总结为认真贯彻落实习近平总书记重要指示精神,根据国家、省、市和招远扫黑...

