电脑桌面
添加小米粒文库到电脑桌面
安装后可以在桌面快捷访问

十字梁与井字梁(三种工况)VIP免费

十字梁与井字梁(三种工况)_第1页
1/9
十字梁与井字梁(三种工况)_第2页
2/9
十字梁与井字梁(三种工况)_第3页
3/9
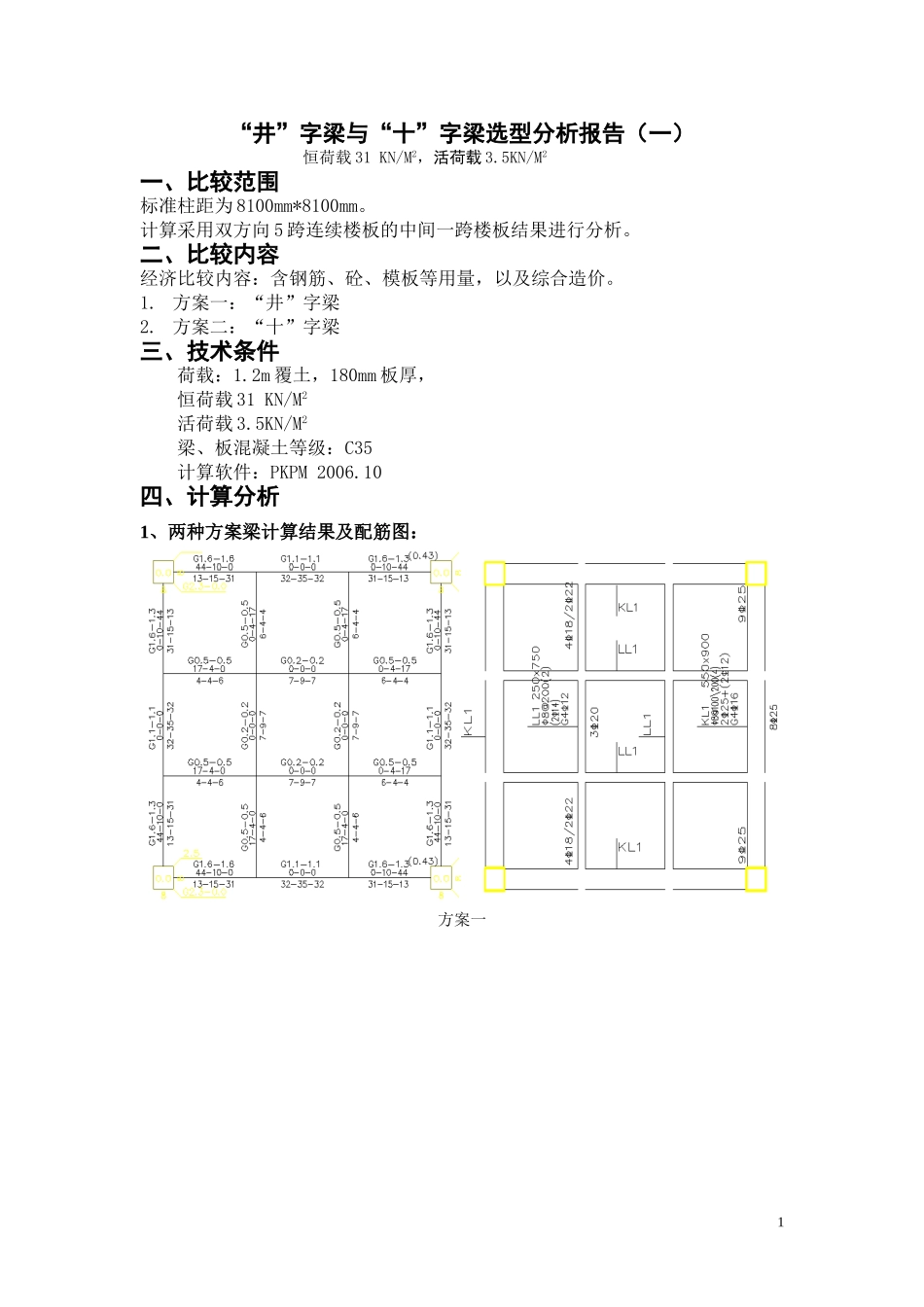
“井”字梁与“十”字梁选型分析报告(一)恒荷载31KN/M2,活荷载3.5KN/M2一、比较范围标准柱距为8100mm*8100mm。计算采用双方向5跨连续楼板的中间一跨楼板结果进行分析。二、比较内容经济比较内容:含钢筋、砼、模板等用量,以及综合造价。1.方案一:“井”字梁2.方案二:“十”字梁三、技术条件荷载:1.2m覆土,180mm板厚,恒荷载31KN/M2活荷载3.5KN/M2梁、板混凝土等级:C35计算软件:PKPM2006.10四、计算分析1、两种方案梁计算结果及配筋图:方案一1方案二2、两种方案板计算结果及配筋图:方案一方案二2五、经济指标序号类别井字型①十字型②①/②备注1梁钢筋重量(T)3.643.7996.07%工程概况:面积75.69M2,柱中纵向和横向的轴线间距均为8.1M(梁净长均为7.5M),梁混凝土标号为C35,板为C30,板厚均为180MM,梁的抗震等级为3级,均视为标准层.信息价格采用深圳市2003建筑定额综合单价,2008.11期深圳信息价,钢筋采用二级螺纹φ25以内的价2综合单价5912.273造价(元)21514.7522395.6896.07%4混凝土体积(m3)16.0114.83107.94%5综合单价454.906造价(元)7282.046746.62107.94%7模板面积(m2)106.5589.61118.90%8综合单价59.139造价(元)6300.305298.64118.90%10板钢筋重量(T)0.981.5662.99%11综合单价5912.2712造价(元)5805.859217.2362.99%13混凝土体积(m3)13.1013.10100.00%14综合单价427.3115造价(元)5595.625595.62100.00%16模板面积(m2)49.0051.8494.52%17综合单价55.3818造价(元)2713.622870.9094.52%19汇总造价造价(元)49212.1852124.6994.41%由上表可以看到:井字梁每平米造价较十字梁节省(52124.69-49212.18)/8.1x8.1=44.4元。3“井”字梁与“十”字梁选型分析报告(二)恒荷载31KN/M2,活荷载20KN/M2一、比较范围标准柱距为8100mm*8100mm。计算采用双方向5跨连续楼板的中间一跨楼板结果进行分析。二、比较内容经济比较内容:含钢筋、砼、模板等用量,以及综合造价。1.方案一:“井”字梁2.方案二:“十”字梁三、技术条件荷载:1.2m覆土,180mm板厚,恒荷载31KN/M2活荷载20KN/M2(消防车道荷载)梁、板混凝土等级:C35计算软件:PKPM2006.10四、计算分析1、两种方案梁计算结果及配筋图:方案一4方案二2、两种方案板计算结果及配筋图:方案一方案二5五、经济指标序号类别井字型①十字型②①/②备注1梁钢筋重量(T)6.146.7491.11%工程概况:面积75.69M2,柱中纵向和横向的轴线间距均为8.1M(梁净长均为7.5M),梁混凝土标号为C35,板为C30,板厚均为180MM,梁的抗震等级为3级,均视为标准层.信息价格采用深圳市2003建筑定额综合单价,2008.11期深圳信息价,钢筋采用二级螺纹φ25以内的价2综合单价5912.273造价(元)36277.6939819.1491.11%4混凝土体积(m3)17.8915.92112.38%5综合单价454.906造价(元)8135.897239.73112.38%7模板面积(m2)109.4491.11120.12%8综合单价59.139造价(元)6471.195387.33120.12%10板钢筋重量(T)1.182.3150.84%11综合单价5912.2712造价(元)6946.9213663.2650.84%13混凝土体积(m3)13.3713.37100.00%14综合单价427.3115造价(元)5711.005711.00100.00%16模板面积(m2)47.6151.8491.84%17综合单价55.3818造价(元)2636.642870.9091.84%19汇总造价造价(元)66179.3274691.3688.60%由上表可以看到:井字梁每平米造价较十字梁节省(74691.36-66179.32)/8.1x8.1=129.7元。“井”字梁与“十”字梁选型分析报告(三)6恒荷载18KN/M2,活荷载3.5KN/M2一、比较范围标准柱距为8100mm*8100mm。计算采用双方向5跨连续楼板的中间一跨楼板结果进行分析。二、比较内容经济比较内容:含钢筋、砼、模板等用量,以及综合造价。3.方案一:“井”字梁4.方案二:“十”字梁三、技术条件荷载:0.6m覆土,180mm板厚,恒荷载18KN/M2活荷载3.5KN/M2梁、板混凝土等级:C35计算软件:PKPM2006.10四、计算分析1、两种方案梁计算结果及配筋图:方案一7方案二2、两种方案板计算结果及配筋图:方案一方案二8五、经济指标序号类别井字型①十字型②①/②备注1梁钢筋重量(T)2.662.6998.74%工程概况:面积75.69M2,柱中纵向和横向的轴线间距均为8.1M(梁净长均为7.5M),梁混凝土标号为C35,板为C30,板厚均为180MM,梁的抗震等...

1、当您付费下载文档后,您只拥有了使用权限,并不意味着购买了版权,文档只能用于自身使用,不得用于其他商业用途(如 [转卖]进行直接盈利或[编辑后售卖]进行间接盈利)。
2、本站所有内容均由合作方或网友上传,本站不对文档的完整性、权威性及其观点立场正确性做任何保证或承诺!文档内容仅供研究参考,付费前请自行鉴别。
3、如文档内容存在违规,或者侵犯商业秘密、侵犯著作权等,请点击“违规举报”。

碎片内容

十字梁与井字梁(三种工况)

您可能关注的文档

确认删除?
VIP
微信客服
  • 扫码咨询
会员Q群
  • 会员专属群点击这里加入QQ群
客服邮箱
回到顶部