高层项目十字柱制作工艺编制单位:安徽 XX 钢结构股份有限公司编制人:XX编制时间:2025、11、3说 明本工艺文件仅适用 XXXX 项目,编...
【房地产精品资料】大十字商业街营销整合营销推广方案一、市场调研分析<一> 调查时刻2025 年 7 月 18 日——2025 年 7 月 22 日...
十字交叉梁的计算书一. 参数信息 塔吊型号:QT60,自重(包括压重)F1=245.00kN,最大起重荷载F2=60.00kN 塔吊倾覆力距M=600.00kN.m,塔吊起重...
HB120874 十字槽 120°沉头螺钉
深圳西部填海区软土勘察及十字板剪切试验深圳西部填海区软土勘察及十字板剪切试验 摘要 :由于软土的存在,使得深圳西部填海区工程施工设...
外语系“四十字好习惯演讲竞赛”策划方案外语系团学会学 习 部 2012 年 11 月 12 日一、活动背景:为了深化贯彻落实科学进展观,坚...
第一步:旋转成型第二步:切除十字十字草图距离螺帽根部平面 1mm第三步:倒角,没必要太准确第四步:做系列零件设计表系列零件设计表是为...
专题 08 十字模型综合应用(知识解读)【专题说明】 “十字架模型”十数学平面几何中比较重要的一个模型。常见的类型有正方形中的十字架...
班组建设安全管理之“十字”班组建设中最突出的是安全管理。"安全"始终是一个沉重的话题,也是一份沉甸甸的社会责任。一位领导和员工座谈时...
十字链表实现稀疏矩阵的加法(15 页)Good is good, but better carries it.精益求精,善益求善。实验二 十字链表 一、实验题目 以...
十字轴三维建模1.建立直径 57 高 87 的圆柱1)单击圆柱命令,指定矢量(+Z),和起始点(0,-43.5,0)2)输出直径 57,高度 872. 在...
十字相乘法练习题(4 页)Good is good, but better carries it.精益求精,善益求善。十字相乘法x2 3x 2=0 x2 -3x 2...
十字交叉法在化学中的应用及总结(5 页)Good is good, but better carries it.精益求精,善益求善。十字交叉法的原理及其在化学计算...
1、主体内容与适用范围1、1 本规程说明了焊接十字柱得一般制作流程与加工方法。1、2 本规程适用于我公司十字柱型钢得制作。1、3 本规程...
山东英才学院 毕 业 论 文(设 计)题目:转向节钻十字孔工序自动工装设计学生姓名 许永强 学 院 机械制造及自动化工程学院 专 ...
十字相乘法进行因式分解 1。二次三项式多项式,称为字母 x 得二次三项式,其中称为二次项,bx 为一次项,c为常数项、例如,与都就是关于 ...
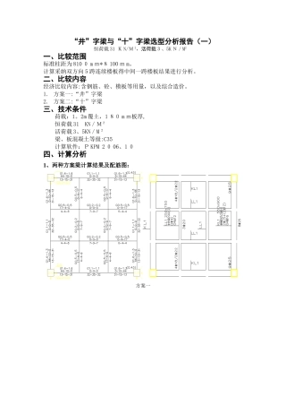
“井”字梁与“十”字梁选型分析报告(一)恒荷载 31 K N/M 2,活荷载3、5K N/M2一、比较范围标准柱距为 810 0 m m*8 10...
河南质量工程职业学院 毕 业 设 计(论文)题 目:十字轴式万向联轴器的分析和改进系 别: 机电工程系 专 业: 机电一体化 班 ...
河南质量工程职业学院 毕 业 设 计(论文)题 目:十字轴式万向联轴器的分析和改进系 别: 机电工程系 专 业: 机电一体化 班 ...
高一化学学问小卡片(补充) _____班 _________学问点:十字穿插法的原理及应用十字穿插法可用于元素平均原子量、混合物平均分子量、质量分...

