电脑桌面
添加小米粒文库到电脑桌面
安装后可以在桌面快捷访问

十字梁与井字梁

十字梁与井字梁_第1页
1/9
十字梁与井字梁_第2页
2/9
十字梁与井字梁_第3页
3/9
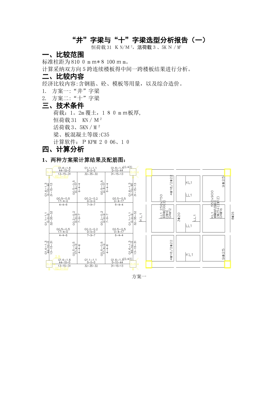
“井”字梁与“十”字梁选型分析报告(一)恒荷载 31 K N/M 2,活荷载3、5K N/M2一、比较范围标准柱距为 810 0 m m*8 100 m m。计算采纳双方向5跨连续楼板得中间一跨楼板结果进行分析。二、比较内容经济比较内容:含钢筋、砼、模板等用量,以及综合造价。1. 方案一:“井”字梁2. 方案二:“十”字梁三、技术条件荷载:1。2m 覆土,1 80 m m板厚,恒荷载 31 KN/M2活荷载 3、5KN/M 2梁、板混凝土等级:C35计算软件:P KPM 2 0 06、1 0四、计算分析1、两种方案梁计算结果及配筋图:方案一方案二2、两种方案板计算结果及配筋图: 方案一 方案二五、经济指标序号类别 井字型①十字型②①/②备注1梁钢筋重量(T)3、64 3、79 96、07%工程概况:面积75.69M2,柱中纵向与横向得轴线间距均为8.1M(梁净长均为7.5M),梁混凝土标号为 C35,板为C30,板厚均为180MM,梁得抗震等级为 3 级,均视为标准层、 信息价格采纳深圳市 2025 建筑定额综合单价,2025、11 期深圳信息价,钢筋 采纳二级螺纹φ25 以内得价2综合单价5912、27 3造价(元)21514、75 22395、68 96、07%4混凝土体积(m3)16、01 14、83 107、94%5综合单价454、90 6造价(元)7282、04 6746、62 107、94%7模板面积(m2)106、55 89、61 118、90%8综合单价59、13 9造价(元)6300、30 5298、64 118、90%10板钢筋重量(T)0、98 1、56 62、99%11综合单价5912、27 12造价(元)5805、85 9217、23 62、99%13混凝土体积(m3)13、10 13、10 100、00%14综合单价427、31 15造价(元)5595、62 5595、62 100、00%16模板面积(m2)49、00 51、84 94、52%17综合单价55、38 18造价(元)2713、62 2870、90 94、52%19汇总造价造价(元)49212、18 52124、69 94、41% 由上表可以瞧到:井字梁每平米造价较十字梁节约(52 1 2 4、69—492 1 2、1 8)/ 8、1x8、1=44、4元。“井"字梁与“十”字梁选型分析报告(二)恒荷载 31 KN/M2,活荷载2 0 K N/M2一、比较范围标准柱距为 81 00 mm*8 1 00mm.计算采纳双方向5跨连续楼板得中间一跨楼板结果进行分析.二、比较内容经济比较内容:含钢筋、砼、模板等用量,以及综合造价。1. 方案一:“井”字梁2. 方案二:“十”字梁三、技术条件荷载:1.2m 覆土,18 0 mm 板厚,恒荷载 31 KN/M2活荷载 2 0 KN/M2 (消防车道荷载)梁、板混凝土等级:C35计算软件:P KP M ...

1、当您付费下载文档后,您只拥有了使用权限,并不意味着购买了版权,文档只能用于自身使用,不得用于其他商业用途(如 [转卖]进行直接盈利或[编辑后售卖]进行间接盈利)。
2、本站所有内容均由合作方或网友上传,本站不对文档的完整性、权威性及其观点立场正确性做任何保证或承诺!文档内容仅供研究参考,付费前请自行鉴别。
3、如文档内容存在违规,或者侵犯商业秘密、侵犯著作权等,请点击“违规举报”。

碎片内容

十字梁与井字梁

确认删除?
VIP
微信客服
  • 扫码咨询
会员Q群
  • 会员专属群点击这里加入QQ群
客服邮箱
回到顶部