食堂卫生检查表序 号检查项目检查内容评分标准分数1餐具A、未定位定点、摆放不整齐、未消毒。B、摆入整齐、清理洁净.C、定位定点摆入整齐...
桥头乡中心小学校园环境卫生检查评分表学校: 检查时间:项目检查内容分值扣分标准得分备 注(一)校园1、校门口、校园周边洁净畅通.学校...
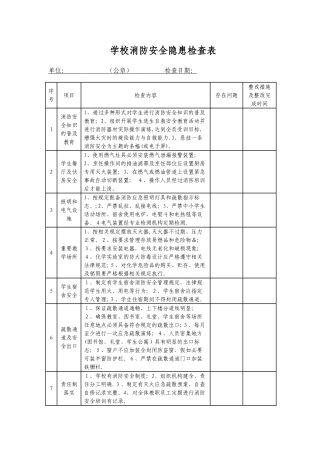
学校消防安全隐患检查表单位: (公章) 检查日期: 序号项目检查内容存在问题整改措施及整改完成时间1消防安全知识的普及教育1、通过...
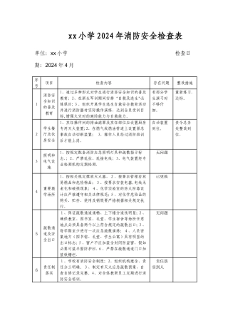
xx 小学 2024 年消防安全检查表单位:xx 小学 检查日期:2024 年 4 月序号项目检查内容存在问题整改措施1消防安全知识的普及教育1...
天师附小教导处常规管理工作检查表(一)2024 年 月 日检查项目检查的主要内容及权重检查内容自评分检查评分教学教研工作200分教学常规检...
思依教育督导责任区作 业 常 规 检查表任课老师任教 学科任课班级检查时间年 月 日(第 周)班级总人数检查样本数检查重点项目检 ...
学校传染病防控检查表被检查单位:________________ 法定代表人/主要负责人:____________地 址:________________ 电 话:____________...
附 件 : 学 校 传 染 病 防 控 和 健 康 教 育 工 作 督 导 检 查 表被督导单位: 年 月 日项 目内 容检查方法...
季节性(春季)安全检查表检查日期:年月日 WHLJ—3。1B/AQ—序号检查项目检查标准不符合项责任部门不符合项处置备注1防雷电避雷设施、静电...
季节性安全检查表 ﹙春季﹚AQJL-08—04检查人: 检查日期:检查项目序号检查内容检查要求检查结果符合不符合及主要问题整改要求整改结果防...
年季度施工安全检查表工程名称工程类别形象进度建设单位项目负责人检查日期施工单位项目经理资格证号监理单位总监理工程师资格证号劳务公司...
天然气管道运行检查表序号检查内容依据标准标准条款重要度行业专业实际情况符合性第 4 章总则1管道运营单位在管道投产前,应编制操作规程...
大型机械保养月检查表塔式起重机型号QY25B设备编号I起升高度30吊车附着道数锚固后高序号检查项目检查结果问题及处理整改完成日期1机械的安...
施工现场安全检查必备的八张检查表高处作业安全检查表检查单位 检查时间 年 月 日项目检查内容成果施工人员1无高血压、心脏病精神病等...
附件 1建设工程春节后复工安全检查表工程名称深圳市林业有害生物监测防控系统项目建设单位深圳市野生动植物保护管理处施工单位深圳市广源...
塔式起重机专项检查表检查项目检查内容检查结果(“√”合格“×”不合格)荷载限制装置起重量限制器及起重量限制器灵敏程度力矩限制器及力矩...
塔吊班前例行检查记录项目名称:塔吊编号:检查日期:年日到 年 月日检 查 内 容检 查 结 果周一周二周三周四周五周六周日基础稳定...
塔吊日常检查表被检查单位: 机型号及编号: 日期:检查项目序号检查标准检查结果处理措施基础1基础排水畅通,接地线牢固可靠(接地体符合...
塔吊垂直度检查表工程名称设备名称规格型号制造单位使用单位租赁、安装单位安装高度40。0m检查日期检 查 内 容塔身安装(或加节后)垂直...
附件 2基层医院感染管理督导检查表(社区服务中心/乡镇卫生院) 省(自治区/直辖市) 市(地/州) 县(市/区) 医疗机构名称: 检查时...

