2025 年造价工程师考试真题——工程造价案例分析试题及答案 试题一(20 分) 某建设项目计算期 10 年,其中建设期 2 年。项目建设...
造价工程师考试真题——工程造价案例分析试题及答案 试题一(20 分) 某建设项目计算期,其中建设期 2 年。项目建设投资(不含建设期...
造价工程师《工程造价案例分析》考试参照答案(吴好汉编写)【案例一】参照答案答:1、第一年建设期贷款利息=×500×6%=15(万元)次年建设期...
本页为作品封面,下载后可以自由编辑删除,欢迎下载!!! 精 品文档1【精品 word 文档、可以自由编辑!】工程造价案例分析模拟押题试...
造价工程师考试《工程造价案例分析》试题试题一:(20 分) 1、项目建设期 2 年,运行期 6 年,建设投资万元,估计所有形成固定资产。...
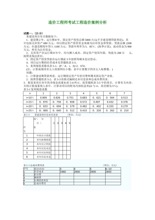
造价工程师考试工程造价案例分析试题一:(25 分) 某建设项目有关数据如下: 1.建设期 2 年,运行期 8 年,固定资产投资总额 5000...
注册造价工程师《工程造价案例分析》强化训练第 1 题 (解答题)(每题 7.00 分) 题目分类:未按章节分类的试题(如真题 模拟预测题) >...
试题一(20 分) 某工业项目计算期为 l0 年,建设期 2 年,第 3 年投产,第 4 年开始达到设计生产能力。建设投资 2800 万元(...
注册造价工程师《工程造价案例分析》解答题专练一、解答题(每题 7 分)第 1 题 第 2 题 ( 案例六某总承包企业拟开拓国内某大都市...
造价工程师考试《工程造价案例分析》试题 点击查看:造价工程师《案例分析》答案(网络版) 试题一:(20 分) 1、项目建设期 2 年,运行...
第一章 建设项目财务评价一、阅读理解1.某建设项目有关资料如下:1.项目计算期 8 年,其中建设期 2 年。2.项目建设投资 2120 万元,...
造价工程师考试《工程造价案例分析》试题 点击查看: 点击下载: 试题一:(20 分) 1、项目建设期 2 年,运行期 6 年,建设投资万...
《工程造价案例分析》考试卷试题一(20 分)某房屋建筑工程项目,建设单位与施工单位按照《建设工程施工协议(示范)文本》签订了施工承包协议...
造价工程师考试真题及答案《工程造价案例分析》试题一:(20 分)1、项目建设期 2 年,运行期 6 年,建设投资万元,估计所有形成固定资...
1 第—章 建设项目财务评价 复习要点 一、投资估算(计控教材 P1图) (一)固定资产 1.设备费用计算(一般以进口设备或非票设备的...
2017年造价工程师《工程造价案例分析》考试真题与参考答案(吴好汉编写)
学建筑,考造价师到鸭题库comYaTiKu .做精准试题,更多押题资料下载 注册造价工程师《工程造价案例分析》案例分析题 一、分析题(每题5...
学建筑,考造价师到鸭题库 comYaTiKu .做精准试题,更多押题资料下载 注册造价工程师《工程造价案例分析》真题 一、分析题(每题 6分...
下载后可任意编辑注册造价工程师《工程造价案例分析》强化训练第 1 题 (解答题)(每题 7.00 分) 题目分类:未按章节分类的试题(如真题...
下载后可任意编辑第一章 建设项目财务评价一、阅读理解1.某建设项目有关资料如下:1.项目计算期 8 年,其中建设期 2 年。2.项目建设投...

