《列车飞驰》说课稿自我介绍:尊敬的各位领导、各位老师,大家好!我是焉耆县第二小学信息技术教师马彩兰。今天我所说的这一节课是清华大学...
小班美术粘贴活动《毛毛虫》一、活动目标:1、学习将圆片片以不同颜色间隔开来连续的粘贴在纸上,并学习简单的添画。2、培养幼儿对手工活动的...
应变片的粘贴方法课件•应变片的基本知识•应变片的粘贴前的准备•应变片的粘贴过程•应变片的粘贴后的处理•应变片粘贴的常见问题及解决方...
1范围本工程为外墙外保温采用粘贴岩棉板干挂石材保温做法,主体墙体为框架、砖混及混凝土结构,具体施工过程控制为:基层墙体清理,安装主龙骨...
1、加固方法:1)将该层剔除至结构层,而后对所有结构裂缝进行修补(灌缝胶补强),对于通缝,可以采用封底胶封底后进行灌缝胶补强;2)对...
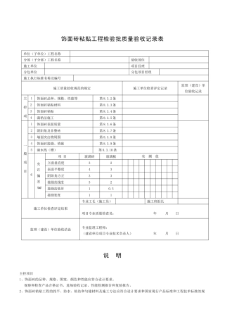
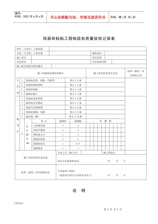
第1页共2页编号:时间:2021年x月x日书山有路勤为径,学海无涯苦作舟页码:第1页共2页饰面砖粘贴工程检验批质量验收记录表单位(子单位)工...
第1页共17页编号:时间:2021年x月x日书山有路勤为径,学海无涯苦作舟页码:第1页共17页一、工程概况南昌紫金城商业区工程位于南昌市赣江之...
第305页共66页编号:时间:2021年x月x日书山有路勤为径,学海无涯苦作舟页码:第305页共66页饰面砖粘贴工程报验申请表工程名称:绿地联盛国...
饰面砖粘贴工程检验批质量验收记录表单位(子单位)工程名称分部(子分部)工程名称验收部位施工单位项目经理分包单位分包项目经理施工执行...
鸟笼(粘贴、涂色)教学课时:1课时教学要求:1.巩固竖线、横线的画法,能正确描画鸟笼。2.巩固粘贴的技能,能将鸟涂色并贴在适当位置上,...
此资料由网络收集而来,如有侵权请告知上传者立即删除。资料共分享,我们负责传递知识。外墙砖粘贴劳务合同模板近几年,建筑物业主及开发商...
1.目的为饰面砖粘贴工程监理提供工作准则,确保饰面砖粘贴工程质量监理工作到位,使工序质量得到有效控制,为顾客提供满意的监理服务。2.范...
此资料由网络收集而来,如有侵权请告知上传者立即删除。资料共分享,我们负责传递知识。外墙砖粘贴合同外墙砖作为一种新型外墙面材料已被越...
饰面砖粘贴工程报验申请表工程名称:绿地联盛国际6#楼编号:致:江苏创盛项目管理有限公司我单位已完成了1层楼梯间地面瓷砖铺贴的工作,现...
此资料由网络收集而来,如有侵权请告知上传者立即删除。资料共分享,我们负责传递知识。外墙砖粘贴施工合同范本外墙砖具有面积小,重量轻,生...
一、工程概况南昌紫金城商业区工程位于南昌市赣江之滨,为钢筋混凝土框架剪力墙结构,建筑面积为340000m2,总投资10亿元人民币,该工程由国...
第1页共1页编号:时间:2021年x月x日书山有路勤为径,学海无涯苦作舟页码:第1页共1页饰面砖粘贴分项工程检验批质量验收记录TJ4.3.34工程名...
1技术交底记录工程名称陕六建先锋花园项目交底部位室内公共间地砖楼号4#7#楼日期2015-11-15交底内容:一、材料要求1、水泥:有出厂合格证...
第1页共40页编号:时间:2021年x月x日书山有路勤为径,学海无涯苦作舟页码:第1页共40页粘贴聚氨酯硬泡保温板外墙外保温工程施工方案第一节...
第1页共11页编号:时间:2021年x月x日书山有路勤为径,学海无涯苦作舟页码:第1页共11页青海油田分公司机关办公楼装修工程外墙面砖粘贴施工...

