精选建筑合同 word 版 下载可直接编辑住宅装饰装修工程变更单 编号: 字第 号变更内容原设计新设计增减费用(+ -)-)详细说明:年...
附 表A.0.1. 一 •建 筑 工 程 施 工 文 件 附 表 施 工 现 场 质 量 管 理 检 查 记 录 开 工 日 期 : 工...
精心整理,方便你我。 建筑装饰装修工程工程资料目录规范 1.建筑装饰装修工程资料综述 1.0 建筑装饰装修工程资料名称 1.1 建筑装饰装...
5 门 窗 工程 5. 1 一般规定 5.1.1.本章适用于木门窗制作与安装、金属门窗安装,塑料门窗安装、特种门安装、门窗玻璃安装等分项工...
建筑装饰装修工程质量验收规范》GB50210-2001(三) 11.3 软包工程 11.3.1 本节适用于墙面、门等软包工程的质量验收。 主控项目 11.3....
1 《建筑装饰装修工程质量验收规范》(GB50210—2001)目录 0、关于发布国家标准《建筑装饰装修工程质量验收规范》的通知------0 0、前...
建筑装饰装修工程质量验收规范 门窗工程 5.1 一般规定 5.1.1 本章适用于木门窗制作与安装、金属门窗安装、塑料门窗安装、特种门安装、...
GB 50210-2018《建筑装饰装修工程质量验收标准》 一般抹灰的允许偏差和检验方法 项次 项目 允许偏差(m m ) 检验方法 普通抹灰 ...
《建筑装饰装修工程质量验收规范》GB502102001part2 《建筑装饰装修工程质量验收规范》GB502102001part2 6 吊顶工程 6.1 一般...
竣工验收资料目录 一、施工物资资料 二、施工试验记录 三、隐蔽记录 四、施工质量验收记录 五、竣工图 新乡市恒瑞装饰工程有限公司 ...
建筑装饰装修工程重点难点分析及应对措施 Issu e Date 发布日期:2020/09/02 Rev ision date 修订日期:- 重难点:多工种穿插施工...
5 油漆、涂料、裱糊、彩画工程 说明 一、本章涂刷、油漆、裱糊、彩画均采用手工操作;喷塑、喷涂采用机械操作。 二、油漆项目已综合考...
第一节 建筑装饰装修工程概述 建筑装饰装修工程是建筑工程的重要组成部分。它是在建筑主体结构工程完成之后,为保护建筑物主体结构、完善...
建筑装饰装修工程分部施工质量验收记录 表3.1.5—1 H03(□□) 工程名称 兴安路红旗 B 栋综合楼 结构类型 框混 层 数 7 施工单...
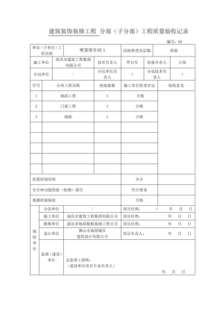
建筑装饰装修工程 分部(子分部)工程质量验收记录 编号:0 1 单位(子单位)工程名称 喷雾塔车间1 结构类型及层数 排架 施工单位...
建筑装饰与装修工程控制措施 第一条 装饰与装修用抹灰砂浆的强度不宜小于 M10,并应留置试块进行强度检验。 第二条 主体结构验收合格...
砌体工程技术交底 JZ-001 施工单位:广东省源天工程公司 工程名称 广州市轨道交通二、八号线【车站设备安装工程II 标段】南浦站 分部...
建筑工程—装饰装修工程质量通病及其防治措施 (一)内、外墙抹灰空鼓、起壳、开裂 主要原因是外墙抹灰与墙体粘接不牢造成,在施工中要注意...
cheng cheng 建 筑 室 内 装 饰 装 修 工 程 试 卷 ( 高 级 ) 一 、 单 项 选 择 题 ( 每 题 1 分 , ...
1 总说明 1.《广西壮族自治区建筑装饰装修工程消耗量定额》(以下简称本定额)是完成规定计量单位建筑和装饰装修分部分项工程合格产品所...

