目录一、工程概况 .............................................. 2 二、地形地质及气候水文 .......................................
QB安徽电力建设第一工程公司企业标准Q/AEPC-T GCC028-2025预制桩机械静力压桩施工工艺标准2025-12-01 发布 2025-01-01 实施安徽电力建...
QB安徽电力建设第一工程公司企业标准Q/AEPC-T GCC029-2025预制锚杆静力压桩施工工艺标准2025-12-01 发布 2025-01-01 实施安徽电力建设...
目 录1.工程概况……………………………………………………………………12.环境条件分析…………………………………………………………...
打桩施工工艺流程图房屋测量定位 复核 测放桩位 复核 桩机定位吊桩定位校核垂直度沉 桩吊桩对位接桩 校核垂直度电焊接桩送 桩标高停止移 位
1.适用范围压桩主要适用于软土、填土、一般粘性土层中,特别适合于居民稠密、危房附近、环境保护要求严格的工业、民用建筑的低承台桩基础,...
静力压桩通用施工工艺1 适用范围 本工艺适用于工业与民用建筑中的钢筋混凝土预制桩静压施工工程。2 施工准备2.1 材料及主要机具:2.1.1...
静力压桩工程安全技术交底 AQ3.3.1.4施工单位: 工程名称分部分项工 程工种1.进入施工现场必须遵守安全操作规程和现场安全管理规定。 2...
技术交底记录工程名称XXXX 工程施工班组XXX 桩队、XXX 桩队分项工程静力压桩施工图号结施 XX-X相对人签字一、施工准备1.主要材料:PHC...
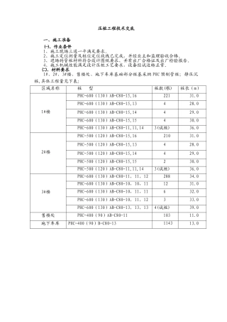
压桩工程技术交底一、施工准备㈠、作业条件1、施工现场三通一平满足要求。2、施工定位测量及桩位定位放线已完成,并经业主和监理验收合格。...
静力压桩施工组织设计1、工程概况1。1 工程概况本工程位于* * *******由*************有限公司投资兴建;施工方法采纳静力压桩。1。2 ...
技术交底记录工程名称XXXX 工程施 工班组XXX 桩队、XXX 桩队分项工程静力压桩施 工图结施 XX-X相对人签字一、施工准备1.主要材料:PH...
静力压桩施工方案本工程采纳先张法预应力管桩,桩身混凝土掺钢筋阻锈剂。桩径 为 5,壁厚为 65,桩身混凝土强度为 C60,桩端以③-?层...
静力压桩工程安全技术交底1.进入施工现场必须严格遵守安全操作章程和现场安全管理规定。2.压桩机安装地点应按施工要求进行先期处理,应平...
静力压桩安全技术规定1 静力压桩基本上均在陆地上施工,压桩机的工作场地必须平整,地基基础应按施工组织设计要求进行处理,平均地基承载...
静力压桩安全技术交底(1)进入施工现场必须严格遵守安全操作规定和现场安全管理规定。 (2)压桩机安装地点应按施工要求进行先期处理,应...
静力压桩工程检验批质量验收记录表GB50202-2024 010401单位(子单位)工程名称分部(子分部)工程名称验收部位施工单位项目经理分包单位分...
一、工程概况 环市镇永红股份经济联合社拟在大福路西侧兴建永红酒家,本工程基础采纳桩径 Φ400mm 高强砼预应力管桩,桩长约为 21-24 ...
精品文档---下载后可任意编辑预压托换桩的压桩机理与压桩阻力讨论的开题报告一、选题意义和背景随着现代城市化的进展,桥梁、高层建筑、隧...
精品文档---下载后可任意编辑静力压桩机的压桩定位控制讨论的开题报告一、选题问题的背景随着建筑工程的不断进展和进步,各种桩式的应用也...

