电脑桌面
添加小米粒文库到电脑桌面
安装后可以在桌面快捷访问

静力压桩工程检验批质量验收记录表VIP专享

静力压桩工程检验批质量验收记录表_第1页
1/2
静力压桩工程检验批质量验收记录表_第2页
2/2
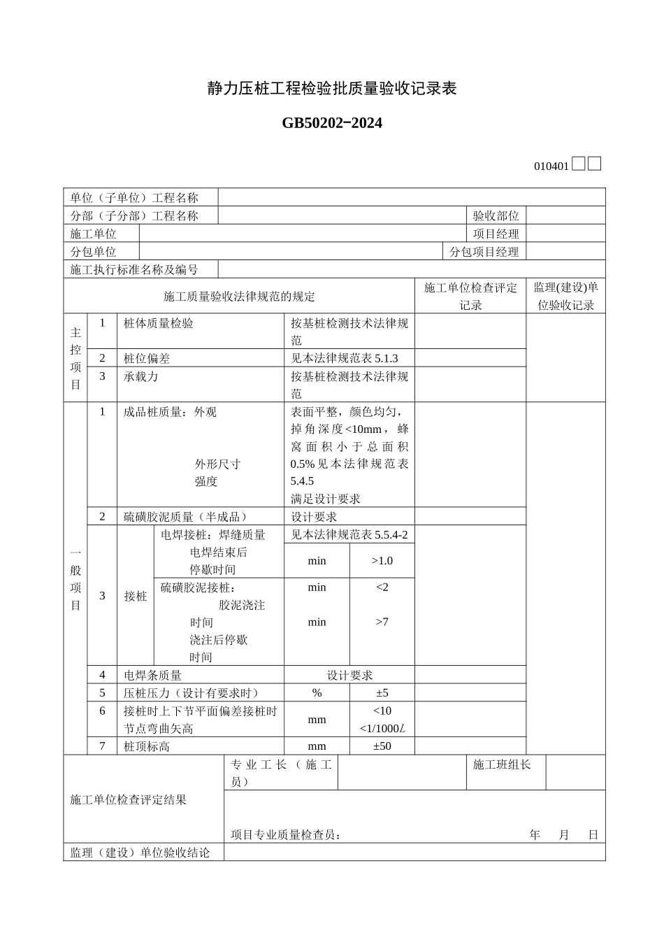
静力压桩工程检验批质量验收记录表GB50202-2024 010401单位(子单位)工程名称分部(子分部)工程名称验收部位施工单位项目经理分包单位分包项目经理施工执行标准名称及编号施工质量验收法律规范的规定施工单位检查评定记录监理(建设)单位验收记录主控项目1桩体质量检验按基桩检测技术法律规范2桩位偏差见本法律规范表 5.1.33承载力按基桩检测技术法律规范一般项目1成品桩质量:外观外形尺寸强度表面平整,颜色均匀,掉 角 深 度 <10mm , 蜂窝 面 积 小 于 总 面 积0.5% 见本法律规范表5.4.5满足设计要求2硫磺胶泥质量(半成品)设计要求3接桩电焊接桩:焊缝质量 电焊结束后 停歇时间见本法律规范表 5.5.4-2min>1.0硫磺胶泥接桩:胶泥浇注 时间 浇注后停歇 时间minmin<2>74电焊条质量设计要求5压桩压力(设计有要求时)%±56接桩时上下节平面偏差接桩时节点弯曲矢高mm<10<1/1000L7桩顶标高mm±50施工单位检查评定结果专 业 工 长 ( 施 工员)施工班组长项目专业质量检查员: 年 月 日 监理(建设)单位验收结论专业监理工程师:(建设单位项目专业技术负责人): 年 月 日

1、当您付费下载文档后,您只拥有了使用权限,并不意味着购买了版权,文档只能用于自身使用,不得用于其他商业用途(如 [转卖]进行直接盈利或[编辑后售卖]进行间接盈利)。
2、本站所有内容均由合作方或网友上传,本站不对文档的完整性、权威性及其观点立场正确性做任何保证或承诺!文档内容仅供研究参考,付费前请自行鉴别。
3、如文档内容存在违规,或者侵犯商业秘密、侵犯著作权等,请点击“违规举报”。

碎片内容

静力压桩工程检验批质量验收记录表

确认删除?
VIP
微信客服
  • 扫码咨询
会员Q群
  • 会员专属群点击这里加入QQ群
客服邮箱
回到顶部