第三节 性质活泼的氧气氧气的实验室制法巩固回忆 工业制氧气:分离液态空气法。通电分解水:水 氢气 + 氧气通电 H2O H2 O2下列哪些...
课题 3 制取氧气 文字表达式化学反应式实验室制取氧气的第一种原理:加热高锰酸钾:药品:高锰酸钾 (KMnO4)KMnO4 K2MnO4 + MnO2 +...
一、物理性质1. 色、味、态:2. 密度:3. 溶解性:4. 三态转化: 101kPa下通常情况下没有颜色、没有气味的气体比空气密度略大不易溶于...
下载后可任意编辑工贸企业氧气乙炔库火灾爆炸事故现场处置方案与工贸企业火灾爆炸事故专项应急预案汇编工贸企业氧气乙炔库火灾爆炸事故现场...
仅供参考 [整理 ] 第 1 页 共 6 页安全管理文书四小时氧气呼吸器安全操作规程日期: __________________单位: ________________...
仅供参考 [整理 ] 第 1 页 共 6 页安全管理文书可燃气体和氧气含量检测安全管理规定日期: __________________单位: __________...
危险化学品安全周知卡(氧气,氩气,CO2)危险化学品安全周知卡品名、英文名及分子式、CC码及 CAS危险性类别危险性标志码乙炔 ( 电石气...
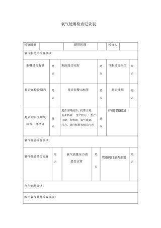
氧气使用检查记录表检查时间使用时间检查人氧气瓶使用检查事项:瓶嘴是否有油是否瓶阀是否完好是否气瓶是否损伤是否是否在检验期内是否是否...
附件 1 关于《用于医用气体管道系统的氧气浓缩器供气系统》行业标准实施有关事宜的通知(征求意见稿)依 据 医 疗 器 械 行 业 ...
第二部分现场处置方案氧气、乙炔火灾事故现场处置方案一.事故风险分析1.1事故类型在焊接切割作业时,由于使用压缩空气或氧气流的喷射,使...
空气中氧气含量的测定测定空气中氧气的含量探究:(1)可用多种方法测定空气中氧气的含量,其原理都是利用某些物质在一定量的空气中,完全...
氧气乙炔使用应知应会乙炔瓶储存、使用时为什么必须直立,而不能卧放其原因有四点:原因:乙炔瓶装有填料和溶剂(丙酮),卧放使用时,丙酮...
第一节 氧气的制取工业方法制氧气 —— 分离液态空气方法原理:利用液态空气的沸点不同蒸发分离。空气空气除去 CO2干燥氮气液态空气降...
制作人:张文彩 看不见摸不到,不香不臭无味道,动物植物都需要,离开它就活不了氧气的用途氧气的用途【【思考思考】】集气瓶里收集的集气...
氧 气 吸入 法 呼吸系统的三个环节 氧气吸入法 概念: 通过给病人吸入高于空气中氧浓度的氧气,来提高病人肺泡内的氧分压,达到改...
鱼池缺氧,造成大量鱼死亡。渔民损失 10 万余元【主要成分】过氧化氢【含量规格】 15%【作用与用途】本品在分解过程中释放出活泼的新生...
课题 3 制取氧气 探究分解 H2O2制氧气反应中 MnO2作用(第二课时)宁强县第一初级中学 郭 欣一、教学目标1.知识与技能(1)了解实验...
授课时间 2014 年 月 日 星期 主备人曹燕复备人课 题实验活动备课时间2014 年 9 月 复备时间组长签字课 型 实验课课 时1教学...
课题 3 制取氧气(一) 制取氧气要从以下几个方面着手 :一.反应原料、原理二 .气体发生装置三 .收集方法四 .氧气的检验和验满方法五...
氧气的实验室制法练习24.(9 分)化学是一门以实验为基础的科学,化学所取得的丰硕成果,是与实验的重要作用分不开的。结合下列实验装置...

