序号主讲参加人员日期:1《建筑工程施工质量验收统一标准》(GB50300—2001)1、建筑工程施工质量应符合本标准和相关专业验收规范的规定。2、...
一、工程概况 本工程为扶余 220kV变至松原 500kV变电站段线路(不包括松花江大跨越段):线路长度为 38.237km。新建铁塔均为双回路铁塔...
SZLX23 输变电工程施工强制性条文执行记录表开工前施工准备强制性条文执行记录表编号:SZLX23-KGQSGZB-工程名称温波-长须贡玛 35kV 线路...
储灰场光伏接入系统土口子变电站扩建工程施工强制性条文执行计划施工单位(章)年—月—日批准:年月日审核:年月日年月日年月日编写:年月...
- 1 - 水利工程项目管理 强制性条文执行监督检查制度 一、总则 1、为实现水利工程目标,加强对《水利工程建设标准强制性条文》(以下...
精品文档---下载后可任意编辑《建筑设计防火法律法律规范》8 消防设施的设置 一般规定 城镇(包括居住区、商业区、开发区、工业区等)应...
产品设计研发部强条考试1. 商铺店面主要视觉通廊内不宜种植()绿化。(景观强条-28)【单选题】[单选题]*A、时花B、大乔C、灌木D、中层...
构造专业常见易犯强条旳归纳及讲解1.抗震(1) 有斜交抗侧力构件旳构造,当相交角度不不大于 15o时,应分别计算各抗侧力构件方向旳水平...
精品文档---下载后可任意编辑一、总则抗震设防烈度为 6 度及以上地区的建筑,必须进行抗震设计。抗震设防烈度必须按国家规定的权限审批、...
精品文档---下载后可任意编辑第一篇 地基基础一、基础·······································...
精品文档---下载后可任意编辑1 工程概况...........................................................................22 编制目的........
施工强制性条文执行计划报审表 工程名称:江西上犹仙鹅塘48MW 风电场工程 编号:TJ-JXHW-004-003 致:吉林省隆翔工程建设监理有限责任...
1 葫芦岛隆兴连山区沈家屯南山20 兆瓦 光伏发电项目 施 工 强 制 性 条 文 执 行 计 划 2 0 1 7 年 3 月 1 5 日 ...
施工强制性条文执行计划(电气施工)工程编号工程项目名称责任单位强制性条文执行表号单位工程分部工程分项工程施工单位监理单位建设单位主...
第一章 设计总则 3.1.1 住宅建设应符合城市规划要求,保障居民的基本生活条件和环境,经济、合理、有效地使用土地和空间。(住宅建筑规...
精心整理SZLX23 输变电工程施工强制性条文执行记录表开工前施工准备强制性条文执行记录表编号:SZLX23-KGQSGZB-工程名称分部(子分部)工...
精品文档表 3.0.2 变电站建筑工程施工强制性条文执行计划表工程编号责任单位单位工程子单位工程分部工程子分部工程分项工程检验批工程名...
《强制性条文》学习培训记录编号:032000WS23120002学习培训时间学习培训辅导人学习培训内容:学习《实施工程建设强制性标准监督规定》建设...
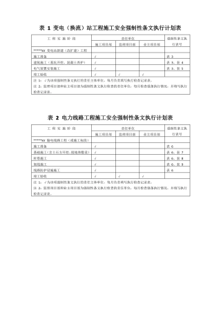
表 1 变电(换流)站工程施工安全强制性条文执行计划表工 程 实 施 阶 段施工项目部*****kV 变电站新建(改扩建)工程施工准备建筑...
第三章 执行国家、行业、地方强制性标准规范的具体措施 对于本工程必须要强制性执行的规范我公司列表如下: 《城市园林绿化评价标准》(...

