土钉墙课程设计
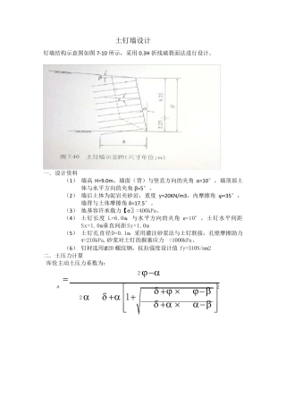
土钉墙设计 钉墙结构示意图如图7-10 所示,采用0.3H 折线破裂面法进行设计。 一.设计资料 (1) 墙高H=9.0m ,墙面(背)与竖直方...
深圳市长城建设监理有限公司 坂田南杨美村布龙路保障性住房项目监理部 坂田南杨美村布龙路保障性住房项目 土钉墙 监 理 实 施 细 ...
①分层、分段施工流程: 沿基坑内侧周边分层、分段均衡挖土,并进行土钉墙支护施工。 ②施工工艺流程 a.土钉施工工艺流程是:挖土、修坡...
目 录 一、土钉墙施工工艺流程图 二、监理控制内容: 三、质量检验 四、工程实例 五、锚杆施工的质量控制 六、锚杆施工质量标准 七...
(完整)土钉墙施工方案 0 目 录 第一章 编制依据 ............................................ 1 第二章 工程概况 ...............
土钉墙支护计算计算书 本计算书参照《建筑基坑支护技术规程》 JGJ120-99 中国建筑工业出版社出版《建筑施工计算手册》江正荣 编著 中...
第2 章 土钉墙支护计算 2 .1 土钉支护技术 2 .1 .1 土钉支护的概念 土钉支护亦称锚喷支护,就是逐层开挖基坑,逐层布置排列较密...
技术交底记录 表 C2-5 编 号 工程名称 新津安置房地块五 交底日期 2019 年12 月 10 日 施工单位 成都建工集团第五建筑公司 ...
紫桂铭苑工程 基坑围护 监理实施细则 编制: 审核: 杭州中 研 工程监理有限公 司 紫桂铭苑工 程 项目监 理 部 2014 年 4...
土钉墙护坡施工工艺标准(J1122004)
土钉墙设计施工方案 一、 工程概况 二、 技术参数 根据《岩土工程勘察报告》资料,列出如下参数: 土层编号 土层名称 平均厚度 H...
第 1 页 共 2 4 页 土钉墙工程施工方案 第 2 页 共 2 4 页 目 录 第一章、 ............................... 方案优选...
《深基坑工程支护设计》 —基坑土钉支护 四川建院土木系地质教研室 二 0 一四年六月 目 录 1 .土钉墙支护设计理论 2 .基坑土钉...
深基坑支护专项施工方案 一 、 工 程 概 况 本 工 程 由 武 汉 海 天 实 业 集 团 有 限 公 司 投 资 兴 建 ,...
嘉和园三期(东)基坑支护 设 计 施 工 组 织 方 案 山西新大新基础工程有限公司 中州·龙湖国际一期工程基坑支护工程施工方案 ...
1 第一章 前言 1.1编制依据 1.1.1 业主方提供的资料 (1)规划总平面图 (2)岩土工程勘察技术报告 1.1.2 规程、规范类 《建筑...
5 土钉墙与复合土钉墙 中冶集团深圳分院--杨志银 5.1 一般规定 5.1.1 土钉墙是一种原位加固土基坑支护技术,它由原位土体、设置在土...
中建一局集团四公司 安德路十五栋简易楼危改东区综合楼工程 东区坑支护施工总结 1 二零零二年十一月 复合土钉支护施工总结 一、工程...
一、先给大家说说工工艺: (1)边坡开挖 按照设计的分层开挖深度和坡度开挖,分层开挖深度应在每道土钉孔口标高下 0.5m 处,不得超挖...

