电脑桌面
添加小米粒文库到电脑桌面
安装后可以在桌面快捷访问

土钉墙设计实例VIP免费

土钉墙设计实例_第1页
1/6
土钉墙设计实例_第2页
2/6
土钉墙设计实例_第3页
3/6
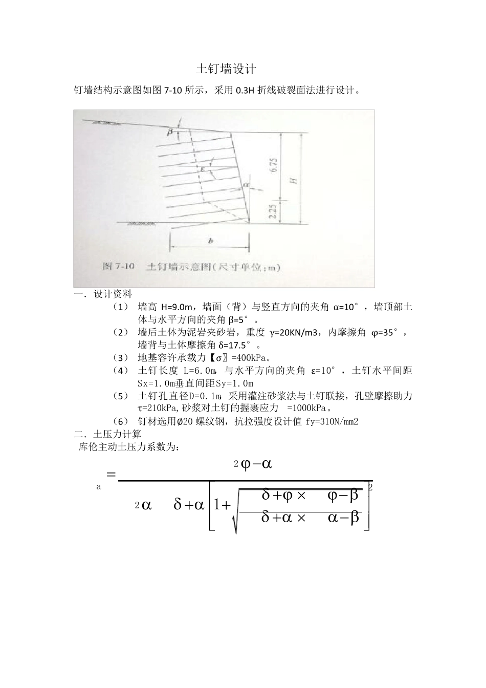
土钉墙设计 钉墙结构示意图如图7-10 所示,采用0.3H 折线破裂面法进行设计。 一.设计资料 (1) 墙高H=9.0m ,墙面(背)与竖直方向的夹角α=10°,墙顶部土体与水平方向的夹角β=5°。 (2) 墙后土体为泥岩夹砂岩,重度 γ=20KN/m 3,内摩擦角φ=35°,墙背与土体摩擦角δ=17.5°。 (3) 地基容许承载力【σ〗=400kPa。 (4) 土钉长度 L=6.0m,与水平方向的夹角ε=10°,土钉水平间距Sx=1.0m垂直间距Sy=1.0m (5) 土钉孔直径D=0.1m,采用灌注砂浆法与土钉联接,孔壁摩擦助力τ=210kPa,砂浆对土钉的握裹应力 μ=1000kPa。 (6) 钉材选用∅ 20 螺纹钢,抗拉强度设计值 fy=310N/mm2 二.土压力计算 库伦主动土压力系数为: 222cos()sin()sin()coscos()1cos()cos()aK       2?°2°°° °2?°°°°° °cos(35+10)sin(17.5+35)sin(35-5)cos(10)cos(17.5-10)1+cos(17.5-10)cos(-10-5)0.192 °01 sin1 sin35=0.426K 0()(0.1920.426)/20.3092aKKK 作用于土钉墙墙背上的土压力呈梯形分布,如图7-11 所示,按式(7-4)计算。 ieimK h ( 2iHh ) * 2ieHmK (2Hih  ) 即: 1.20.309207.416(h/2)1.20.30920 9/233.372( )(h/2)iiiiiihhHkNH 三 .内部稳定性分析 (1) 土钉拉力计算 土钉所受拉力为: °i/cos 1.01.0/cos10=1.015( )iX y iiTSSkN 土钉所受最大拉力: Tmax=1.015*33.372=33.87(KN) (2) 土钉抗拉稳定性验算 土钉抗拉稳定性系数为: 2min3max20 310/42.881.833.8710i yAfKT  因此,土钉抗拉稳定性满足要求。 (3) 土钉抗拔稳定性验算 `采用0.3H 折线破裂面法对应的潜在破裂面如图7-12 所示。其中: 00.3lH ( 304iHh ) 01.2()ilHh ( 34iHhH ) 式中:hi-----距离墙顶的高度; L0-----潜在破裂面至墙背的距离。 由土压力分布图可知,当 hi>=H/2=4.5m 时,所受土压力最大,即土钉所受拉力最大,而当 hi<=0.75H=6.75 时,土钉有效锚固长度le 最短,也就是处于 4.5m6.75ihm 的土钉,其抗拔稳定性最不利,以此为土钉抗拔稳定性的验算状态。 已知孔壁摩擦阻力 τ=210kPa,锚孔直径 D=0.1m,土钉的有效锚固长度...

1、当您付费下载文档后,您只拥有了使用权限,并不意味着购买了版权,文档只能用于自身使用,不得用于其他商业用途(如 [转卖]进行直接盈利或[编辑后售卖]进行间接盈利)。
2、本站所有内容均由合作方或网友上传,本站不对文档的完整性、权威性及其观点立场正确性做任何保证或承诺!文档内容仅供研究参考,付费前请自行鉴别。
3、如文档内容存在违规,或者侵犯商业秘密、侵犯著作权等,请点击“违规举报”。

碎片内容

土钉墙设计实例

您可能关注的文档

确认删除?
VIP
微信客服
  • 扫码咨询
会员Q群
  • 会员专属群点击这里加入QQ群
客服邮箱
回到顶部