城市轨道交通工程练习题专题一具有中容量,采用钢轮钢轨,一般在高架和地面运行的轨道交通类型为( )。BA.地铁 B.轻轨 C.单轨 D.有轨电...
城市轨道交通工程审计重点、难点及应对措施1 审计重点及应对措施1.1 审核建设程序文件项目建设程序文件的审核是结算审计工作的首要部分,...
总体 公路工程质量检验评定标准(第二册) 机电工程技术手册高速公路交通工程及沿线设施设计通用规范公路工程技术标准公路隧道设计规范公路...
交通工程施工技术方案编制:石烨家2015 年 11 月 18 日目 录一、工程概况····················3-6二、施工准备...
交通工程专业人才培养方案专业名称:交通工程专业代码:081802执笔人:审核人:一、培养目标本专业以工学学科为理论基础,经济、管理、工学...
中铁 XXXX 局集团有限公司城市轨道交通工程劳务分包指导价(2017 版)编制单位:集团公司经济管理部序号一(一)围护结构钻孔桩钻孔灌注桩...
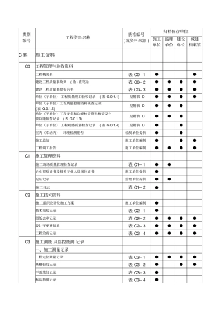
类别编号工程资料名称表格编号( 或资料来源 )归档保存单位施工单位监理单位建设单位城建档案馆C类施工资料C0工程管理与验收资料工程概况...
乌鲁木齐轨道交通1 号线工程 11 标段项目进度计划编制:日期审核:日期审批:日期中铁一局集团乌鲁木齐轨道交通1 号线工程 11标段项目...
下载后可任意编辑大学生毕业交通工程实习报告 指导老师: (校内) 指导老师: (单位)姓 名: 专业: 班级: 实习单位: 实习岗...
下载后可任意编辑城市轨道交通工程机电安装自动计价探讨城市轨道交通工程机电安装自动计价探讨 尹艳艳 摘要:通过对轨道交通工程计价文件...
实用文档70 评表( 66)交通标志质量评定表编号:项目名称监理单位公路等级单位工程施工单位合同段分部工程评定路段项次检测项目规定值或...
西安市城市轨道交通条例(2011 年 7 月 22 日陕西省十一届人大常委会二十四次会议批准实施)第一章总则第一条为了保障城市轨道交通建...
《城市轨道交通工程安全质量管理暂行办法》 建质[2010]5 号 各省、自治区住房城乡建设厅,直辖市建委(建设交通委),新疆生产建设兵团...
下载后可任意编辑交通工程实习报告范文 4篇 指导老师: (校内) 指导老师: (单位)姓 名: 专业: 班级: 实习单位: 实习岗...
下载后可任意编辑交通工程试验检测工作重要性分析 交通工程试验检测工作重要性分析当前,交通工程建设在我国社会进展过程中呈现出全新的局...
下载后可任意编辑交通工程质监站工作总结xxxx 年以来我站在上级部门及领导的支持及领导下,认真履行政府监督职能,本着 坚持原则、严格执...
下载后可任意编辑交通工程实习报告 指导老师: (校内) 指导老师: (单位)姓 名: 专业: 班级: 实习单位: 实习岗位: 实习...
下载后可任意编辑交通工程实习报告 xx 年 6 月 26 日,我们班乘车到泰和实习,早上 6 点半出发,上午 11 点到达,在泰和实习了 ...
下载后可任意编辑交通工程实习心得 毕业实习是我们大学学习阶段重要的实践性教学环节之一;是理论与实践相结合的重要方式;是提高大学生思...
精选 word 文档 下载可编辑 19 目录 TOC \o "1-3" \h \z 、概述 1 1.1 工程概述 1 1.1.1 项目名称 1 1.1.2 项目位置 ...

